Curiosii for ever!
: Car repair manuals for everyone.
Home
>>
Volvo
>>
2013
>>
XC90 R Design FWD L6-3.2L VIN 95 B6324S5
>>
Repair and Diagnosis
>>
Powertrain Management
>>
Computers and Control Systems
>>
Body Control Module
>>
Diagrams
>>
Electrical Diagrams
Electrical Diagrams
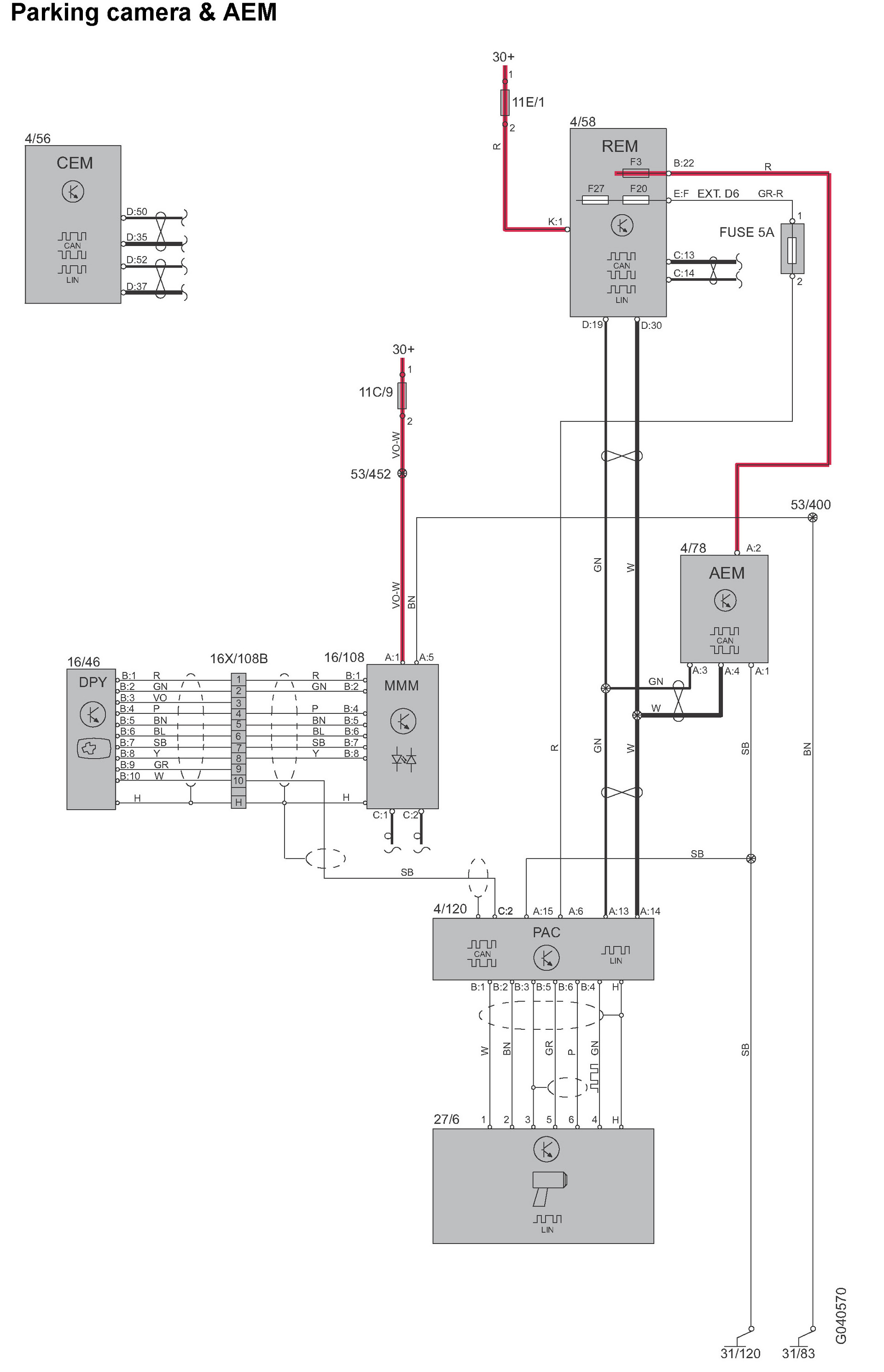
Parking Camera & AEM
Wire Color Code Identification and Other Abbreviations:
Wire Color Code and Other Abbreviations
List of Components By Component Number:
List of Components By Component Number