Curiosii for ever!: Car repair manuals for everyone.

Construction Of The Network







Construction of the network

General
The network is made up of a number of control modules (sometimes called nodes)which are connected to each other serially via two communication cables. Each control module is supplied with power and grounded individually and receives messages /commands via the two communication cables. In both networks (high and low speed sides) the control modules are serially connected. In the event of an open-circuit those control modules beyond the open-circuit will not be able to communicate with other parts of the network.

High and low speed sides on the network




The network consists of two parts: a high speed side (HS CAN) which transmits signals/messages between the central electronic module (CEM) and control modules mainly in the engine compartment, and a low speed side (LS CAN) which transmits signals/messages between the central electronic module (CEM) and control modules in the passenger compartment and the luggage compartment.
The interface between the high and low speed sides is supplied by the central electronic module (CEM) which converts the transmission speed up or down for communication between the two network sides.

Data link connector




The data link connector is located in the passenger compartment near the driver's station, cables for high-speed side (HS CAN) and low-speed side (LS CAN) are connected to the data link connector.




- Pin 3 LS CAN (low-speed side) (H-cable)
- Pin 4 Chassis ground
- Pin 5 Signal ground
- Pin 6 HS CAN (high-speed side) (H-cable)
- Pin 11 LS CAN (low-speed side) (L-cable)
- Pin 14 HS CAN (high-speed side) (L-cable)
- Pin 16 Voltage feed

Note! The data link connector's other connections may be used by other functions. This section only describes connections related to CAN.

Transfer speeds
The Volvo Controller area network (CAN) has two transfer speeds.
- HS CAN (high speed) has a transfer rate of 500 kbit/s.
- LS CAN (low speed) has a transfer rate of 125 kbit/s.
1 kbit/s = 1024 bits per second (1 byte = 8 bits).
For serial communication (Volcano Lite) between a control module and a slave control module the transfer rate is 10.4 kbit/s.
There is another serial standard known as LIN. This is an international standard which is becoming more commonly used. Its function is almost identical to that of Volcano Lite. The difference is in the communication method and rate. The transfer rate for LIN is 9.6 kbit/s.

Terminating resistor

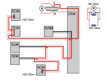
High-speed net HS CAN (High Speed), example





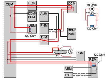
Low-speed net LS CAN (Low Speed), example




To prevent electrical reflections and interference in the CAN network, there are terminating resistors which bridge CAN H (High) and CAN L (Low), one at each end (main line) on both the high and low speed sides of the network. Each terminating resistor has a resistance of 120 ohm
- For HS CAN (high speed), the terminating resistors are located in the brake control module (BCM) and the engine control module (ECM).
- For LS CAN (low speed), the terminating resistors are located in the upper electronic module (UEM) and the rear electronic module (REM).

Resistance measurement of parallel circuit with terminating resistor
Both the terminating resistors create a parallel circuit The following resistors can be measured under specified conditions:
- When the CAN network is intact, the resistance on the network is approx. 60 ohm.
- In case of open circuits on the cables, so that 1 terminating resistor is not included in the circuit, the resistance in the net is approx. 120 ohm (only one main line is measured)
- An open circuit on the cables to control modules located "outside" the measured circuit cannot be detected with this measurement.
- In case of short-circuiting between the communication cables, the resistance is approx. 0 ohm between the cables, regardless of where the short-circuiting is located.

Resistance measurement in high-speed net HS CAN (High Speed), example





Resistance measurement in low-speed net LS CAN (Low Speed), example