Curiosii for ever!: Car repair manuals for everyone.

Function






Function

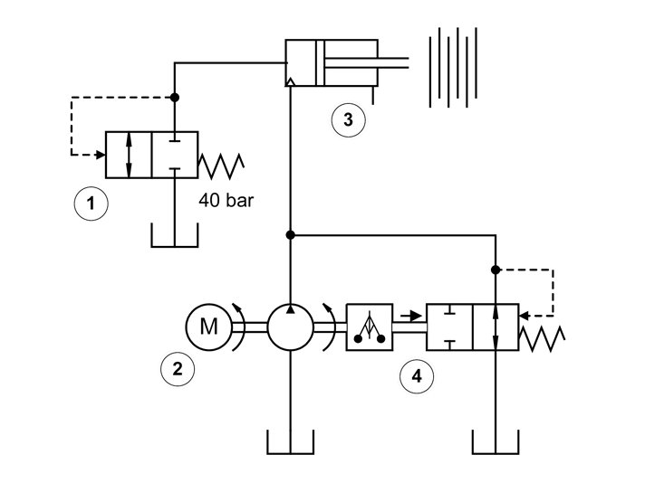
Electronic hydraulic function




1. Differential electronic module (DEM)
2. Electrical feed pump.
3. Disc pack
4. Bleed valve
The differential electronic module (DEM) communicates with the engine control module and the brake control module (BCM) via CAN. Led by the sensor signals, the differential electronic module (DEM) directs the oil pressure to the clutch plates through the pump mechanism in the pump. The differential electronic module (DEM) controls the pump to achieve the desired working pressure, 0-40 bar. The oil pressure to the clutch plates determines how much torque can be transferred to the rear wheels.

Mechanical function, overview




1. Output shaft.
2. Input shaft
3. Inner and outer wet clutch plates
The transmission and bevel gear transfers engine torque to the propeller shaft. The input shaft is joined to the clutch's output shaft via the multi-plate clutch pack. The multi-plate clutch in the coupling must be engaged to transfer torque to the rear axle. The inner and outer wet multi-plate clutch are the transfer point between the input and output shafts.
The differential electronic module (DEM) regulates the pump to achieve the right pressure. The working piston is then pressed against the plates to eliminate play and prepare the clutch to react and regulate quickly. At a maximum of 40 bars (varies according to temperature) pressure from the pump, maximum torque, 1050 Nm, is supplied through the clutch to the rear wheels right at start.