Curiosii for ever!: Car repair manuals for everyone.

Network Structure






Network structure

General




A = Master node
B = Slave node
The network is made up of a number of control modules connected to each other via a communications wire. The control modules are voltage fed and ground individually and exchange information in an optional direction via the communication wiring.
In event of a failure on the communication wiring, the control modules will not be able to communicate with the other control modules located after the failure. However, the control modules located before the failure can still communicate.
On a LIN bus there is always one control module that is the main control module (a.k.a. master node). All other control modules on the same LIN bus are slave nodes.

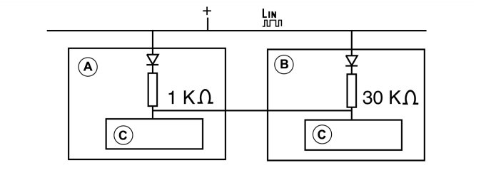
Terminating resistor




A = Master node
B = Slave node
C = Transmitter/receiver
LIN is terminated to the battery voltage on each node via a pull-up resistance

The master node is terminated with 1 kOhms and the slave nodes with 30 kOhms.
The termination resistance forms a parallel circuit and the resistance to the battery voltage depends on the number of connected nodes. The resistance to ground should be infinite or at least extremely large if no communications are in progress.