Part 1
Function
Immobilizer
See Design and Function, Immobilizer.
Start (-2005)
The starter motor (6/25) is powered via the starter motor relay (2/35). The relay is controlled by the engine control module (ECM) (4/46). The start process is as follows:
1. The ignition key is turned to start position (position III)
2. A high signal (Ubat) from the ignition switch (3/1) is transmitted to the engine control module (ECM) and starter relay via the central electronic module (CEM) and integrated relay/fusebox in the engine compartment. The engine control module (ECM) interprets this high signal as a request to activate the starter motor.
3. The engine control module (ECM) activates the starter motor solenoid by grounding the relay for the starter motor relay. The relay is powered by the ignition switch
4. The relay closes the circuit between the starter motor solenoid and the fuse in the integrated relay/fusebox in the engine compartment, activating the starter motor
5. The engine control module (ECM) activates the starter motor until the ignition key is released from the start position (position III).
The starter motor will not be activated if:
- the immobilizer function does not permit starting. The engine control module (ECM) receives a signal regarding whether the immobilizer is active or inactive from the central electronic module (CEM) via the control area network (CAN). For more information, See also Design and Function, Immobilizer.
- the gear selector is not in position "P" or "N" (automatic transmissions). The engine control module (ECM) receives a signal indicating the position of the gear selector from the transmission control module (TCM) (4/28) via both the controller area network (CAN) and from a directly connected cable between the engine control module (ECM) and transmission control module (TCM). Also see Design and Function, transmission control module (TCM).
- the clutch pedal is released (manual transmissions, certain markets). The engine control module (ECM) receives a signal indicating the position of the clutch pedal from the central electronic module (CEM) via the controller area network (CAN).
Start (2006-)
The starter motor (6/25) is supplied with power via the starter motor relay (2/35), the starter motor relay is controlled by the engine control module (ECM) (4/46).
The start process is as follows:
1. The ignition key is turned to start position (position III)
2. A high signal (U bat ) from the ignition switch (3/1) is transmitted to the engine control module (ECM) via the central electronic module (CEM). The engine control module (ECM) interprets this high signal as a request to activate the starter motor.
3. The engine control module (ECM) activates the starter motor solenoid by grounding and powering the coil for the starter motor relay.
4. The relay closes the circuit between the starter motor solenoid and the fuse in the relay/fuse box in the engine compartment, activating the starter motor.
5. The engine control module (ECM) activates the starter motor until the engine starts (the engine speed (rpm) exceeds a certain value)
Auto start
If the ignition key returns to ignition position (position II) before the engine is started, the starter motor continues to run. The starter motor runs until the engine is started or until a certain time has elapsed. The engine temperature dictates the running time of the starter motor:
- at -40 °C, approx. 10 seconds
- at -10 °C, approx. 8 seconds
- over 15 °C, approx. 4 seconds
If the engine does not turn or if the engine speed is extremely low when the start relay is activated, the engine control module (ECM) interrupts start relay activation.
Activation of the starter motor is not permitted or is interrupted if:
- the engine is running (the engine speed (RPM) above a certain value)
- the immobilizer function does not allow a start. For further information also see Design and Function, Immobilizer
- the gear selector is not in position "P" or "N" (automatic transmissions). The engine control module (ECM) receives a signal indicating the position of the gear selector from the transmission control module (TCM) (4/28) via both the controller area network (CAN) and from a directly connected cable between the engine control module (ECM) and transmission control module (TCM). Also see Design and Function, transmission control module (TCM).
- the brake pedal is not depressed.
- the clutch pedal is let up (manual transmission, certain markets). Signal about clutch pedal position goes to Engine control module (ECM) from Central electronic module (CEM) via CAN-net, as well as via a directly connected cable from the clutch pedal switch.
Camshaft control (CVVT)
When the camshaft (A) is set at the factory, it is aligned with the position of the crankshaft (B). The position of the camshaft in relation to the crankshaft is designated the camshaft 0 position. During camshaft (CVVT) control, the 0 position of the camshaft is advanced so that the opening and closing of the intake and exhaust valves can be changed to match the camshaft. Engine performance can be increased, idle quality increased and emissions reduced by regulating the camshaft timing changes.
There are diagnostics for this function. See also: Camshaft diagnostics (CVVT) Camshaft Diagnostics (CVVT)
Detecting the position of the camshaft (camshaft timing changes)
In order to detect the position of the camshaft (camshaft timing) in relation to the crankshaft, the engine control module (ECM) uses the signals from the engine speed (RPM) sensor (the position of the crankshaft) and from the camshaft position (CMP) sensor (the position of the camshaft). The control module uses these two signals to determine the position of the camshaft in relation to the position of the crankshaft.
Detecting the camshaft flanks
The camshaft is divided into four flanks per revolution of the camshaft (flanks 1-4). The flanks are detected by the camshaft position (CMP) sensor. The signal affects the shape of the camshaft rotor. See also: Design, B5254T7 Design
The teeth on the camshaft pulse wheel for camshaft flanks 1 and 4 are shorter than the other teeth. This enables the control module to determine the position of the camshaft. The control module is able to establish which combustion cycle the cylinders are in.
Detecting the reference positions of the camshaft
The crankshaft has four reference positions, one for each camshaft flank. The reference positions are predetermined points on the flywheel. The reference positions are detected using the signal from the engine speed (RPM) sensor. See also: Design, B5254T7 Design
The camshaft turns at half the speed of the crankshaft. This means that two reference positions are detected for each turn of the crankshaft. Therefore two engine revolutions are required to detect all flanks on the camshaft.
The positions on the flywheel are designated °CA (Crank angle). 0°CA = Top dead center cylinder 1.
Flanks 3 and 4 are detected during the second revolution of the engine.
Detecting the position of the camshaft in relation to the position of the crankshaft
Each camshaft flank aligns with pre-defined positions on the crankshaft when the camshaft is in its 0 position. These positions on the crankshaft are called reference positions for the flanks.
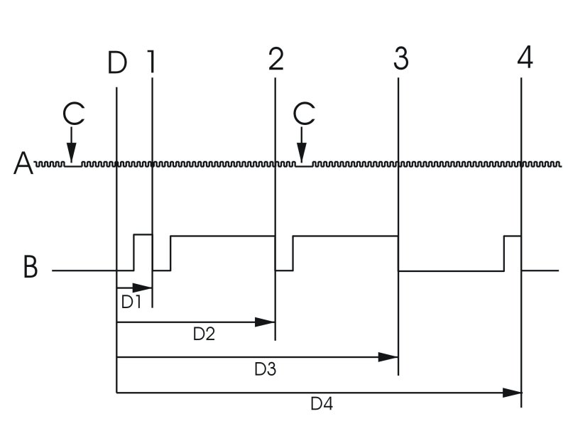
The illustration shows how the signals relate to each other when the camshaft is in its 0 position (the camshaft is not deployed).
A: Engine speed (RPM) sensor signal.
B: Camshaft position (CMP) sensor signal. From high to low signal when the teeth on the camshaft pulley leave the camshaft position (CMP) sensor.
C: Low engine speed (RPM) sensor signal because of the holes in the flywheel/carrier plate.
D: Top dead center (TDC) cylinder 1, 0°CA (84°CA after hole "C" in the flywheel/carrier plate).
1: Detection of flank 1, reference position 47°CA "D1".
2: Detection of flank 2, reference position 227°CA "D2".
3: Detection of flank 3, reference position 407°CA "D3".
4: Detection of flank 4, reference position 587°CA "D4".
If the flanks do not correspond to the reference positions on the crankshaft when the camshaft is in the 0 position (not deployed), the engine control module (ECM) will store the difference. There may be a difference from the camshaft 0 position if the timing belt is incorrectly seated or the camshaft are not correctly set for example. A mechanically damaged camshaft reset valve may prevent the camshaft moving to the 0 position when the engine control module (ECM) stores the adaptation value for the deviation of the camshaft. This may result in high deviation and a diagnostic trouble code (DTC) being stored.
The difference can be read out in VIDA.
Regulating the camshaft position
The engine control module (ECM) controls the camshaft reset valve steplessly. The valve controls the flow of engine oil to the continuous variable valve timing (CVVT) unit which is affected by the oil pressure that builds up. This allows the CVVT unit to change the position of the camshaft. Also see Control (below) and Design, B5254T7 Design
When deploying the camshaft by for example 10°CA (the engine control module (ECM) deploys the camshaft), the detection of the camshaft flanks will be offset by 10°CA from the reference positions for the crankshaft.
The illustration shows how the signals relate to each other when the camshaft is controlled (deployed camshaft), D1 - D4 is reduced.
The engine control module (ECM) is then able to calculate the °CA (crankshaft degrees from top dead center (TDC)) that the intake valve opens and the exhaust valve closes for each cylinder. This is because the opening and closing angles are fixed and predefined in relation to the flanks on the camshaft rotor.
The closing angle of the intake valve and the opening angle of the exhaust valve can be read in VIDA.
The following applies when the camshafts are in their 0 position (no deployment):
- the opening angle of the intake valve 27°CA
- the closing angle of the exhaust valve is 26.5°CA.
The following applies when the camshaft is fully deployed:
- the opening angle of the intake valve is -(minus) 23°CA
- the closing angle of the intake valve is -(minus) 3.5°CA.
The total of the closing angle of the intake valve - (minus) the opening of the exhaust valve = the valve overlap.
Control, CVVT unit
Hint: The illustration is a view of the CVVT unit from the side and from the rear.
1: Timing belt pulley
2: Lock pin with spring
3: Rotor
4: Rotor wings
A1: Chamber A
B1: Chamber B
The function of the CVVT unit allows the position of the camshaft to be adjusted in relation to the crankshaft. The camshaft is secured to the rotor (3). The rotor (and with it the camshaft) rotates in relation to the timing belt pulley (1) within set angles.
When the camshaft is in its 0 position, the timing belt pulley and the rotor are locked together by the lock pin (2). A spring-loaded lock pin slides into a hole on the inside of the end of the timing belt pulley to secure it.
Camshaft reset valve
5: Piston with slits
6: Return spring
A: Channel leading to chamber A1 in the CVVT unit
B: Channel leading to chamber B1 in the CVVT unit
C: Channel for oil (pressure)
D: Channel for oil (return)
The camshaft reset valve controls the oil flow to the continuous variable valve timing (CVVT) unit. The engine control module (ECM) uses a pulse width modulation (PWM) signal to control the valve. See also: Design, B5254T7 Design
Control takes place as follows when deploying the camshaft
Hint: The illustration is a view of the CVVT unit from the side and from the rear.
- The oil is forced from the engine lubrication system (C)
- The valve is grounded by the engine control module (ECM). The oil flows via the slits in the piston (5) to the oil channel (A) in the camshaft
- The oil flows via oil channels in the camshaft to the top of the lock pin (2). If the camshaft is in its 0 position, the lock pin will be forced in by the oil pressure and the rotor releases from the timing belt pulley
- The chamber (A1) fills with oil. The oil pressure will rotate the rotor (3)
- The oil in the chamber (B1) will be forced out of the chamber by the rotation of the rotor. The oil flows to the engine oil pan via the camshaft, channel (D) and the valve.
Control takes place as follows when returning the camshaft
Hint: The illustration is a view of the CVVT unit from the side and from the rear.
- The oil is forced from the engine lubrication system (C)
- The engine control module (ECM) breaks the ground connection for the valve. The piston (5) in the valve springs back (6) and the oil flows via the piston slits in the valve to the oil channel (B) in the camshaft
- The chamber (B1) fills with oil. The oil pressure in the chamber will rotate the rotor
- The rotor (4) reaches its limit position and the lock pin slides into a hole on the inside of the front end of the camshaft pulley
- The oil in the chamber (A1) will be forced out of the chamber by the rotation of the rotor. The oil flows to the engine oil pan via the camshaft, channel (D) and the valve.
The reset valve is controlled by the engine control module (ECM) at high frequency. The frequency changes for deployment and return. This ensures rapid and precise control. The extent of camshaft control (the angle of the camshaft) varies depending on the engine variant.
Wide Range" concept
Ignition timing
The combustion of the fuel film on the cylinder walls is improved by retarding the ignition.
Retarded ignition reduces the efficiency of the engine and the heat energy which is generated is released with the exhaust gases. This is used to heat the three-way catalytic converters (TWC).
Exhaust camshaft
By opening the exhaust valve late, combustion takes place over a relatively long period. The film of fuel on the cylinder walls combusts, reducing the exhaust emissions.
Intake camshaft
By opening and closing the intake valve late:
- so that there is little or no overlap, a predetermined pressure difference is maintained between the intake manifold and the combustion chamber/cylinder. The lower pressure in the cylinder ensures that all the injected fuel reaches the cylinder. This allows the Engine Control Module (ECM) to calculate and control the fuel quantity required in the combustion phase in advance
- maintains a high and stable pressure in the intake manifold (due to the upwards movement of the piston). Stable high pressure means that the vaporization of the fuel which has condensed on the walls of the intake manifold can be predicted.
Double continuous variable valve timing (CVVT)
The CVVT on both the intake camshaft and the exhaust camshaft means that the valve overlap can be changed to a greater degree than on engines where only one of the camshafts is controlled. Valve overlap is the extent to which the intake and exhaust valves (on the same cylinder) are open at the same time.
The advantages of continuous variable valve timing (CVVT) are used in different operating conditions:
- during cold starting and during the warm-up process when the intake camshaft and exhaust camshaft are set late. This reduces the emissions
- during idle and when the engine is at operating temperature when the exhaust camshaft is set to early and the intake camshaft is set to late. This results in small valve overlap, reducing exhaust gas recirculation (EGR) and ensuring stable idling
- at part load when both the exhaust and intake camshaft are set to relatively late, with greater valve overlap. Greater valve overlap results in internal exhaust gas recirculation (EGR) which reduces the release of nitrous oxide. This also limits the incoming fuel/air mixture to the cylinder. As a result, the throttle does not need to reduce the supply of air, thereby reducing "pump losses" and lowering the fuel consumption. At higher engine speeds (RPM), the camshafts are set for a smaller valve overlap. The exhaust camshaft is set earlier, the intake camshaft later. This provides an optimum fuel/air mixture to the cylinder. Reduces internal exhaust gas recirculation (EGR).
Turbocharger (TC) control system
The boost pressure in the intake manifold is controlled by the boost pressure control (BPC) valves, whose pressure regulators (1) are affected by the pressure from the turbocharger (TC) (2).
The Engine Control Module (ECM) receives information about the actual throttle position via the throttle position sensor (TP) for the throttle unit (3), engine load, knocking etc. This affects the boost pressure that is permitted. The boost pressure is measured by the boost pressure sensor.
The control module regulates the control pressure using the turbocharger (TC) control valve (4), which controls the pressure to the boost pressure control (BPC) valves so that the control is adapted to the required pressure. See also: Design, B5254T7 Design
The pressure regulators in the boost pressure control (BPC) valves are affected when the pressure rises. When the boost pressure has increased to the maximum permissible value, the boost pressure control (BPC) valves open. Some of the exhaust gases pass the turbine in the turbocharger (TC), limiting the boost pressure.
Turbocharger (TC) control is governed continually by the engine control module (ECM).
When a higher boost pressure is permitted, the control module opens the turbocharger (TC) control valve further. Some of the boost pressure which affects the pressure regulators for the boost pressure control (BPC) valves is released back into the turbocharger (TC) intake. This lowers the control pressure, the boost pressure control (BPC) valves open later and the boost pressure increases.
Because the control module calculates the boost pressure using the signal from the boost pressure sensor and the intake temperature sensor, there is automatic compensation of boost pressure control when driving at altitude and at different temperatures. As a result engine power will not be noticeably affected by the air density or temperature.
The engine control module (ECM) can diagnose the turbocharger (TC) control function.
Fuel pressure regulation
General
Fuel pressure regulation for demand controlled fuel pumps (DECOS - DEmand COntrolled fuel Supply) means that the fuel pressure is controlled steplessly by varying the output of the fuel pump. The design of the system allows a greater maximum pressure (approximately 6.5 bar) in the fuel pump. This pressure is used in extreme situations, such as heavy engine load for example.
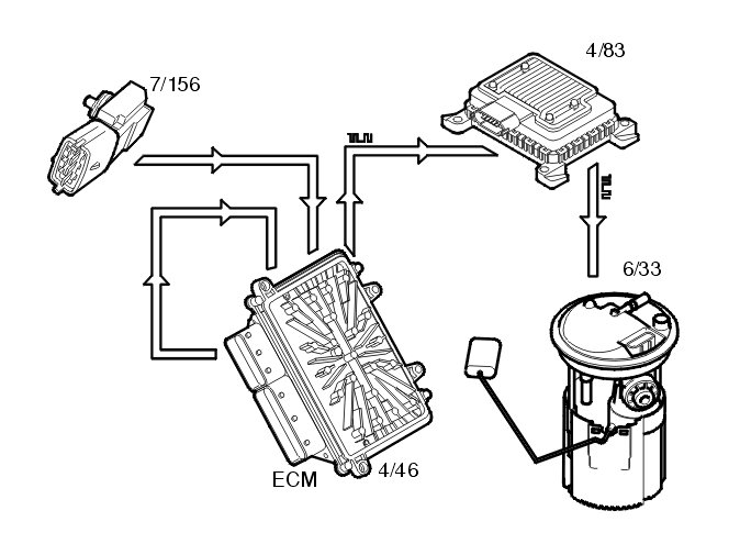
The following components are used for fuel pressure regulation:
- engine control module (ECM) (4/46)
- fuel pump control module (4/83)
- fuel pressure sensor with fuel temperature sensor (7/156)
- fuel pump with by-pass valve (6/33).
The time taken for the engine start procedure can be reduced by rapidly increasing the pressure in the fuel rail when the engine control module (ECM) receives a signal about the position of the ignition switch from the central electronic module (CEM).
The injection period for the injectors can be better calculated by the engine control module (ECM) since the signal from the fuel pressure sensor provides information regarding actual fuel pressure and temperature. Special cold starting properties for the engine are improved.
The advantages of varying the output of the fuel pump so that it is not always at full power are:
- the total power consumption of the fuel pump (FP) is reduced, reducing the load on the power supply system
- the service life of the fuel pump (FP) is increased
- fuel pump noise is reduced.