Curiosii for ever!: Car repair manuals for everyone.

Component Location, Climate Control Module (CCM)






Component location

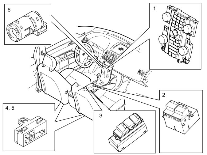
Overview, Passenger Compartment:





Overview, passenger compartment
1. Climate control module (CCM)
2. Switch tunnel console front
3. Switch tunnel console rear
4. Passenger compartment temperature sensor with blower fan
5. Seat heating module (SHM) left
6. Seat heating module (SHM) right.

Location Of Components (Overview, Climate Control Unit):





Overview, climate control unit
1. Damper motor module (DMM) recirculation
2. Damper motor module (DMM) temperature right
3. Damper motor module (DMM) defroster
4. Damper motor module (DMM) air distribution
5. Damper motor module (DMM) temperature left
6. Air quality sensor (AQS)
7. Evaporator temperature sensor Only applies to vehicles equipped with ECC