Construction Of The Network
Construction of the network
General
The network is made up of a number of control modules (sometimes called nodes) that are connected to each other via two communication cables. Each control module is individually powered and grounded and receives messages/commands via two the communication cables. In both networks (high and middle-speed sides), the control modules are connected to a number of different spurs. In the event of an open circuit those control modules beyond the open-circuit will not be able to communicate with other parts of the network. However, a failure in one of the spurs can lead to communication failure with one control module while communication in the rest of the same network is working.
High and middle-speed sides on the network
The network consists of two parts: a high speed side (HS CAN) which transmits signals/messages between the central electronic module (CEM) and control modules mainly in the engine compartment. A middle-speed side (MS CAN) which transmits signals/messages between the central electronic module (CEM) and control modules in the passenger compartment and the luggage compartment.
The interface between the high and middle-speed sides is supplied by the central electronic module (CEM) which converts the transmission speed up or down for communication between the two network sides.
Data link connector
The data link connector is located in the passenger compartment near the driver's station, cables for high-speed side (HS CAN) and middle-speed side (MS CAN) are connected to the data link connector.
- Pin 3 MS CAN (middle-speed side) (H-cable)
- Pin 4 Chassis ground
- Pin 5 Signal ground
- Pin 6 HS CAN (high-speed side) (H-cable)
- Pin 11 MS CAN (middle-speed side) (L-cable)
- Pin 14 HS CAN (high-speed side) (L-cable)
- Pin 16 Voltage feed
Note! The data link connector's other connections may be used for other functions. This section only describes connections related to CAN.
Transfer speeds
The Volvo Controller area network (CAN) has two transfer speeds.
- HS CAN (high speed) has a transfer rate of 500 kbit/s.
- MS CAN (Middle speed) has a transfer rate of 125 kbit/s.
1 kbit/s = 1024 bits per second (1 byte = 8 bits).
For serial communication (Volcano Lite) between a control module and a slave control module the transfer rate is 9.6 kbit/s.
Terminating resistor
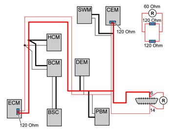
High-speed net HS CAN (High Speed), example
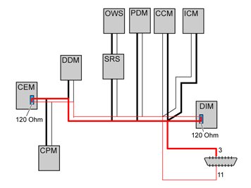
Middle speed net MS CAN (Middle Speed), example
To prevent electrical reflections and interference in the CAN-network, there are terminating resistors which bridge CAN H (High) and CAN L (Low), one at each end (main line) on both the high and middle-speed sides of the network. Each terminating resistor has a resistance of 120 ohm.
- For the HS CAN (High Speed) the terminating resistor is in the Central electronic module (CEM) and the engine control module (ECM).
- For MS CAN (Middle Speed) the terminating resistor is in the Central electronic module (CEM) and the Driver information module (DIM).
Resistance measurement of parallel circuit with terminating resistor
Both the terminating resistors create a parallel circuit The following resistors can be measured under specified conditions:
- When the control area network (CAN) is intact the resistance on each side of the network is approximately 60 ohm.
- In case of open circuits on the cables, so that 1 terminating resistor is not included in the circuit, the resistance in the net is approx. 120 ohm (only one main line is used).
- An open circuit on the cables to control modules located "outside" the measured circuit cannot be detected with this measurement.
- In case of short-circuiting between the communication cables, the resistance is approx. 0 ohm between the cables, regardless of where the short-circuiting is located.
Resistance measurement in high-speed net HS CAN (High Speed), example
Resistance measurement in middle-speed net MS CAN (Middle Speed), example