Curiosii for ever!: Car repair manuals for everyone.

Steering Wheel Module






Steering wheel module

Preparations

Note! Disconnect the battery lead.

Note! Wait three minutes before starting work.

Ignition on to turn the steering wheel to the correct position.

Removing the steering wheel module




Turn the steering wheel a 1/4 turn so that the two holes on the rear of the steering wheel are accessible.




Insert a screwdriver in the hole on the rear at right angles to the reverse of the steering wheel.
Put the screwdriver point against the top of the spring clip as illustrated.
Pry the screwdriver up against the upper edge of the hole (2) so that the point of the screwdriver presses down the catch (1) until the catch releases.
Turn the steering wheel a 1/2 turn in the opposite direction. Repeat the process on the other side.
Turn the steering wheel to the neutral position.
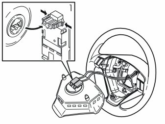
Fold out the steering wheel module.




Disconnect the two connectors (1) for the ignition cables in the airbag.
Remove the steering wheel module.

Installing the steering wheel module

Install:
In reverse order.

Note! Ensure that the wiring is not trapped during installation.

To adjust the steering wheel, see Adjustments