Curiosii for ever!: Car repair manuals for everyone.

Body Control Module



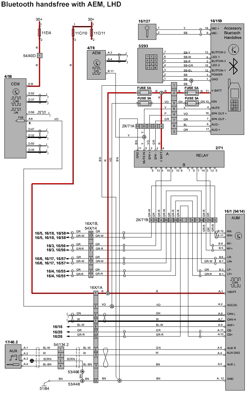
Bluetooth Handsfree With AEM, LHD


Bluetooth Handsfree With AEM, LHD:






Diagram Legend: Diagram Legend

Wire Color Code Identification and Other Abbreviations: Wire Color Code and Other Abbreviations

List of Components By Component Number: List of Components By Component Number