Curiosii for ever!: Car repair manuals for everyone.

Bushing Sub-Frame, Replacing

Bushing sub-frame, replacing

Special tools:
999 5575
999 5576
951 2564
999 7018
999 7070
999 5716
999 5460
999 5185

Note! As the illustrations in this service information are used for different model years and / or models, some variation may occur. However, the essential information in the illustrations is always correct.

Important information





Caution! The left-hand rear bushing on the sub-frame is a different version to the other three bushings. The hole in the center of the bushing is oval. The oval must be positioned front-rear with the car.

Hint:
Carry out work using 999 5575 together with 999 5576 or 951 2564.

Preparatory work

Applies only to diesels:

Remove the engine cover.





Applies only to six cylinder engines:





Install lifting lug 999 7018 on the left hand side of the engine at the 2 screws.

Lock the lifting lug using the catch.

Installing the lifting beams and lifting hooks on the engine lifting lugs.

Note! The front lifting beam must be equipped with the fixture kit 999 7070 as illustrated.

Position lifting beam 999 5716 on the wheel arch and directly above the engine lifting lug on the left and righthand sides.

Connect lifting hooks 999 5460 on the lifting lugs on the right-hand side of the engine with a clearance of 10 mm.

Applies only to the T6:

Also use lifting lug 999 5185 on the left-hand side of the engine.

Tighten to light contact on the left hand side.

Remove:
- the front wheels
- the splash guard under the engine.





Removing the skid plate





Remove the 6 screws.

Lift and slide the splash guard forward.

Remove the protective plate.





Note! There is a guide sleeve on the upper mounting for the plate. This must be lifted slightly so that the panel can be slid forward.

Removing components





Remove:
- the screw for the cable duct
- evacuation pipe mounting for the control module box from the sub-frame.





Removing the lower screw from the front engine pad

Remove the lower screw for the front engine pad.

Removing the lower torque rod





Remove 4 screws from the lower torque rod (A).

Applies only to diesels:





Remove the torque rod screws.

Removing the vibration damper (6-cylinder engines only)





Remove the four vibration damper screws. Counterhold the crankshaft central nut.

Remove:
- the vibration damper
- the auxiliaries belt.

Removing the screws for the right-hand engine mounting

Remove the screws holding the right-hand engine mounting in the engine.





Removing the nuts and screw for the steering gear





Remove:
- the four nuts and the screw holding the steering gear
- the nut (A), holding the lower half of the collision protection system. (Applies only to right-hand drive cars).

Removing the delivery line for the steering gear





Remove the delivery line for the steering gear from the snap fastener on the sub-frame. Remove any fuel line to the engine block heater.

Lowering the sub-frame





Remove and hang the engine block heater (if applicable) on the left front mounting for the sub-frame. Remove the fuel line for the engine block heater (if applicable) on the sub-frame from the snap fasteners. Position a lifting table under the sub-frame.

Apply the lifting table so that the load is taken off the sub-frame screws.

Remove the sub-frame screws together with the accompanying brackets and washers.

Carefully lower the sub-frame approximately 50 mm.

Note! Ensure that the steering gear screws release from the sub-frame.





Remove the bracket for the heated oxygen sensor (HO2S) from the sub-frame (does not apply to diesel cars).

Remove the heated oxygen sensor (HO2S) wiring from the right hand side of the sub-frame (applies only to 6-cylinder engines only, not diesels).

Lower the sub-frame a further 40 mm.

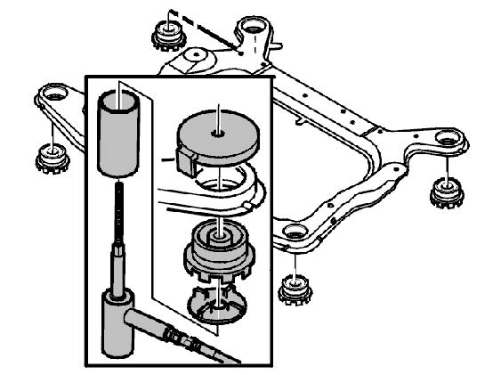
Pressing out the bushings
Install the hydraulic tool and press sleeve as illustrated.

Press the bushings out of the subframe, see the following illustration.

Note! Use any of tools 999 5575, 999 5576 and 951 2564.





Marking for the bushing on the sub-frame





Clean the hole for the bushing in the sub-frame.

Press out the bushing by hand.

Caution! The markings on the bushing and sub-frame must be positioned opposite each other.

Marking the left-hand rear bushing





Note! The left-hand rear bushing on the sub-frame is a different version to the other three bushings. The hole in the center of the bushing is oval. The oval must be positioned lengthways to the car, as illustrated.

Caution! The markings on the bushing and sub-frame must be positioned opposite each other.

Pressing in the bushings
Install the hydraulic tool and press sleeve as illustrated.





Press the bushings into the subframe, see the following illustration.





Note! Use any of tools 999 5575, 999 5576 and 951 2564.

Installing the wiring for the heated oxygen sensor (HO2S)





Lift up the sub-frame slightly (approximately 50 mm from the car body).

Install the bracket for the heated oxygen sensor (HO2S) on the subframe (does not apply to diesels).

Install the heated oxygen sensor (HO2S) wiring on the right hand side of the sub-frame (applies to 6- cylinder engines only).

Lifting the sub-frame





Lift the sub-frame up completely. At the same time locate the mounting screws for the steering gear on the sub-frame and, on right-hand drive cars, the screw for the collision protection system. Loosely install the sub-frame brackets together with the washers. Install the four screws for the subframe. Use new screws. Do not tighten yet.

First tighten the screws on the left side of the sub-frame. Tighten to 105 Nm. Angle tighten to 120°. Then tighten the right-hand side to the same values as the left-hand side.

Finally tighten the bracket screws. Tighten to 50 Nm. Install the engine block heater (if applicable) on the left front mounting for the sub-frame.

Caution! Tighten the left-hand side first. The sub-frame guides are on the left-hand side.

Installing the nuts and screw for the steering gear





Install the four nuts and the screw holding the steering gear. Use new nuts and a new screw. Tighten to 50 Nm.

Applies to right-hand drive cars:

Install nut (A), holding the lower half of the collision protection. Tighten to 50 Nm.

Installing the delivery line from the steering gear
Install the delivery line from the steering gear on the mountings on the sub-frame. Install any fuel line for the engine block heater.





Installing the screws for the engine mounting to the engine





Reinstall the screws holding the engine mounting to the engine. Tighten to 35 Nm. Angle-tighten 90°.

Note! Use new screws.

Installing the vibration damper (6-cylinder engines only)
Install the vibration damper using new screws. Tighten to 35 Nm.

Angle-tighten 50°.

Use the crankshaft center nut as a counterhold.





Tightening the screws for the lower torque rod





Tighten the 4 screws (A) for the lower torque rod. Tighten to 50 Nm.

Applies only to diesels:





Install the torque rod screws. Tighten the screws. Tighten to 35 Nm. Angle-tighten 40°.

Installing the screw for the front engine pad

Install the front engine pad screw.

Tighten to 50 Nm.





Installing the protective cover
Install the splashguard under the engine.





Removing lifting tools
Remove:
- lifting tool 999 5716 with supplementary kit 999 7070
- lifting hooks 999 5460.

Applies only to the T6:

Remove:
- lifting lug 999 5185
- lifting lug 999 7018.

Finishing
Install the wheels. See Installing wheels.

Only applies to diesel engines:

Install the engine cover.