Curiosii for ever!: Car repair manuals for everyone.

Specifications, Mechanical






Specifications

Note! The illustrations in this service information are used for different model years and/or models. Some variation may occur. However, the essential information in the illustrations is always correct.

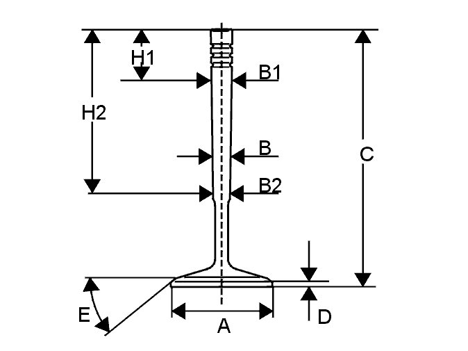
Valves




Inlet.31.00 ± 0.15 mm
Exhaust.27.00± 0.15 mm
Inlet (early versions).6.970 +0/-0.015mm
Inlet (late versions).5.970 +0/-0.015mm





Inlet.102.00 ± 0.07 mm
Exhaust.101.05 ± 0.07 mm
Inlet and exhaust.1.50 mm
Minimum height after grinding.1.20 mm
Inlet/exhaust.44.5°




Valve stem height.48.4± 0.5 mm
Maximum machining of the valve stem.0.5 mm

Valve seats










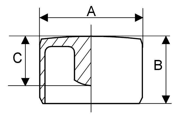
Tappets




Tappets, dimensions
External diameter (A).32.000 +0.025/-0.041 mm
External height (B).26.0± 0.5 mm
Solid valve lifter shaft length (C)
15.96 mm at 0.02 mm intervals up to 16.16 mm. The dimensions are listed on the inside of each valve lifter.

Valve springs
Length.45.1 +1.5/-0.5
Type.Conical

Valve guides




Inlet and exhaust.0.03-0.06 mm
Inlet and exhaust.0.15 mm

Camshafts






Cylinder head




Front-rear.0.50 mm
Lateral.0.20 mm
Cylinder head height.129.00± 0.05 mm
Maximum machining.0.30 mm

Caution! Reworking of scratches and corrosion on the cylinder head's gasket face against the engine block should only be performed on a flat cylinder head.