Leak Diagnostics, Improved Version (2002-)
Leak diagnostics, improved version (2002-)
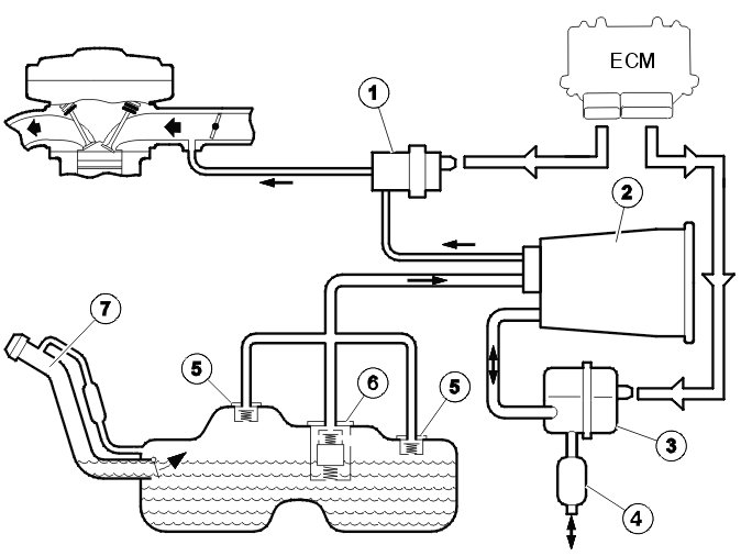
All gases that evaporate from fuel in the fuel tank must be led to and stored in the evaporative emission system (EVAP) canister so that they can be directed into the engine for combustion. In order to detect leakages which cause evaporation of gases into the air, the fuel tank system is diagnosed for leakage. The fuel tank system consists of:
- fuel tank
- the EVAP canister purge valve (1)
- EVAP canister (2)
- leak diagnostic unit (3)
- air cleaner (ACL) (4)
- Roll-over valve (5)
- Float Limit Vent Valve (6)
- fuel filler pipe (7)
- all lines between the above components.
The fuel tank system has a leak diagnostic unit to diagnose any leakage. The leak diagnostic unit pressurizes the fuel tank system when the conditions for leak diagnostics are met.
The control module can detect faults in the function of the leak diagnostic unit and leakage that is 0.5 mm or greater. Minor leak; leakage greater than 0.5 mm but less than 1.0 mm. Major leak; leakage greater than 1.0 mm.
The leak diagnostic unit consists of a pump and a valve that controls the air flow in the unit. The Engine control module (ECM) checks for leakage in the fuel tank system by measuring the relationship between reached pressure and flow from the leak diagnostic pump during pressurization.
If a certain pressure is not reached with a predetermined supplied flow (with known mass), the Engine control module (ECM) interprets this as a leak from the fuel tank system.
Leak diagnostics starts in normal operation when specific conditions are met, see below. The diagnostics can also be started on command using VIDA when some of these conditions are ignored.
Conditions for diagnosis
The diagnosis begins when all the following conditions are met.
Note: When diagnostics are started on command using VIDA, certain different conditions apply. See relevant information about these, available with starting Quick test fuel tank system.
- No diagnostic trouble codes (DTCs) for EVAP valve or atmospheric pressure sensor may be stored.
- The engine is switched off until the engine coolant temperature (ECT) has fallen to a few degrees above the outside temperature, then engine running for at least 10 minutes
- Ignition off
- Vehicle speed 0 km/h.
- Engine coolant temperature (ECT) 4-35°C.
- Maximum altitude of 2500 meters above sea level
- Outside temperature 4-35 °C.
- Fuel volume in the tank between 0-85 %. The engine control module (ECM) ignores these parameters if a diagnostic trouble code (DTC) is stored for the fuel level sensor and the fuel volume cannot be determined.
- Battery voltage between 11-15 V. The voltage must be stable.
- EVAP canister purge valve closed
- Low volume in the canister.
- Fuel tank filler cap locked. Tip. Locking occurs when the vehicle speed exceeds approximately 20 km/h.
Diagnostic phases
The diagnostic is divided into the following phases and is carried out in sequence when all conditions for the diagnostic have been met.
- reference phase
- function test
- checking the fuel tank system
Reference phase
Before the leak diagnostic begins, the control module runs a reference phase for leakage. During the reference phases for leakage that is 0.5 mm, the pump in the leak diagnostic unit pumps ambient air through a 0.5 mm hole and back out to the ambient air. At the same time, the pump in the leak diagnostic unit is monitored and the reference values stored for later use to determine whether the tank system is leaking or not.
If a reference value for the pump is outside its unexpectedly high or low, or deviates too much, diagnostics is cancelled and a DTC is stored.
Function test
After the reference phase, the valve in the leak diagnostic unit is activated and controls the air flow to the fuel tank to pressurize the fuel tank system. This change of air flow will cause the load the pump to fall briefly before the pressure builds up in the fuel tank system. If the load does not change within permitted parameters within a permitted time, diagnostics is cancelled and a DTC is stored.
Checking the tank system, major leak (leak greater than 1.0 mm)
Diagnostics are carried out every time conditions for diagnostics are met.
The leak diagnostic unit pressurizes the fuel tank system and checks for leaks by monitoring the pressure the fuel tank system. The pressure is a calculated pressure, calculated using the measured pump power consumption. If the pressure stabilizes and/or does not exceed 1500 Pa within 450 seconds, this is interpreted as a leak from the fuel tank system. Diagnostics are cancelled and a DTC for major leak is stored.
Checking the fuel tank system, minor leak (leakage greater than 0.5 mm but less than 1.0 mm)
The diagnostic for minor leaks is run every other time that the conditions for the diagnostic are met. Otherwise diagnostics stop after checking for major leaks.
The leak diagnostic unit continues to pressurize the fuel tank system. The Engine control module (ECM) checks for leakage in the fuel tank system by measuring the relationship between reached pressure and flow from the leak diagnostic pump during pressurization. In a sealed system the relationship between these must be linear. Any deviations from the linear relationship are calculated and used to determine how well sealed the tank system is.
A diagnostic trouble code (DTC) is stored if a minor leak is detected within 15 minutes.