Curiosii for ever!: Car repair manuals for everyone.

Rear Subframe: Service and Repair






Sub-frame rear, replacing

Special tools:
999 5659 Tension caliper 999 5659 Tension Caliper

Removing the sub-frame

Preparations
Raise the car.

Note! Lift the sill edges so that the rear axle is free.





Remove
- the wheels
- the mounting screws for the brake caliper
- the ABS sensor
- The mountings for the ABS line. Hang up the line and the brake caliper. Use a piece of wire
- the screw for the bracket for the brake pipe on the sub-frame
- the locating pin for the brake disc
- the brake disc.




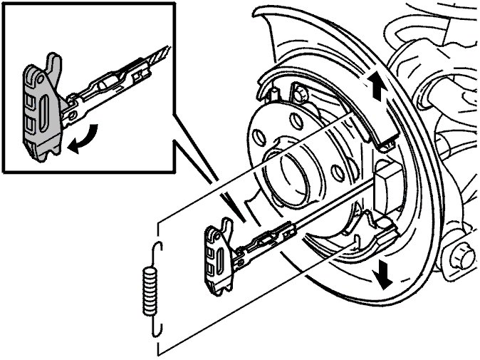
- the return spring at the expander
- the expander. Lift the brake shoe slightly.
Unhook the expander (1) from the mounting for the mechanical cable.




- the guide sleeve for the cable sleeve. Apply a screwdriver between the guide sleeve lug and wheel arch. Pry apart slightly to remove the sleeve.




- the parking brake cable from the tie rod and sub-frame
- the exhaust system. See Exhaust system, replacing
- the springs and shock absorbers. See Spring rear, replacing Spring Rear, Replacing.




- EVAP canister screw.

Note! The canister hangs in the bodywork when the sub-frame is lowered.





Remove
- the plastic nut for the fender liner. Bend the fender liner out of the way.
Drill out the heat deflector plate rivet on the sub-frame left rear bushing.

Remove the sub-frame




Position a lifting table under the sub-frame.

Remove
- the four sub-frame mountings
- the sub-frame brackets screws
- the brake hose mounting stays from mountings on the brackets
- the brake pipes from the plastic clips on the brackets.

Note! Remove the fuel filter bracket on the right bracket.

Carefully lower the sub-frame.

Remove components from the sub-frame





Note! The lateral link, tie rod, lower control arm and wheel spindle are removed from the sub-frame as one unit.

Remove
- the lateral links from the sub-frame
- the tie rods
- the wheel spindle from the upper control arm
- the anti-roll bar control arms from the upper control arm
- the anti-roll bar from the sub-frame.

Installing the sub-frame

Install components on the sub-frame

Note! To ensure that there is no exhaust leakage, see: Flanged joint, assembling Service and Repair.





Install
- the upper control arm. See Installing the upper control arm Installing the Upper Control Arm
- the anti-roll bar on the new sub-frame. Tighten to 80 Nm.





Note! Lateral link, tie rod, lower control arm and wheel spindle are installed on the new sub-frame as one unit.

Install
- the wheel spindle to the upper control arm. Do not tighten so hard that the toothed segment goes into the bushing on the wheel unit
- the lateral links on the sub-frame. Finger tighten
- tie rods on the sub-frame. Finger tighten
- the lower control arm on the sub-frame. Finger tighten.




Press the control arm to the normal position using a mobile jack. See Normal position Procedures.
- Install a M12x70 mm screw and nut in the hole for the anti-roll bar on the control arm, to assist when measuring
- Check the height measurement on the control arm. If necessary adjust the height measurement using a tie strap
- Tighten the wheel spindle to the upper control arm. Tighten to 50 Nm
- Install anti-roll bar control arms to the upper control arm. Tighten to 80 Nm.

Note! Counterhold the ball joint so as not to damage the boot.

Reinstall the sub-frame




Hint: Make up two centering sleeves which are then placed on the rear mountings for the sub-frame. This will make it easier to center the rear suspension. Measured at the centering sleeves A=20mm, B=13mm, C=50mm.

Place the sub-frame on a lifting table.
- Lift up the sub-frame enough to be able to install the EVAP canister. Tighten to 25 Nm
- Lift the sub-frame up completely to the bodywork.
Release the lower control arms from the sub-frame.

Note! Ensure that the brake pipes are not crimped at the sub-frame mountings.





Install
- the brake line mounting stays on the sub-frame bracket. Tighten to 25 Nm
- the brake pipe in the clips on the sub-frame brackets.




Note! Use newscrews for the sub-frame mountings.

- Slide up the centering sleeves in the two rear mountings on the sub-frame
- Install the screw. Tighten lightly
- Install the screws for the front mountings on the sub-frame. Install the screws through the brackets
- Install the screw for the brackets
- Tighten all the front mountings. Tighten to 80 Nm
- Remove the screw for the rear mountings on the sub-frame. Remove the centering sleeves
- Install the screws for the rear mountings on the sub-frame. Tighten to 80 Nm
- Install the fuel filter and holder on the right bracket. Tighten to 25 Nm.
Remove the lifting table.

Finishing




- Pop rivet the heat deflector for the exhaust pipe into the left rear mounting on the sub-frame
- Install the fender liner. Tighten the fender liner with the plastic nut.





Install
- the parking brake cable mounting in the sub-frame. Tighten to 25 Nm
- the mounting for parking brake cable on the tie rod
- the exhaust system. See Exhaust system, replacing
- the springs and shock absorbers. See Spring rear, replacing Spring Rear, Replacing.

Note! At the same time, tighten the tie rods and lateral links to the sub-frame. Tighten to 80 Nm.Use tensioner 999 5659 Tension caliper 999 5659 Tension Caliper




Press the cable sleeve guide sleeve into place in the mounting.





Install
- the expander on the mounting for the mechanical cable
- the expander between the brake shoes
- the return spring.
Check the function.





Install
- the brake disc and the locating pin. Tighten to 10 Nm
- the brake caliper. Use new screws. Tighten to 60 Nm
- the ABS sensor. Tighten to 10 Nm.
- the ABS line on the holder on the wheel spindle.
- the wheels. See Installing wheels Service and Repair.
Align the wheels. See Wheel alignment, checking / adjusting Service and Repair.