Curiosii for ever!: Car repair manuals for everyone.

Cruise Control: Service and Repair












Cruise control






































INTRODUCTION
- NOTE! Read through the whole installation instruction before starting the work.
- The front page gives the date of this edition and the edition it replaces
- The second page shows the tools needed for the installation and the contents of the installation kit
- The illustrations display the procedure in order of operation. The order of operation is repeated in the text section
- Cut out the text page in order to follow the illustrations and text at the same time.






Cars equipped with SRS/SIPS (Airbag)

Warning! Extra care must be taken when working on cars equipped with SRS/SIPS air bags. This is important to prevent:1. Personal injury2. Damage to or malfunction of the SRS/SIPS system.Work on the SRS/SIPS systems or related components must always be carried out by an authorized Volvo workshop.

Is the car equipped with SRS (supplemental restraint system)?
Cars equipped with a driver's airbag have the letters "SRS" imprinted on the centre panel of the steering wheel. Cars equipped with driver's and passenger airbags are marked with "SRS" on both the steering wheel centre panel and also on the dashboard close to the airbag.
If the car is equipped with SIPS (side impact protection system ) a "SIPS" decal is marked on both the front seats.
Cars equipped with inflatable curtains have the marking "SRS" on one of the panels along the posts on the inside of the car.
Cars equipped with SRS (supplemental restraint system) also have an "SRS" decal on the front windscreen.

Warning! The air bag inflation areas must not be obstructed. Never place any objects, such as upholstery or accessories, within these areas. The panels must be able to open in the correct manner at the right time, otherwise there is an increased risk of personal injury in the event of a collision.

Do not damage the SRS wiring!
Do not trap, chafe, pierce or damage the SRS wiring. SRS wiring has orange casing and/or is plaited.

Steering and front suspension
The contact reel in the SRS system can easily be damaged when working on the steering wheel, steering shaft or steering gear. Refer to the SRS (supplemental restraint system) service instructions for information on carrying out such work. This is to prevent damage.

SRS warning lamp
If the SRS warning lamp lights after repairs have been carried out, take the car to an authorized Volvo workshop.






Supplemental restraint system module, SRS

C30/S40(04-)/V50/S60/XC60/C70(06-)/V70/XC70/S80/XC90
The supplemental restraint system module (SRS) is located on the tunnel under the centre console, in front of the parking brake.






Warning! The ignition must be in position "0" and the key removed from the ignition switch if any connector in the SRS system is to be unplugged. Then wait at least three minutes and disconnect the battery negative lead before unplugging any of the connectors. When work is completed, the ignition key must be turned to position "II" before reconnecting the battery negative lead.






Cruise control

Removal




- Turn the ignition key to position 0. Leave the key in the ignition switch.
- Disconnect the battery negative lead.

Note! Wait at least five minutes before disassembling the connectors or removing other electrical equipment.




- Turn the steering wheel a quarter turn so that the holes on the reverse of the steering wheel are accessible.




- Insert a screwdriver in the hole (2) on the reverse of the steering wheel, at right angles to the rear surface of the steering wheel. Insert the screwdriver as far as possible to determine the position of the end of the spring clip (1).
- Position the end of the screwdriver on the top of the spring clip as illustrated.
- Pry the screwdriver upwards towards the upper edge of the hole (2) so that the end of the screwdriver presses the spring clip down (1) until one side of the steering wheel module springs out and releases from the mounting.
- Turn the steering wheel a half turn in the opposite direction. Carry out the same operation on the other side.
- Turn the steering wheel to the neutral position. Remove the ignition key from the ignition switch.




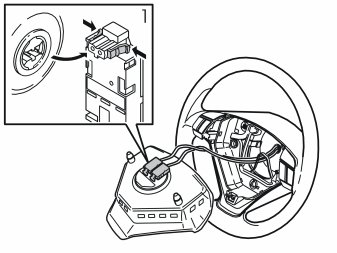
- Fold the steering wheel module out.
- Remove the two connectors (1) for the ignition cables for the airbag. First press in the catches on the sides. Then pull the connectors straight out.

Note! The connectors are tightly secured. However, tools must not be used when removing.

- Place the steering wheel module to one side.

Note! Position the steering wheel module with the front upwards in a secure position while carrying out the work.




- Remove the left keypad from the steering wheel by carefully prying it off using a plastic weatherstrip tool. Twist the weatherstrip tool to pry out the keypad. It is firmly held in place by three lugs in the steering wheel, so some force is required to remove it.

Installation





Applies to vehicles with pre-drawn wiring harness
- Remove the connector of the keypad dummy. Put the dummy aside. It will no longer be used.
- Take the new keypad from the kit. Plug in the connector and press the keypad into the steering wheel.





Applies to vehicles without pre-drawn wiring harness
- Remove the right-hand keypad the same way as the left. This will no longer be used.





Applies to vehicles without pre-drawn wiring harness
- Unplug the green connectors (1) from one another and disconnect the fixed connector from the horn.
- Remove the cable terminal (2) from the horn.
- Remove the ground cable (3) from the steering wheel.
- Remove the detached wiring and put it aside. It will no longer be used.
- Remove the three screws (4) and lift the horn out.





Applies to vehicles without pre-drawn wiring harness
- Take the wiring harness from the kit and position it in the steering wheel with the grey (GR) cable to the right and the white (W) cable to the left as illustrated.
- Press the cables into the grooves in the bottom of the steering wheel.
- Secure the ground cable (1) in the steering wheel.





Applies to vehicles without pre-drawn wiring harness
- Check that the three springs underneath the horn are in position.
- Reinstall the horn in the steering wheel.
- Install the three screws (1) in the horn. Tighten the screws crosswise. Tighten to 8±2 Nm (6±1.5 lbf.ft.).

Note! The screws are self-tapping, which may make them difficult to screw in.

- Check the function of the horn by press the horn around its entire circumference. A metallic noise should be heard when the three contact points come into contact.
- Connect the green (GR) connectors (2) to one another and fit them in the horn.
- Refit the cable terminal (3) to the horn.
- Plug in the connectors to the keypad on the left-hand side and the dummy on the right-hand side.
- Press the keypad and dummy into the steering wheel.





Applies to all models
- Check that the two springs (1) are in position.
- Make sure that the ignition cables are positioned in the rubber clamp.
- Press the two connectors for the ignition cables for the airbag into the steering wheel module.
- Insert the two lugs on the reverse of the steering wheel module in the two springs. Ensure that the ignition cables are unrestricted.
- Press the steering wheel module into the mountings. (Two clicks should be heard).




- Insert the key in the ignition and turn to position "II".
- Reconnect the battery negative lead.
- Programme the software in accordance with the service information in VIDA.