Curiosii for ever!: Car repair manuals for everyone.

Rear Subframe: Service and Repair






Sub-frame rear, replacing

Special tools:
999 5500 Socket Upper Nut Rear Shock Absorber 999 5500 Socket Upper Nut Rear Shock Absorber
951 2923 Hydraulic hole cylinder 951 2923 Hydraulic Hole Cylinder
999 7030 Mounting bracket bushing replace 999 7030 Mounting Bracket Bushing Replace
999 7031 Locating pin 999 7031 Locating Pin
999 7039 Connecting rod M16X360 999 7039 Connecting Rod M16X360
998 5434 Separator L 200 mm 998 5434 Separator L 200 mm
999 7074 Adapter plate 999 7074 Adapter Plate
999 5659 Tension caliper 999 5659 Tension Caliper

Note! As the illustrations in this service information are used for different model years and/or models, some variation may occur. However, the essential information in the illustrations is always correct.

Removal

Preparatory work
Reassemble and lock the self-adjuster unit for the parking brake. See Parking brake self-adjustment, resetting Parking Brake Self-Adjustment, Resetting.
Raise the car.
Remove the wheels.

Removing the exhaust system




Start at the front when separating the three-way catalytic converter (TWC).
Hang up the three-way catalytic converter (TWC) on a hook.

Remove:
- the mountings in the sub-frame
- the rearmost exhaust mounting
- the screws for the bracket.

Removing the spring
Install tensioner999 5659 Tension caliper 999 5659 Tension Caliper. See Tensioner 999 5659, User instructions User Instructions.

Note! The tensioner must be positioned as far out as possible on the tensioner plates to provide the correct lifting force.

Press the tensioner up approximately 25mm from the normal position.
Remove the screw from the lower mounting for the shock absorber.





Remove:
- the inner and outer screws for the tie rod
- the tie rod (1)
- the anti-roll bar link from the anti-roll bar (3). Use a Torx wrench as a counterhold so that the boot is not damaged
- the screws for the lateral link (4)
- the lateral link
- the screw for the control arm in the wheel spindle (2).
Lower the control arm with the tensioner. The spring is now unloaded.
Remove tensioner999 5659 Tension caliper 999 5659 Tension Caliper. See Tensioner 999 5659, User instructions User Instructions.
Press the control arm down by hand.

Remove:
- the spring
- the screw for the inner mounting for the control arm in the sub-frame
- the control arm.

Removing brake components





Remove:
- the sliding pin for the brake caliper
- the brake pads
- the brake caliper, hang the brake caliper on a hook in the sub-frame
- the screw for the ABS sensor
- the ABS sensor
- the ABS line on the wheel spindle.





Remove:
- the screws for the brake caliper holder (4)
- the brake caliper holder
- the screw for the brake disc (5)
- the brake disc.





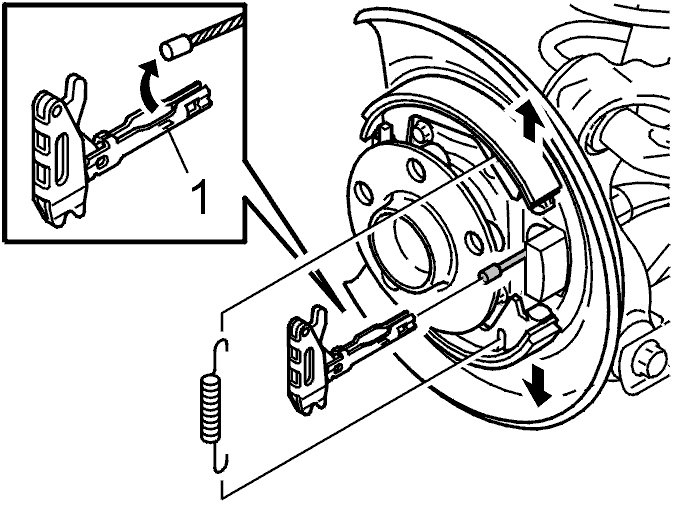
Remove:
- the return spring at the expander
- the expander.
Lift the brake shoe slightly. Grip the expander and pull it outwards to access the cable.
Unhook or pry apart the expander (1) by the mechanical cable to remove it.




Remove the guide sleeve for the cable sleeve. Apply a screwdriver between the guide sleeve lug and wheel arch. Pry apart slightly to remove the sleeve.

Lowering the sub-frame




Position a lifting table under the sub-frame.
Install the lifting table so that the load is taken off the sub-frame screws. Remove the bracket for the fuel pre-filter and brake pipes. Remove the sub-frame screws with the accompanying washers and brackets. Carefully lower the sub-frame approximately 100 mm.

Remove:
- the pressure pump
- the hose for the carbon filter container
- the plastic clips.
Lower the sub-frame.

Removing the shock absorber
Remove the upper shock absorber nut. Use socket 999 5500 SOCKET UPPER NUT REAR SHOCK ABSORBER 999 5500 Socket Upper Nut Rear Shock Absorber and a Torx wrench as a counterhold.





Remove:
- the screw for the carbon filter container
- the carbon filter container
- the screws for the cover on the rear axle member
- the rear axle member cover.




Slacken off the screw for the outer control arm mounting three turns.
Use tool: hydraulic hole cylinder 951 2923 Hydraulic hole cylinder 951 2923 Hydraulic Hole Cylinder , locating pin999 7031 Locating pin 999 7031 Locating Pin and mounting bracket 999 7030 Mounting bracket bushing replace 999 7030 Mounting Bracket Bushing Replace together with threaded rod 999 7039 Connecting rod M16X360 999 7039 Connecting Rod M16X360.
Press off the wheel spindle.

Remove:
- the screw
- wheel spindle.

Note! Only press until the bushing releases from the splined area.




Remove the 2 screws for the inner front control arm mounting.
Slacken off the screw three turns for the inner rear control arm mounting. Use puller 998 5434 SEPARATOR L 200 MM 998 5434 Separator L 200 mm with counterhold 999 7074 Adapter plate 999 7074 Adapter Plate.

Note! Only press until the bushing releases from the splined area.

Remove the screw.

Remove:
- the upper control arm
- the 4 screws for the anti-roll bar
- the anti-roll bar.

Installation

Tightening torque
For tightening torques, see Specifications [1][2]Specifications.

Installing the sub-frame

Install:
- the anti-roll bar
- the 4 M10 screws for the anti-roll bar in the sub-frame.

Installing the shock absorber
Raise the new shock absorber to the upper mounting.
Install the new nut. Tighten. See Tightening torque [1][2]Specifications.

Note! Ensure that the bushing seats correctly in the opening in the rear suspension.

Install:
- the sub-frame
- the M12 screws for the sub-frame cover
- the carbon filter container
- the M6 screws for the carbon filter container.

Installing the upper control arm

Install:
- the screws for the rear control arm mounting. Only tighten a few turns
- the front upper control arm mounting using an M12 screw.

Installing the wheel spindle
Install the screw on the outer control arm mounting in the wheel spindle. Only tighten a few turns.

Lifting the sub-frame
Lift up the sub-frame approximately 100 mm from the upper position.

Install:
- the clamp for the pressure pump hose
- the pressure pump on the bracket
- the plastic clips.
Raise the sub-frame to the upper position.

Install:
- the bracket for the fuel filter using an M6 screw
- the bracket for the brake pipes using an M6 screw
- the M6 screws for the bracket for the sub-frame front mounting
- the 4 M12 screws for the sub-frame.
For tightening torques, see Specifications [1][2]Specifications.

Installing the spring





Install:
- the lower control arm
- the screw for the lower control arm on the sub-frame. Finger tighten
- the spring.
Press up the control arm by hand.
Install the screw on the control arm in the wheel spindle. Finger tighten.

Note! Check that the spring is correctly installed in the lower spring seat.

Install:
- the parking brake cable
- the expander
- the spring for the parking brake shoes
- the brake disc
- the 1 M6 screw for the brake disc
- the ABS sensor using an M6 screw
- the ABS line on the wheel spindle and the lateral link.

Installing the brake caliper

Install:
- the brake caliper holder
- the sliding pin for the brake caliper. Tighten. See Tightening torque Tightening Torque
- the brake pads.
Install tensioner999 5659 Tension caliper 999 5659 Tension Caliper. See Tensioner 999 5659, User instructions User Instructions.
Press the tensioner up approximately 25mm from the normal position.

Note! The tensioner must be positioned as far out as possible on the tensioner plates to provide the correct lifting force.

Install the screw for the lower mounting for the shock absorber. Finger tighten.
Press the control arms up into the normal position.

Tighten (lower control arm):
- the lower control arm in the wheel spindle using an M12 screw
- the lower inner control arm mounting in the sub-frame using an M12 screw
- the lower mounting for the shock absorber using an M12 screw.

Tighten:
- the M12 screws for the lateral link
- the M12 screws for the tie rod
- the anti-roll bar link for the anti-roll bar using an M12 screw.
Use a Torx wrench as a counterhold so that the boot is not damaged.

Tighten (upper control arm):
- the rear upper control arm mounting using an M12 screw
- the upper control arm mounting in the wheel spindle using an M12 screw.

Installing the exhaust system
Install the exhaust system. See Service and Repair

Finishing
Remove tensioner999 5659 Tension caliper 999 5659 Tension Caliper. See Tensioner 999 5659, User instructions User Instructions.
Install the wheel. See Installing wheels Service and Repair.
Activate the self adjuster for the parking brake. See Parking brake self-adjustment, resetting Parking Brake Self-Adjustment, Resetting.
Align the wheels. See Wheel alignment, checking / adjusting Service and Repair.