Curiosii for ever!
: Car repair manuals for everyone.
Home
>>
Volvo
>>
2005
>>
S40 L5-2.4L VIN 38 B5244S4
>>
Repair and Diagnosis
>>
Starting and Charging
>>
Starting System
>>
Diagrams
>>
Electrical Diagrams
>>
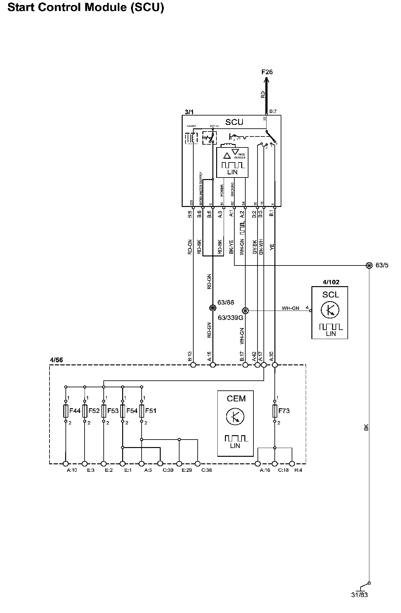
Start Control Module (SCU)
Start Control Module (SCU)
Start Control Module (SCU)
Start Control Module (SCU):
Diagram Legend:
Diagram Legend
Wire Color Code Identification and Other Abbreviations:
Wire Color Code Identification and Other Abbreviations