Curiosii for ever!: Car repair manuals for everyone.

How to Use the Wiring Diagrams



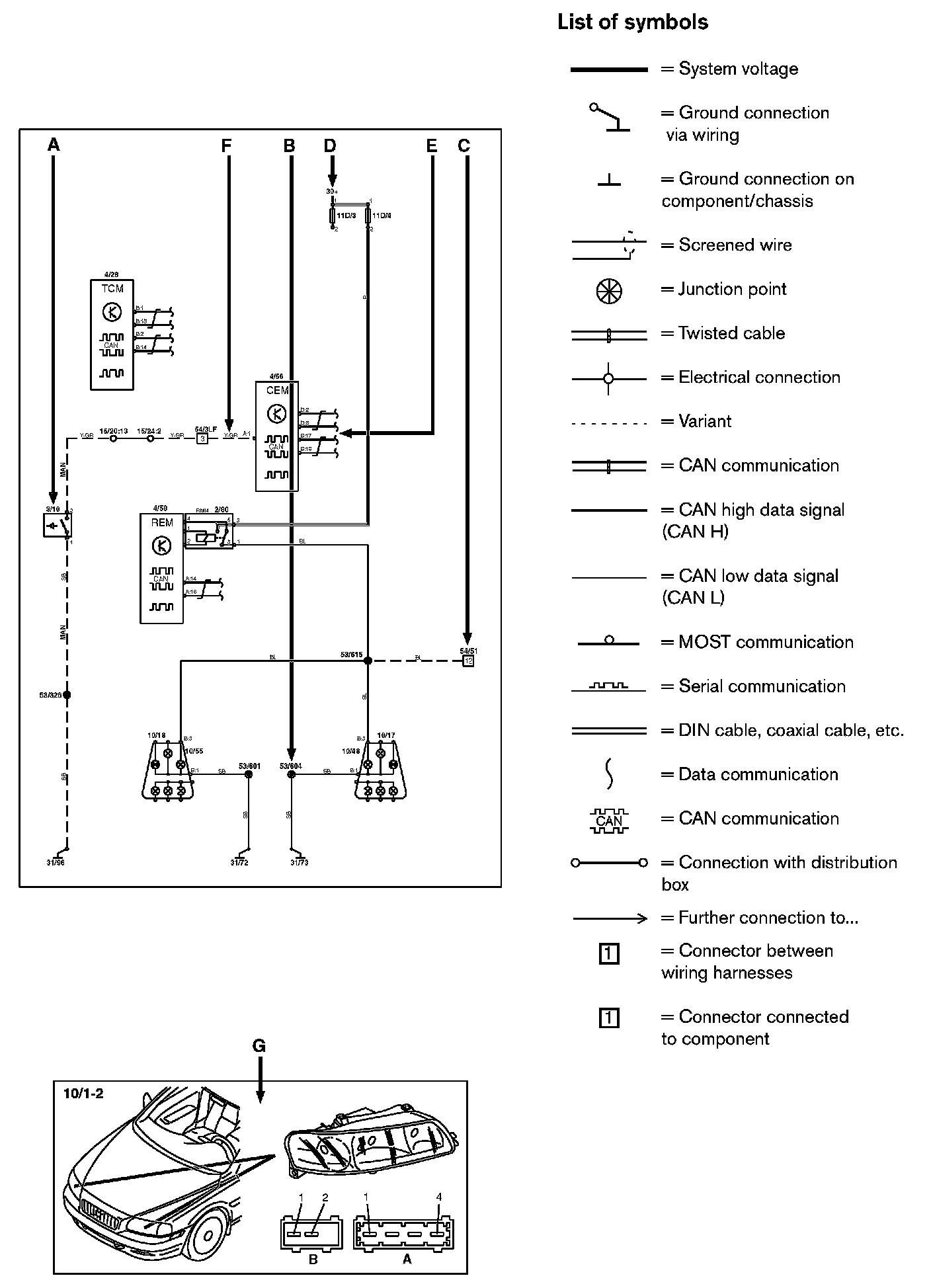
How to use the wiring diagrams







The descriptions below apply in general to all wiring diagrams, although not all sections are necessarily contained here.

A. Component Designation

Every component has a component designation that consists of two parts.

The first part is a type number that describes the type of component in question, for example 3/xx.

The second part of the designation is a serial number, for example, x/2.

Combined these give a component designation, for example, 3/2.

At the end there is a list of components where, with the help of the component designation, you can read off the name of the component, for example, 3/2 = light switch. Diagram Legend

List of type numbers

The list shows which type of component that respective type numbers refer to, for example, 3/x = switch, 6/x = electric motor, etc.

1 Battery
2 Relay
3 Switch
4 Control module
5 Combined instrument panel
6 Electric motor
7 Sensor
8 Actuator
9 Heating element
10 Light
11 Fuse
15 Electrical distribution rail/box
16 Audio
17 Service/diagnostics
18 Contact reel
19 Meter
20 Ignition component/shunt
26 Converter
27 Optics
31 Ground connection
53 Junction point
54 Connector

B. Junction Points

The wiring diagrams contain numbered junction points, e.g. 53/352.

This information contains a section with a list of junction points. This list shows all the components which are connected to each junction point.

The location of the junction points is shown in the "Cable harness routing in the vehicle".

C. Connectors
Connectors provide a bridge between two cables harnesses and are described in the "Connector Views". Connector Views

D. Electrical distribution
Operation of the fuses and relays is shown in the "Electrical distribution". Electrical Diagrams

E. Data communication
Today's cars are equipped with a CAN network, which transmits information. Connections to this network are shown in their entirety on the respective wiring diagrams. Complete information on CAN communication can be found in "Data communication".

F. Abbreviations
A number of different abbreviations are used in the diagrams. These are explained in "Wire Color Code Identification Identification and Other Abbreviations". Wire Color Code and Other Abbreviations

G. Component location
The appearance and location of components is described in alphabetical order in "Component Locations". Component Locations