Curiosii for ever!: Car repair manuals for everyone.

Specifications, Mechanical






Specifications

Note! The illustrations in this service information are used for different model years and / or models. Therefore there may be some variation. However, the essential information in the illustrations is always correct.

Engine manufacture number, engine serial number and type





The engine serial number and type are stamped on the left side of the cylinder block at the top of the mounting for the water pump.
There is also a decal on the timing cover with the engine type, manufacture number and serial number.

Classification of main bearings





The marking is stamped on the cylinder block and crankshaft.






General data






Cylinder block









(1) The bore classification is stamped on top of the engine block.
Example: 1CCDDEE Is read as follows: Cylinder 1=C; Cylinder 2=C; Cylinder 3=D; Cylinder 4=D; Cylinder 5 =E; Cylinder 6=E.

Pistons









(1) The classification is marked on the top of the piston.










Piston rings




Upper compression ring 0.030-0.070 mm
Lower compression ring 0.030-0.070 mm
Oil control ring assembly 0.038-0.142 mm
Upper 1.200 -0.010/-0.030mm
Lower 1.500 -0.010/-0.030mm
Spring 1.510 ± 0.020 mm
Rail 0.460 ± 0.011 mm
B6284T
Diameter 23.000 ± 0.004 mm
Length 61.000 ± 0.200 mm
B6294S
Diameter 21.000 ± 0.004 mm
Length 57.000 ± 0.200 mm

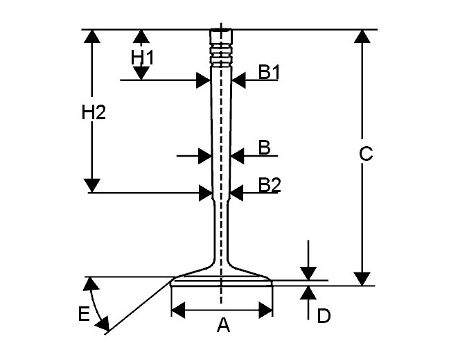
Valves




B6284T
Inlet 31.00 ± 0.15 mm
Exhaust 27.00 ± 0.15 mm
B6294S
Inlet 32.00 ± 0.15 mm
Exhaust 27.00 ± 0.15 mm
B6284T
Inlet (early versions) 6.970 ± 0.015 mm
Inlet (late versions) 5.970 ± 0.015 mm
B6294S
Inlet (early versions) 6.963 ± 0.007 mm
Inlet (late versions) 5.970 ± 0.015 mm
B6284T
Exhaust (early versions)
H1 = 22.7 mm. B1 = 6.962 ± 0.007 mm
H2 = 65.1 mm. B2 = 6.954 ± 0.007 mm
Exhaust (late versions)
H1 = 22.7 mm. B1 = 5.962 ± 0.007 mm
H2 = 65.1 mm B2 = 5.954 ± 0.007 mm
B6294S
Exhaust (early versions, alternative 1)
H1 = 17.4 mm B1 = 6.963 ± 0.007 mm
H2 = 70.4 mm B2 = 6.953 ± 0.007 mm
Exhaust (early versions, alternative 2)
H1 = 22.7 mm B1 = 6.962 ± 0.007 mm
H2 = 65.1 mm B2 = 6.954 ± 0.007 mm
Exhaust (late versions)
H1 = 22.7 mm B1 = 5.962 ± 0.007 mm
H2 = 65.1 mm B2 = 5.954 ± 0.007 mm
Inlet 102.00 ± 0.07 mm
Exhaust 101.05 ± 0.07 mm
Inlet and exhaust 1.50 mm
Minimum height after grinding 1.20 mm
Inlet and exhaust 44.5°




Valve stem height 48.4± 0.5 mm
Maximum machining of the valve stem 0.5 mm

Valve seats




Upper reduction angle (A)
Inlet 20°
Exhaust 15°
Matching surface angle (B)
Inlet and exhaust 45°
Lower reduction angle (C)
Inlet and exhaust 60°
Valve seat, width (a)
Inlet 1.4-1.8 mm
Exhaust 1.8-2.2 mm

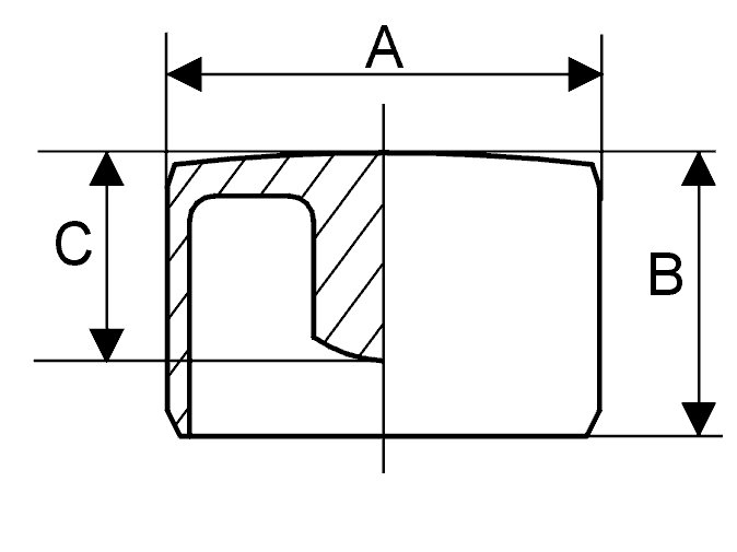
Tappets




Tappets, dimensions
External diameter (A) 32.000 +0.025/-0.041 mm.
External height (B) 26.0± 0.5 mm.
Solid valve lifter shaft length (C)
15.96 mm at 0.02 mm intervals up to 16.16 mm.
The dimensions are listed on the inside of each valve lifter.

Valve springs
Length 45.1 +1.5/-0.5 mm
Type Conical

Valve guides




Inlet and exhaust 0.03-0.06 mm
Inlet and exhaust 0.15 mm

Camshafts






Cylinder head




Front-rear 0.50 mm
Lateral 0.20 mm
Cylinder head height, new cylinder head 129.0 ± 0.05
Maximum machining 0.30 mm

Caution! Scratches and corrosion on the cylinder head gasket face against the cylinder block must only be machined on a flat cylinder head.

Crank mechanism




Main bearing journal radial runout maximum 0.040 mm
Axial play (Measured in the engine with the intermediate section tightened) 0.08-0.19 mm
Main bearing journal radial runout 0.020-0.043 mm




Diameter(1) 50.000 ± 0.016 mm
Bearing recess width 26.0 ± 0.1 mm
Maximum out-of-round 0.004 mm
Maximum taper 0.004 mm
(1) The variation in diameter for each bearing journal must not exceed 0.008 mm.
Diameter(1) 65.000 +0.003/-0.016 mm
Axial bearing width dimension 26.00 +0/−0.04 mm
Maximum out-of-round 0.004 mm
Maximum taper 0.004 mm
(1) The variation in diameter for each bearing journal must not exceed 0.008 mm.

Connecting rods










Lubrication and oil system
Oil volume, including filter 7.2 liters
According to API Service lowest SH or SJ
According to ACEA Grade A2, A2/B2, A3 or A3/B3
12.5 r/s (750 r/min) 0.10 Mpa(1)
67.7 r/s (4000 r/min) 0.35 Mpa(1)
Maximum oil pressure (the relief valve opens) 0.65 Mpa
(1)The oil pressure given is for an oil temperature of 100 °C, which is reached after 10-15 minutes driving.

Fuel line pressure






Cooling system
Marking 90
Starts to open at 90°C
Fully open at 105°C