Curiosii for ever!: Car repair manuals for everyone.

Design






Design

Air conditioning
See: Air conditioning Air Conditioning

Air conditioning (A/C) rear, seven seat XC90 (option)
See: Air conditioning (A/C) rear, seven seat XC90 (option) Air Conditioning (A/C) Rear, Seven Seat XC90 (Option)

Air distribution system
See: Air distribution system Air Distribution System

Blower fan




The fan wheel is the radial type with a guide vane rim on the outer edge. The fan wheel is balanced using steel clips.
The blower fan motor is a permanent magnet type fan.
The blower fan has stepless electronic control.
The power unit is mounted under the fan unit. The power unit can be removed.

Filter




The filter is located after the fan to also clean recirculated air. The filter is coded, that is, designed so that it cannot be installed incorrectly.
There are two types of filter.
- Particle filter
- Multi-filter.
The multi-filter filters particles in the same way as the particle filter. The multi-filter contains active carbon which reduces the influx of gases (bad odors) into the passenger compartment.
The multi-filter is only available for vehicles with electronic climate control (ECC) and then in combination with the air quality sensor (AQS).

Note! The climate control system has either a particle filter or a multi-filter, never both.

Heat exchanger




In order to heat the air in the passenger compartment, the heating system uses the heat that is generated by the engine. The heat exchanger is connected to the cooling system for the engine. The outlet connection for the heat exchanger is located directly on the engine at the point where the pressure and temperature of the coolant are highest. The coolant flows through the cooling ducts for the engine block and on into the heat exchanger. The return flow is connected to the return pipe on the suction side of the water pump.
The heat exchanger comprises a pipe loop through which the engine coolant flows. The pipe has flanges that provide heat to the airflow.
Engine coolant constantly flows through the heat exchanger. There is no valve to regulate the flow. The selected temperature is achieved using dampers for the right and left-hand sides of the car installed upstream of the heater element. These control the amount of air to be warmed. There is also a damper after the heater element which guides air out into the passenger compartment through the various vents.




Vehicles with engine B8444S have an electric pump in the coolant circuit to ensure a comfortable level of heating is supplied to the passenger compartment. The electric pump increases the amount of coolant the flows through the heat exchanger. The pump is located in the engine compartment within the front fender in front of the front left wheel housing.

Additional heater/Parking heater




1. Control module
2. Water pump
3. Fan shroud
4. Fuel pump (FP) (in front of the fuel tank)
5. Heat exchanger
The additional heater is only available in the diesel vehicles. The additional heater is standard in some markets (cold climates). The heater, which uses radiant heat from the engine at low loads or cold starts, is not capable of maintaining a comfortable passenger compartment temperature.
If an extra timer function (software) is installed for the additional heater, the diesel vehicle can use the additional heater as a parking heater.
Gasoline driven vehicles can use a parking heater with timer function.
The additional heater/parking heater are positioned inside the front fenders, in front of the front left wheel arch.
The heater consists of:
- the heater unit
- the combustion preheater module (CPM)
- the exhaust system
- the air intake
- the water pump.
The heater is connected to:
- the engine cooling system
- the vehicle fuel tank
- central electronic module (CEM).
Both versions have a fuel pump (FP) located on the right-hand side in front of the fuel tank.
Vehicles with the parking heater function use the turn signal lamp stalk to control the heater. The information appears in the driver information module (DIM).
For further information see Design and Function, Additional and parking heaters (CPM).

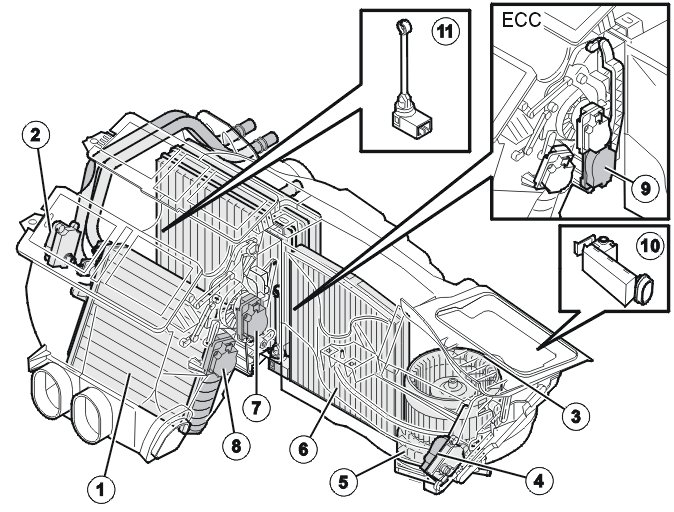
Location of the components in the climate control system




1. Heat exchanger
2. Damper motor, temperature, left
3. Blower fan
4. Damper motor, fresh air intake and recirculation damper
5. Power unit for blower fan motor
6. Particle filter or multi-filter
7. Damper motor, ventilation and floor (also defroster for MCC)
8. Damper motor, temperature, right
9. Damper motor, defroster (only ECC)
10. Air quality sensor (AQS)
11. Evaporator temperature sensor.
The climate control system is mirrored in right-hand drive vehicles.