Curiosii for ever!: Car repair manuals for everyone.

Rear Subframe: Service and Repair






Sub-frame rear, replacing

Note! As the illustrations in this service information are used for different model years and / or models, some variation may occur. However, the essential information in the illustrations is always correct.

Removal

Removing the sub-frame





Remove:
- the mudguard on the lateral link
- the mudguard under the control arm.




Raise the car.

Note! See Jacking points, body Service and Repair.

Remove:
- the rear wheels
- the screw for the drive shaft / wheel hub. 1 screw per side.





Remove:
- the ABS sensor and the ABS line from the bracket on the wheel spindle
- the brake caliper mounting screws.
Hang up the ABS line and the brake caliper. Use a piece of wire.

Remove:
- the screw for the bracket for the brake pipe on the sub-frame
- the locating pin for the brake disc
- the brake disc.





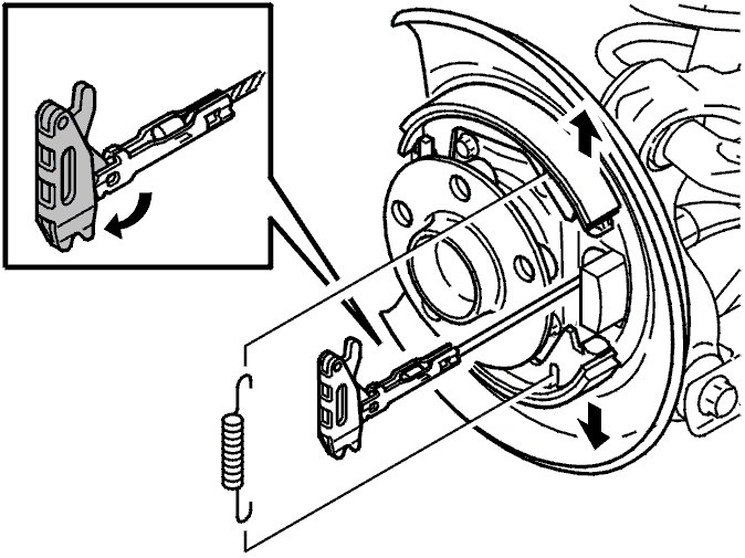
Remove:
- the return spring at the expander
- the expander.
Lift the brake shoe slightly. Grip the expander and pull it outwards to access the cable. Unhook the expander from the metal bracket.




Remove the guide sleeve for the cable sleeve. Apply a screwdriver between the guide sleeve lug and wheel arch. Pry apart slightly to remove the sleeve.





Remove:
- the parking brake cable from the tie rod and sub-frame
- the exhaust system. See Exhaust system, replacing Service and Repair
- the propeller shaft from the Active on Demand Coupling.




Remove the plastic nut from the fender liner. Move the fender liner to one side.
Drill out the heat deflector plate rivet on the sub-frame left rear bushing.

Removing the shock absorber





Note! The shock absorbers are slightly compressed. Secure the control arms down. Use retaining straps.

Remove:
- the 2 screws for the shock absorbers on both sides
- the shock absorbers from both the control arms.
Remove the tensioner strap.

Removing the position sensors
Cars equipped with Bi-Xenon lamps or Four-C. Remove. See Position sensor suspension rear (Four-C), replacing Service and Repair.

Removing the track rods, lateral links and control arms





Remove:
- the tie rod
- the lateral link
- the lower control arm
- the link for the inner mounting for the control arm
- the link for the anti-roll bar on the upper control arm.
Use a Torx wrench as a counterhold so that the boot is not damaged.

Removing the anti-roll bar





Remove:
- the anti-roll bar from its mountings on the sub-frame
- the anti-roll bar.
Remove the mechanical cables for the parking brake from the mountings in the heat deflector plate.
Carefully bend out the mechanical cables towards the wheel bearing housing. Ensure that the cables do not crack or break.

Detaching the final drive housing and rear axle member




Position mobile jack 998 5972 JACK 998 5972 Jack together with fixture 999 5972 FIXTURE 999 5972 Fixture.
Adjust the plate against the lower cover and final drive.
Install a large hose clamp above the pipe and plate.

Remove:
- the 8 screws for the cover
- the screw for the final drive housing.

Lowering the final drive housing




Lower the final drive housing so that the drive shafts are angled inwards slightly.
Pry out the wheel bearing housing.
Remove the drive shaft from the hub.

Note! Be very careful with the drive shaft when removing it from the hub. The inner joint can be damaged if the shaft releases under its own weight.

Lower the final drive housing and shafts.




Slacken off the screw for the outer control arm mounting three turns.
Use hydraulic hole cylinder 951 2923 Hydraulic hole cylinder 951 2923 Hydraulic Hole Cylinder , locating pin 999 7031 Locating pin 999 7031 Locating Pin and mounting bracket 999 7030 Mounting bracket bushing replace 999 7030 Mounting Bracket Bushing Replace together with connecting rod 999 7039 Connecting rod M16X360 999 7039 Connecting Rod M16X360.
Press off the wheel spindle.
Remove the screw and the wheel spindle from the upper control arm.

Removing the sub-frame




Position a lifting table under the sub-frame.

Remove:
- the four sub-frame mountings
- the sub-frame brackets screws
- the brake hose mounting stays from mountings on the brackets
- the brake pipes from the plastic clips on the brackets.

Note! Remove the fuel filter bracket on the right bracket.




If the vehicle is equipped with Four-C (Continuously Controlled Chassis Concept), remove the cable harness from the sub-frame.
All cars:
Carefully lower the sub-frame.
Remove the three hoses on the evaporative emission system (EVAP) canister.
Lower the sub-frame fully.

Removing components from the sub-frame




Remove the evaporative emission system (EVAP) canister.





Remove:
- the mountings for the evaporative emission system (EVAP) canister
- the collision protection.

Removing the upper control arm




Use tool: 951 2923 Hydraulic hole cylinder 951 2923 Hydraulic Hole Cylinder with 999 7054 Adapter incl. 2x MC6C M6X12 999 7054 Adapter Incl. 2x MC6C M6X12 , 999 7032 Sleeve 999 7032 Sleeve and 999 7033 Sleeve 999 7033 Sleeve.
Remove the two screws for the inner control arm mountings. Install the hydraulic cylinder and pull out the front bushing using the control arm.

Note! Threaded rod 999 7034 Connecting rod M12X400 999 7034 Connecting Rod M12X400 is mounted in the control arm's mounting thread.

Remove:
- the hydraulic cylinder
- the control arm.

Installation

Note! For tightening torques, see Specifications Tightening Torque.

Note! To ensure that there is no exhaust leakage, see: Flanged joint, assembling Service and Repair.

Installing the upper control arm




Thread the control arm in. Use tool: 951 2923 Hydraulic hole cylinder 951 2923 Hydraulic Hole Cylinder with 999 7054 Adapter incl. 2x MC6C M6X12 999 7054 Adapter Incl. 2x MC6C M6X12 , 999 7035 Sleeve 999 7035 Sleeve , and 999 7040 Drift 999 7040 Drift.
Press the bushing onto the end of the control arm. Install the counterhold in the control arm mounting thread. Use tool 999 7041 Screw MC6S M12X70 999 7041 Screw MC6S M12X70.
Install the hydraulic cylinder using thread rod 999 7034 Connecting rod M12X400 999 7034 Connecting Rod M12X400 in the other mounting thread for the control arm.
Tighten the bushing.





Note! Ensure that the bushing is in the correct position.

Install the screws for the control arm mountings.

Note! Do not tighten the screws for the bushing mountings. This is carried out later when the rear suspension is in the normal position.

Installing sub-frame components





Install:
- the collision protection. M8
- the mounting for the evaporative emission system (EVAP) canister. Use an M6 screw.




Install the evaporative emission system (EVAP) canister. Use an M6 screw.

Installing the sub-frame




Make up two centering sleeves which are then positioned on the rear mountings for the sub-frame. This will make it easier to center the rear suspension.
The measurements of the centering sleeves:
A = 20 mm
B = 13 mm
C = 50 mm
Place the sub-frame on a lifting table.
Raise the sub-frame so that it is approximately 15 cm from the bodywork.




If the vehicle is equipped with Four-C (Continuously Controlled Chassis Concept), install the cable harness on the sub-frame.
All cars:
Install the 3 connections on the evaporative emission system (EVAP) canister. Lift the sub-frame up completely to the bodywork.

Note! Ensure that the brake pipes are not crimped at the sub-frame mountings.

Install the 3 connections on the evaporative emission system (EVAP) canister.
Lift the sub-frame up completely to the bodywork.

Note! Ensure that the brake pipes are not crimped at the sub-frame mountings.





Note! Use new screws for the 4 mountings for the sub-frame.

Install:
- the screws for the sub-frame, at the front edge through the brackets. Finger tighten
- the screws for the brackets. Finger tighten.

Install:
- the mounting strut for the brake hose on the sub-frame bracket. Use an M8 screw
- the brake pipe in the clips on the sub-frame brackets.




Slide up the centering sleeves in the two rear mountings on the sub-frame.
Install the screw. Tighten lightly.

Tighten:
- the screws for the front mountings on the sub-frame (install the screws through the brackets). See Tightening torque Tightening Torque
- the 4 x M12 screws for the brackets.

Note! Remove the screws for the rear mountings on the sub-frame. Remove the centering sleeves.

Install:
- the screws for the rear mountings on the sub-frame. Tighten the screws. See Tightening torque Tightening Torque
- the fuel filter with the holder on the right bracket. Use an M8 screw.
Remove the lifting table.

Preparations for the installation of the final drive




Lift the final drive together with the drive shafts so that the center of the drive shaft is slightly below the center of the wheel bearing housings.
Apply rust-proofing agent to the ends of the drive shafts.
Press out one of the wheel bearing housings. Align the drive shaft in the hub.
Then align the other side.

Installing the final drive on the sub-frame




Press the final drive up against the sub-frame.

Install:
- the 8 screws in the sub-frame cover. Tighten the screws alternately. See Tightening torque Tightening Torque
- screws, 2 x M12, front final drive mounting.
Install the propeller shaft.

Remove:
- the hose clamp around the pipe and plate
- remove the jack.

Note! Do not install the exhaust pipe yet.

Installing the anti-roll bar




Install the anti-roll bar in the rear axle member. Use an M12 screw. Use new lock nuts.

Note! Ensure that the cable for the parking brake passes below the ends of the anti-roll bar. Press the cables into place in the clamps on the heat deflector plate.




Install the wheel spindle to the upper control arm.

Note! Do not tighten so hard that the toothed segment goes into the bushing on the wheel spindle.

Install:
- the link for the inner mounting for the control arm. Finger tighten
- the lower control arm on the sub-frame. Finger tighten
- the lower control arm on the wheel spindle. Finger tighten
- the tie rod. Finger tighten
- the link for the anti-roll bar. Use 2 x M12 screws. Use a Torx wrench as a counterhold so that the boot is not damaged.
Press the control arm to the normal position using a mobile jack. See Normal position Procedures.

Tighten:
- the 2 x M12 screws for the upper control arm
- the 2 x M12 screws for the lower control arm
- the link at the inner mounting on the control arm on the sub-frame. Use an M12 screw
- the 2 M12 screws for the tie rod.

Installing the lateral link




Tension the lower control arm slightly against the jacking point. Use the retaining strap.
Install lateral link. 2 x M12 screws.
Remove the mobile jack and the retaining strap.

Installing the shock absorber




Secure the control arms down. Use retaining straps.

Install:
- the shock absorbers on the control arms (M12)
- the screw for the shock absorber.
Remove the tensioner strap.

Note! Cars equipped with Four-C use the same position sensor as the Bi Xenon lamps

Install the position sensors. See Position sensor suspension rear (Four-C), replacing Service and Repair.




Pop rivet the exhaust pipe heat deflector into the left rear sub-frame mounting.
Install the fender liner using the plastic nut





Install
- the bracket for the parking brake cable in the sub-frame. Use screws. See Tightening torque Tightening Torque
- the exhaust system. See Exhaust system, replacing Service and Repair.




Press the cable sleeve guide sleeve into place in the mounting.




Install the expander on the mechanical cable.
Press the mounting together to lock the cable in the expander.

Install:
- the expander between the brake shoes
- the return spring.
Check the function.





Install:
- the M6 screw for the locating pin and the brake disc
- the brake caliper. Use new screws. See Tightening torque Tightening Torque
- the ABS sensor, 1 x M6.
- the ABS line on the holder on the wheel spindle.

Tightening the drive shafts




Install the M10 screw for the drive shaft. Tighten. See Tightening torque Tightening Torque.
Install the wheels. See Installing wheels Service and Repair.
Align the wheels. See Wheel alignment, checking / adjusting Service and Repair.

Finishing

Installing the mudguards





Install
- the mudguard on the lateral link, 1 x M8
- the mudguard under the control arm. 2 screws.

Calibration of position sensor
If the vehicle is equipped with Four-C (Continuously Controlled Chassis Concept), calibrate the position sensors.

Note! It uses the same position sensor for the Bi-Xenon lamps.