Curiosii for ever!: Car repair manuals for everyone.

Bushing Sub-Frame, Replacing






Bushing sub-frame, replacing

Special tools:
999 5716 Reading off tool 999 5716 Reading Off Tool
999 5460 Lifting hook 999 5460 Lifting Hook
999 5717 Lifting eye 999 5717 Lifting Eye
999 5589 Puller rod bushing replacement M12 L=150 mm 999 5589 Puller Rod Bushing Replacement M12 L=150 mm
999 5352 PRESS TOOL 999 5352 Press Tool
999 5457 PRESS TOOL 999 5457 Press Tool
999 5567 PRESS TOOL 999 5567 Press Tool
999 5575 PULLER CYLINDER USED WITH HYDRAULIC PUMP -5576 999 5575 Puller Cylinder Used With Hydraulic Pump -5576
999 5576 HYDRAULIC PUMP 999 5576 Hydraulic Pump
951 2564 Hydraulic tool 951 2564 Hydraulic Tool
951 2050 BEVEL PROTRACTOR 951 2050 Bevel Protractor

Note! It is arbitrary which of tools 999 5575, 999 5576 and 951 2564 is used.

Important information





Caution! The left-hand rear bushing on the sub-frame is a different version to the other three bushings. The hole in the center of the bushing is oval. The oval must be positioned front-rear with the car.

Preparation




Remove the engine cover (applies only to diesel).
Install lifting tools 999 5716 Reading off tool 999 5716 Reading Off Tool and lifting hooks 999 5460 Lifting hook 999 5460 Lifting Hook.
Lift the engine to relieve the load on the engine pads.

Removing components





Remove:
- the front wheels
- the splash guard under the engine.




- the air baffle.




- the screw for the cable duct
- the control module box evacuation pipe mounting from the sub-frame.

Removing the front engine pad lower screw




Remove the lower screw for the front engine pad.

Removing the nuts for the lower torque rod




Remove both the nuts retaining the lower torque rod.

Folding out the fender liner




Slacken off the right lower front part of the fender liner.
Remove the plastic nuts on the fender liner.
Remove the cover plate.
Bend out the fender liner.

Removing the screws for the right-hand engine mounting




Remove the screws holding the right-hand engine mounting in the engine.

Removing the nuts and screw for the steering gear





Remove:
- the four nuts and screws holding the steering gear
- the nut (A), holding the lower half of the collision protection (only applies to right hand drive cars).

Removing the delivery line for the steering gear




Remove the delivery pipe for the steering gear from the snap fasteners along the sub-frame
Remove the hose for the EVAP canister (does not apply to diesel cars)
Remove the fuel line for the engine block heater (if applicable).

Lowering the sub-frame




Remove and hang the engine block heater (if applicable) on the left front mounting for the sub-frame.
Remove the fuel line for the engine block heater (if applicable) on the sub-frame from the snap fasteners.
Position a lifting table under the sub-frame.
Apply the lifting table so that the load is taken off the sub-frame screws.
Remove the sub-frame screws together with the accompanying brackets and washers.
Carefully lower the sub-frame approximately 50 mm.

Note! Ensure that the steering gear screws are released from the sub-frame.




Remove the bracket for the heated oxygen sensor (HO2S) from the sub-frame (does not apply to diesels).
Lower the sub-frame a further 40 mm.

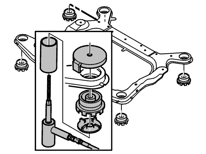
Pressing out the bushings




Install the hydraulic tool and press sleeve as illustrated.
Press the bushings out of the sub-frame, see the following illustration.

Note! It is arbitrary which of tools 999 5575, 999 5576 and 951 2564 is used.

Installing the bracket for the heated oxygen sensor (HO2S)




Lift up the sub-frame slightly, approximately 50 mm from the car body.
Install the wiring for the heated oxygen sensor (HO2S) on the sub-frame (does not apply to diesel cars).





Marking for the bushing on the sub-frame




Clean the hole for the bushing in the sub-frame.
Press out the bushing by hand.

Caution! The markings on the bushing and sub-frame must be positioned opposite each other.

Marking the left-hand rear bushing





Note! The left-hand rear bushing on the sub-frame is a different version to the other three bushings. The hole in the center of the bushing is oval. The oval must be positioned lengthways to the car, as illustrated.

Caution! The markings on the bushing and sub-frame must be positioned opposite each other.

Pressing in the bushings




Install the hydraulic tool and press sleeve as illustrated.
Press the bushings into the sub-frame, see the following illustration.

Note! It is arbitrary which of tools 999 5575, 999 5576 and 951 2564 is used.





Lifting the sub-frame




Lift the sub-frame up completely.
At the same time locate the mounting screws for the steering gear on the sub-frame and, on right-hand drivecars, the screw for the collision protection system.
Install the sub-frame brackets loosely together with the washers.
Install the four screws for the sub-frame. Use new screws. Do not tighten yet.
First tighten the screws on the left side of the sub-frame. Tighten to 105 Nm. Angle tighten 120°. Then tighten the right-hand side to the same values as the left side.
Finally tighten the screws for the brackets on both sides. Tighten to 50 Nm.
Install the engine block heater (if applicable) on the left front mounting for the sub-frame.

Caution! Tighten the left-hand side first. The sub-frame guides are on the left-hand side.

Installing the nuts and screw for the steering gear





Install:
- the four nuts and screws holding the steering gear. Use new nuts and new screws. Tighten to 50 Nm.
Applies to right-hand drive cars:
- nut (A), holding collision protection lower half. Tighten to 50 Nm.

Installing the delivery line from the steering gear




Install the delivery pipe from the steering gear along the mountings on the sub-frame.
Install the hose for the EVAP canister.
Install the fuel line for the engine block heater (if applicable).

Installing the screws for the engine mounting to the engine




Reinstall the screws holding the engine mounting to the engine. Tighten to 35 Nm. Angle-tighten 90°.

Note! Use new screws.

Installing the protective plate





Install:
- the right lower front section of the fender liner
- the protective plate
- the plastic nuts for the protective plate.

Installing the screw for the front engine pad




Install the front engine pad screw. Tighten to 50 Nm.

Tightening the nuts for the lower torque rod




Tighten the two nuts for the lower torque rod. Tighten to 65 Nm. Angle-tighten 90°.
Use bevel protractor 951 2050 BEVEL PROTRACTOR 951 2050 Bevel Protractor.

Note! Use new nuts.

Installing the air intake cover





Install:
- the screw for the cable duct
- the evacuation pipe on the sub-frame.




- the air baffle.

Installing the protective cover




Install the splashguard under the engine.

Removing the lifting tools




Lower the car.
Remove the lifting tools.
Install the wheels. See Installing wheels Service and Repair.