Curiosii for ever!: Car repair manuals for everyone.

M56 Transmission



System overview
Active On-demand Coupling (AOC)





The main role of Active On-demand Coupling and the Differential Electronic Module (DEM) is to regulate the four-wheel drive function, i.e. the distribution of drive between the front and rear axles. The system consists of a coupling combining mechanical, hydraulic and electronic sections. The coupling unit is on the rear axle, between the differential gear and the propeller shaft. The mechanical and hydraulic sections are driven by the rotation of the propeller shaft.
Active On-demand Coupling (AOC) has the following characteristics:
- Permanent all wheel drive with electronic control of torque transfer
- Driving characteristics similar to all wheel drive
- Quicker reactions
- No wind-up during slow speed maneuvers and parking
- The system is not sensitive to differences between tires (when driving with a spare wheel for example)
- The system is not sensitive to being towed with one axle raised
- Unaffected by brake tests on a chassis dynamometer.

Coupling unit and control module





The hydraulic section consists of 1-5, the mechanical section consists of 6-10 and the electronic section consists of 11-13.
1. Pressure valves
2. Accumulator
3. Oil filter
4. Annular pistons
5. Control valve/axial solenoid
6. Input shaft
7. Inner and outer wet multi-plate clutch
8. Inner connection hub with sinusoidal cam disc
9. Rollers with annular pistons
10. Output shaft
11. Electrical feed pump
12. Differential Electronic Module (DEM)
13. Oil pressure and temperature sensor.

The Differential Electronic Module (DEM) is integrated in the coupling unit.
The Differential Electronic Module (DEM) communicates with other control modules using Controller Area Network (CAN) communication.
There are internal diagnostics for the control module.

Signals








The table summarizes the input signals to and output signals from the Differential Electronic Module (DEM). The following illustration displays the same information with the Volvo component designations.

Design
Control module





The Differential Electronic Module (DEM) is secured directly to the coupling unit housing and forms a single unit with the axial solenoid. The axial solenoid controls the control valve. The Differential Electronic Module (DEM) receives signals from the Engine Control Module (ECU), the Central Electronic Module (CEM) and the Brake Control Module (BCM) via the high speed side of the Control Area Network (CAN). The Differential Electronic Module (DEM) uses these signals to determine the oil pressure required for the multi-plate clutch in the coupling unit. The oil pressure for the multi-plate clutch determines the amount of torque which can be transferred to the rear wheels.
Four wheel drive is not available if there is a fault in the Differential Electronic Module (DEM).

Oil pressure and temperature sensor





The oil pressure and temperature sensor in the clutch unit are close to the axial solenoid in the housing for the Differential Control Module (DEM). The sensor is flushed with hydraulic fluid. The sensor gauges the temperature and pressure of the hydraulic fluid (measurement range 0-4 MPa). The sensor transmits signals about temperature and pressure to the control module. The control module uses the temperature and pressure signals to adapt the function of the system, changing the temperature, and therefore the viscosity, of the fluid as required.
If the temperature of the fluid exceeds 100°C there is no pressure in the coupling and all wheel drive is disengaged. When the temperature falls below 100°C the coupling is pressurized again. If the oil pressure exceeds 7.4 MPa, the safety valve in the coupling opens. The coupling is pressurized again when the oil pressure drops below 7.4 MPa.
Four wheel drive is not available if there is a fault in the pressure and/or temperature sensor. There are diagnostics for the oil pressure and temperature sensor.

Control valve/axial solenoid





The control valve/axial solenoid are in the coupling unit for the Active On-demand Coupling (AOC).
The axial solenoid receives a constant Pulse Width Modulated (PWM) signal from the control module. The control signal from the control module is used by the solenoid to change the position of the control valve. This regulates the pressure to the operating piston in the multiplate clutch.
Four wheel drive is disabled if there is a fault in the control valve/axial solenoid.
There are diagnostics for the control valve/axial solenoid.

Electrical feed pump





The electrical feed pump is integrated in the coupling unit and is powered by the Differential Electronic Module (DEM). When the engine is started and exceeds 400 rpm, the electrical feed pump receives power from the control unit. The feed pump pumps oil to the annular pistons, whose rollers move into contact with the cam disc. At the same time the oil flows to the operating piston, so that the play in the multi plate clutch unit is eliminated. The coupling is then able to react rapidly and regulate as required.
Four wheel drive is disengaged if there is a fault in the feed pump.
There are diagnostics for the feed pump.

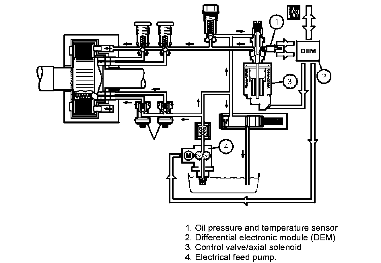
Function
Electronic function





1. Oil pressure and temperature sensor
2. Differential electronic module (DEM)
3. Control valve/axial solenoid
4. Electrical feed pump.

The Differential Electronic Module (DEM) is secured directly to the coupling unit and forms a single unit with the axial solenoid and control valve. The Differential Electronic Module (DEM) receives signals from the Engine Control Module (ECU) and the Brake Control Module (BCM) via the Control Area Network (CAN). The Differential Electronic Module (DEM) uses the sensor signals to control the oil pressure to the multiplate clutch by adjusting the axial solenoid. The axial solenoid regulates the control valve constantly using a Pulse Width Modulation (PWM) signal. The oil pressure for the multiplate clutch determines the amount of torque which can be transferred to the rear wheels.

Note: If the car has Dynamic Stability And Traction Control (DSTC), the required stability control is applied before fourwheel drive.

Active On-demand Coupling (AOC) has an oil pressure and temperature sensor, which gauge the prevailing temperature and pressure of the hydraulic fluid. The oil pressure and temperature sensor provide the Differential Electronic Module (DEM) with information about the temperature and pressure. Four wheel drive is disengaged to protect the coupling unit from damage if the temperature becomes too high, above 97°C. The coupling unit is re-engaged at full function when the temperature falls below 93°C.

Mechanical function, overview





1. Pressure plate
2. Rollers for the annular piston
3. Rollers for the operating piston
4. Annular piston
5. Operating piston
6. Input shaft
7. Cam disc
8. Housing for the outer plates
9. Outer plates
10. Inner plates
11. Springs
12. Output shaft.

The transmission transfers engine torque to the propeller shaft. The input shaft is separate from the output shaft. The multi-plate clutch in the coupling must be engaged to transfer torque to the rear axle. The inner and outer wet multiplate clutch are the transfer point between the input and output shafts.
The sinusoidal cam disc rotates at the same speed as the propeller shaft. The annular piston rollers act on the cam disc to press the annular piston in and out. This creates an oil pressure which affects the operating piston, which in term engages the multi-plate clutch unit.

Hydraulic function, overview





1. Cam disc
2. Rollers
3. Pressure valves
4. Pressure limiting valve
5. Control valve cover
6. Oil pressure and temperature sensor
7. Differential electronic module (DEM)
8. Control valve/axial solenoid
9. Accumulator
10. Oil screen
11. Electrical feed pump
12. Oil filter
13. Suction valves
14. Piston pump
15. Operating piston
16. Wet plate unit
17. Bearing
18. Springs.

The Active On-demand Coupling (AOC) can be described as a hydraulic pump.
The basic pressure is generated by the electronic feed pump. This pressurizes the annular pistons with oil so that they are pressed against the cam disc via rollers. The annular piston generates a working pressure which is led to the operating piston via the pressure valve. This pressure creates a fixed connection between the input and output shafts. The maximum pressure is limited by the pressure limiting valve. The difference in speed between the input and output shafts is in proportion to the oil pressure fed to the annular pistons. A large difference between the input and output shafts results in high oil pressure to the annular pistons. If the input and output shafts are at the same speed, the oil pressure to the annular pistons is less. The oil pressure at the multiplate clutch is regulated by the control valve. The axial solenoid controls the control valve. A closed control valve gives maximum pressure to the multi-plate clutch, resulting in maximum power transmission. An open control valve gives minimum pressure to the multi-plate clutch, resulting in limited power transmission.
The accumulator maintains the basic pressure in the system. The oil filter keeps the fluid clean by filtering dirt and small particles which could damage the system.

Diagnostic functions
General
The control module has a built-in diagnostic system, Volvo Diagnostic, which continuously monitors internal functions as well as input and output signals.

Diagnostic trouble codes (DTCs)
A Diagnostic Trouble Code (DTC) is stored if the control module detects a fault. Should a fault disappear for any reason after being permanently stored in the control module as a Diagnostic Trouble Code (DTC), the information remains stored in the control module.

Reading and erasing Diagnostic Trouble Codes (DTCs)
Stored Diagnostic Trouble Codes (DTCs) can be read off and erased using this function.
Diagnostic Trouble Codes (DTCs) can only be erased once all the Diagnostic Trouble Codes (DTCs) have been read off at least once.

Reading off input and output signals
This function can be used to continuously read off the status of the control module's input and output signals.

Reading off the control module identification
VADIS identifies control modules by reading off a number of codes from the control module memory.
The codes contain information about the control module:
- hardware P/N (control module without software)
- hardware serial number (control module without software)
- software P/N
- diagnostic software P/N.

Downloading software and replacing the control module
New software for the Differential Electronic Module (DEM) can be downloaded. When ordering software, the hardware and the software in the car are compared to the data in the Volvo central database.
If the comparison is OK the software is downloaded to the control module. If the comparison between the car and Volvo central database is not OK, the database is updated with the car configuration. When this is complete the software is downloaded.
The control module is integrated in the coupling unit for the Active On-demand Coupling (AOC). If the control module is replaced, the control valve/axial solenoid and oil pressure and temperature sensor must also be replaced.