Curiosii for ever!: Car repair manuals for everyone.

Start Control Module (SCU)



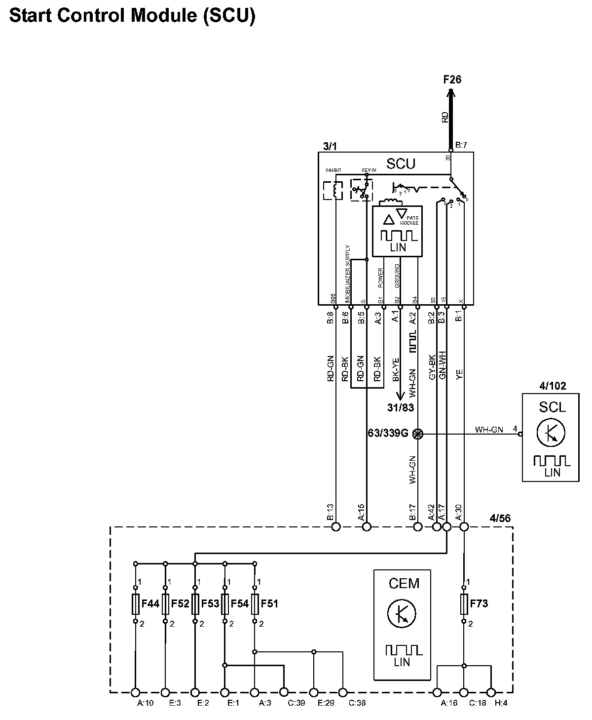
Start Control Module (SCU)


Start Control Module (SCU):






Diagram Legend: Diagram Legend

Wire Color Code Identification And Other Abbreviations: Wire Color Code Identification and Other Abbreviations

List of Components by Component Number: List of Components By Component Number