Curiosii for ever!
: Car repair manuals for everyone.
Home
>>
Volvo
>>
2003
>>
S80 2.9 L6-2.9L VIN 92 B6294S2
>>
Repair and Diagnosis
>>
Diagrams
>>
Electrical Diagrams
>>
Antilock Brakes / Traction Control Systems
>>
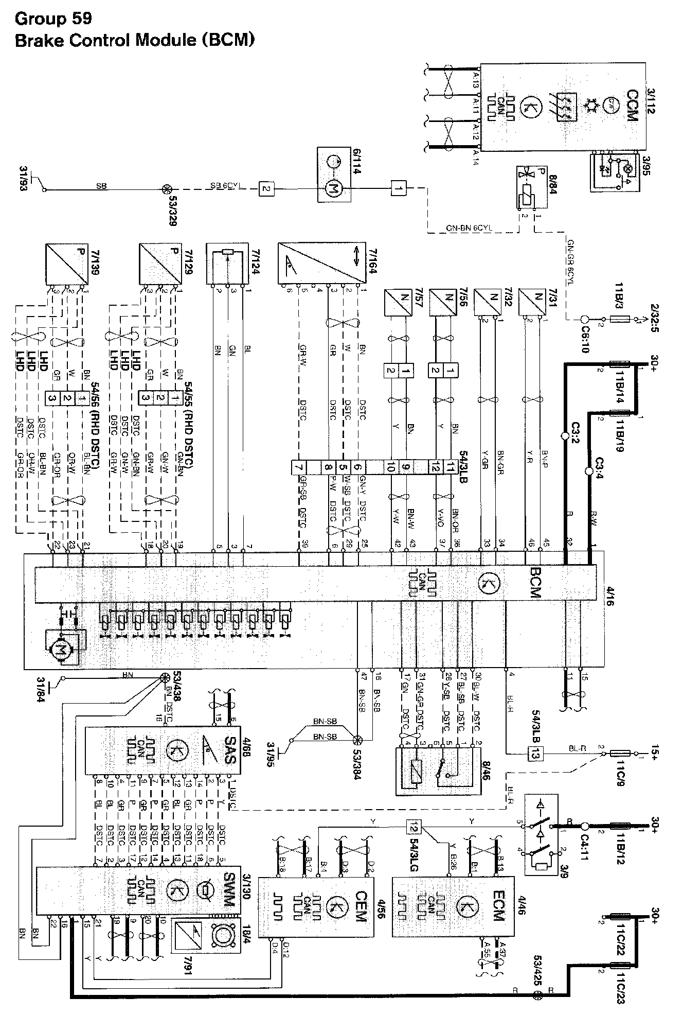
Electronic Brake Control Module
Electronic Brake Control Module
Brake Control Module (BCM):
Diagram Legend,
Diagram Legend