Curiosii for ever!
: Car repair manuals for everyone.
Home
>>
Volvo
>>
2000
>>
V70 AWD L5-2.5L Turbo VIN 56 B5254T
>>
Repair and Diagnosis
>>
Powertrain Management
>>
Computers and Control Systems
>>
Locations
>>
Engine Management System
Engine Management System
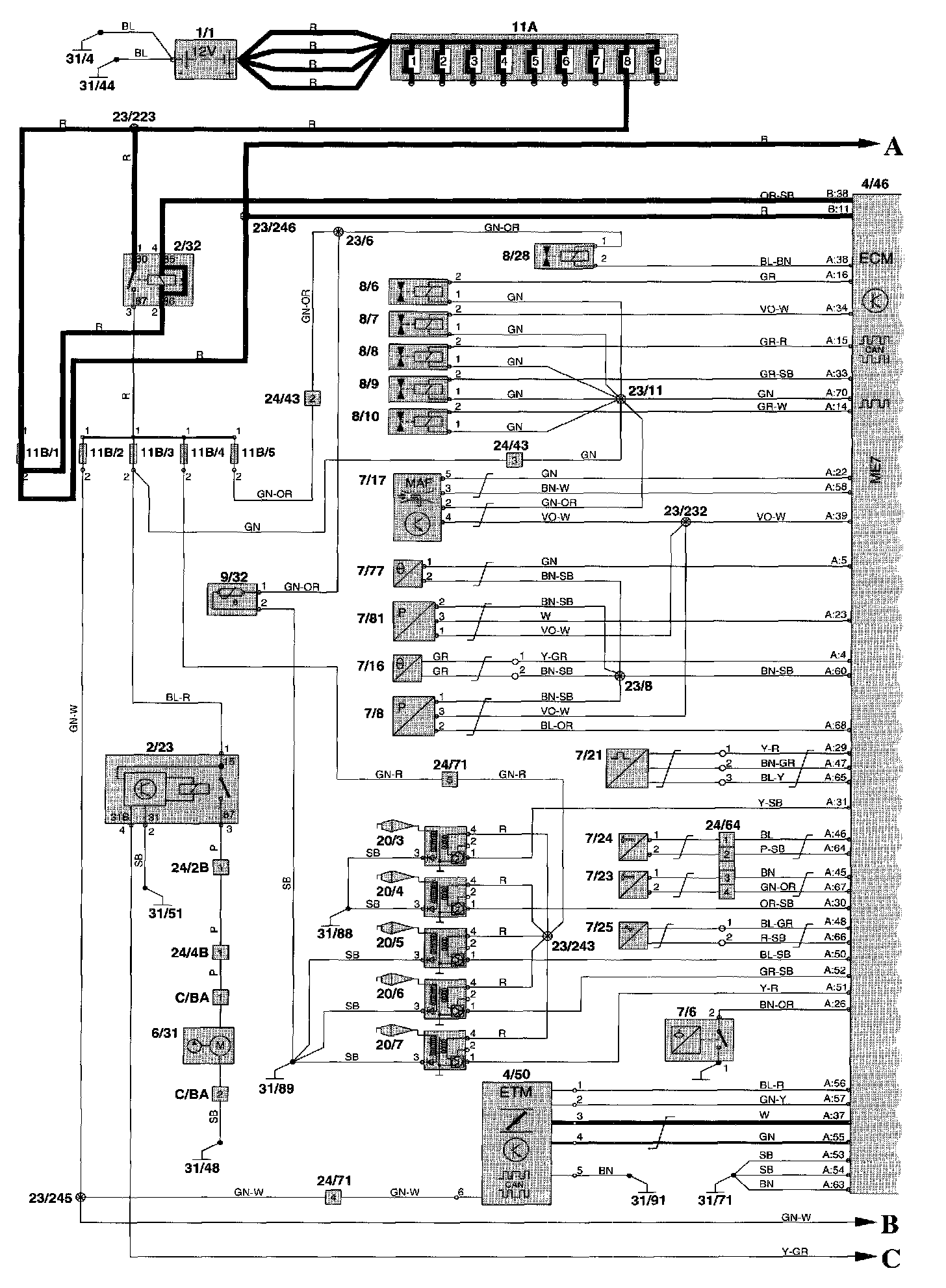
ME7 - Component Location Fig. 1:
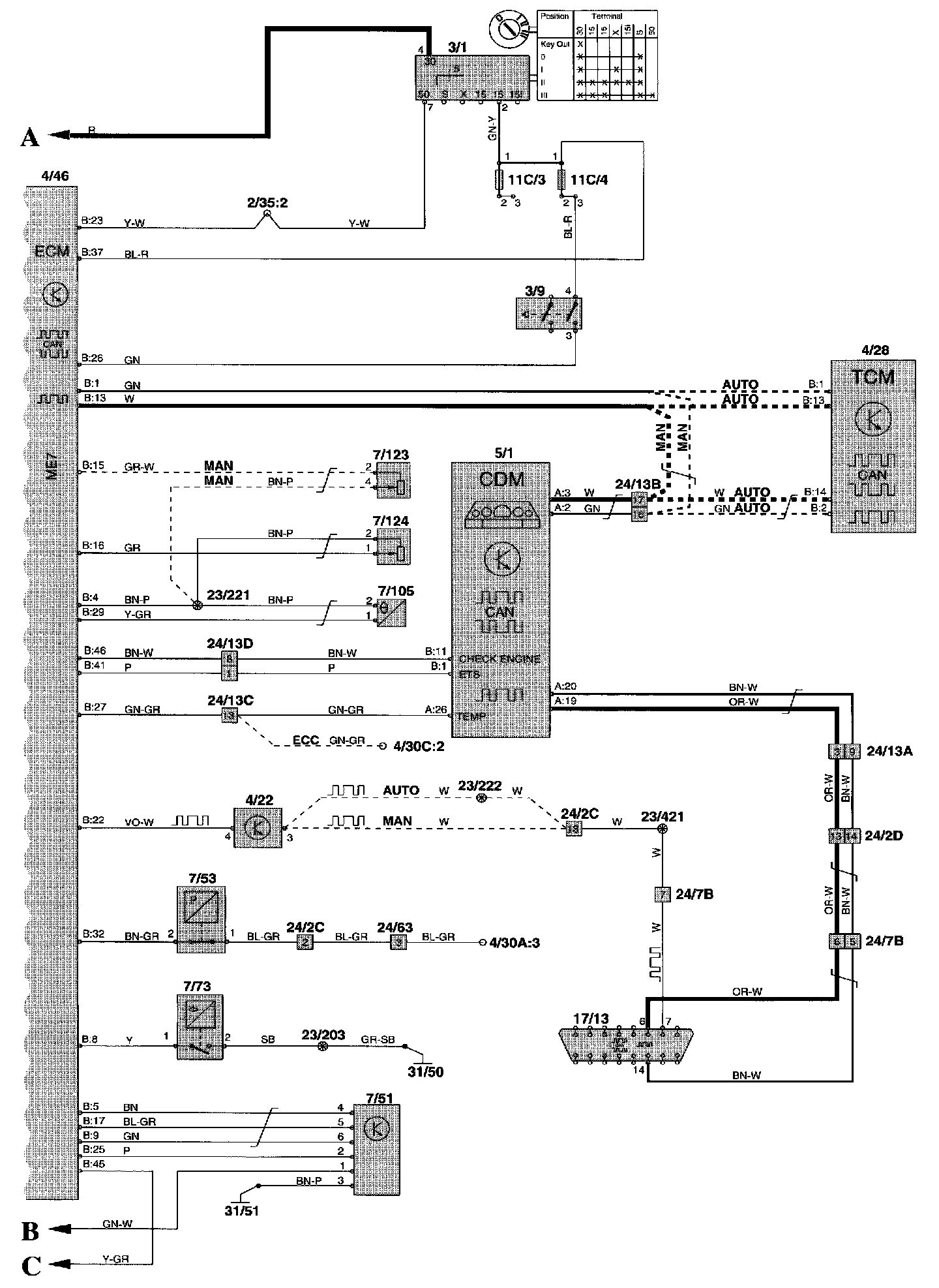
ME7 - Component Location Fig. 2:
To identify components from the numeric designation, see "Component I.D List (Name and Numeric Designation)".
Diagram Information and Instructions