Curiosii for ever!: Car repair manuals for everyone.

Transmission Control Systems: Locations


Automatic Transmission, Part 2 Of 2:




Component Locations

Automatic Transmission, Part 1 Of 2:




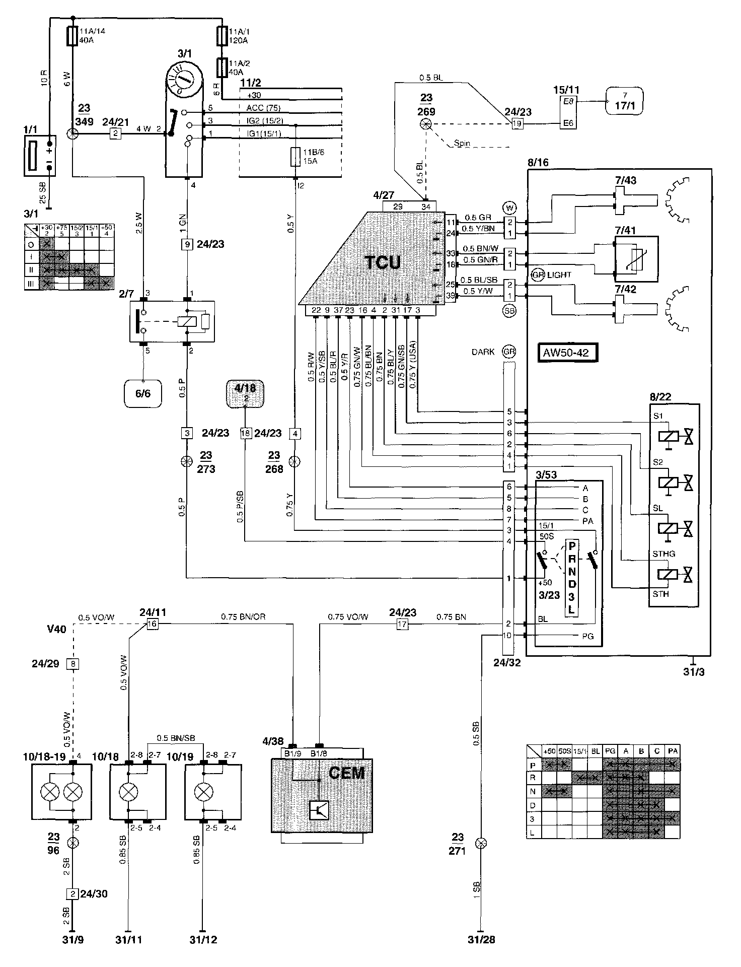
Wiring Diagrams

Diagram Legend can be found at "Vehicle : Diagrams : Diagram Information and Instructions : Component List." List of Components By Component Number