Curiosii for ever!: Car repair manuals for everyone.

How to Use the Wiring Diagrams



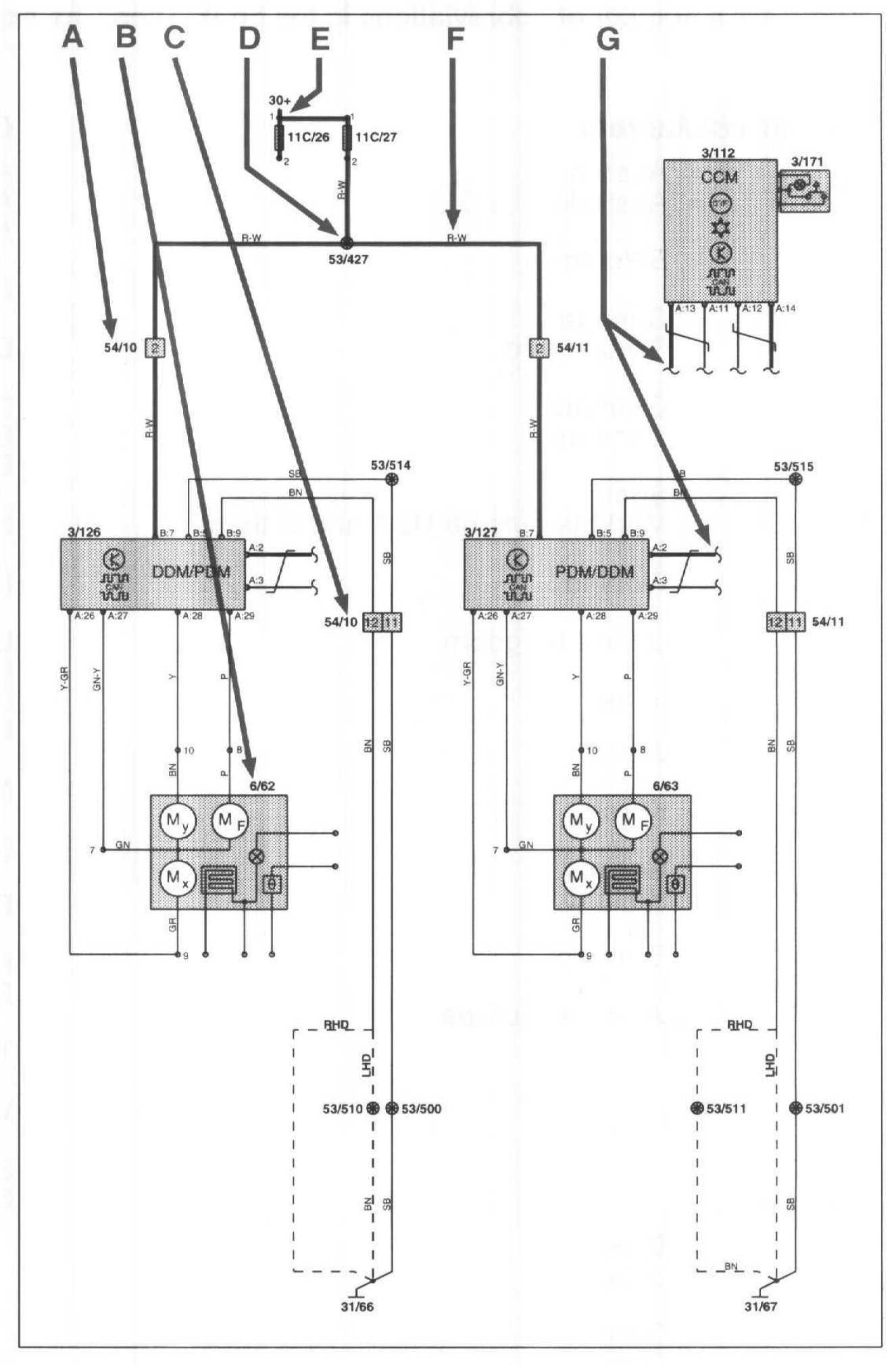
A. Component designation
Each component has a component designation. This consists of a type number and a component number.

There is a list of component designations in Diagrams, Diagram Information and Instructions, "Components I.D List (Name and Numeric Designation)." List of Components By Component Number

B. Type number
The first part of the component designation indicates which type of component it is, for example switch, electric motor, etc.

List of type numbers:
1 Battery
2 Relay
3 Electrical switch
4 Control module
5 Combined instrument panel
6 Electric motor
7 Sensor
8 Actuator
9 Heater element
10 Lamp
11 Fuse
15 Distribution rail, power supply
16 Radio
17 Service/diagnosis
18 Contact Reel
19 Gauge
20 Ignition component/resistor
23 Junction point
24 Connector
31 Ground terminal
34 Terminal block / -bridge
C Connector

C. Component number
The second part of the component designation indicates which specific component it is, light switch, central locking motor, etc.


Component Designation Fig. 1:






Component Designation Fig. 2:






Explanation Of Symbols Fig. 1:






Explanation Of Symbols Fig. 2:






Table
Certain multi-point switches are described using a table, see the example below. The table is used to read off when the terminals are electrically connected to each other.

Example. In position III, terminal 30 is connected to terminals 15A, S, and 50.

D. Junction points
The junction points are numbered. There is a list of the different junction points. It shows which other components the junctions points are joined to. The locations are shown in Locations, Harness, "Routing of cable harnesses in the car". Harness Locations

E. Electrical distribution
Supply to the fuse is displayed in its entirety in Starting and Charging, Power and Ground Distribution, Diagrams, "Electrical distribution". Diagrams

F. Abbreviations
There are a number of abbreviations used in the book. These are explained in "Wire Color Code Identification and Other Abbreviations". Wire Color Code Identification and Other Abbreviations

Example. R-W = Red-white

G. CAN-communication
Cables which are drawn as broken lines are displayed in their entirety in Powertrain Management, Computers and Controls Systems, Information Bus, Diagrams, "Data communication". Information Bus

H. Components
This shows which different positions the different cables are connected to on the relevant component.

J. Location of components
It shows where the function components are located.

K. Connectors
Connectors which are an interface between two cable harnesses are described in Diagrams, "Connectors Views". Connector Views