Curiosii for ever!
: Car repair manuals for everyone.
Home
>>
Volvo
>>
2000
>>
S80 2.9 L6-2.9L VIN 94 B6294S
>>
Repair and Diagnosis
>>
Powertrain Management
>>
Computers and Control Systems
>>
Engine Control Module
>>
Diagrams
>>
Electrical Diagrams
>>
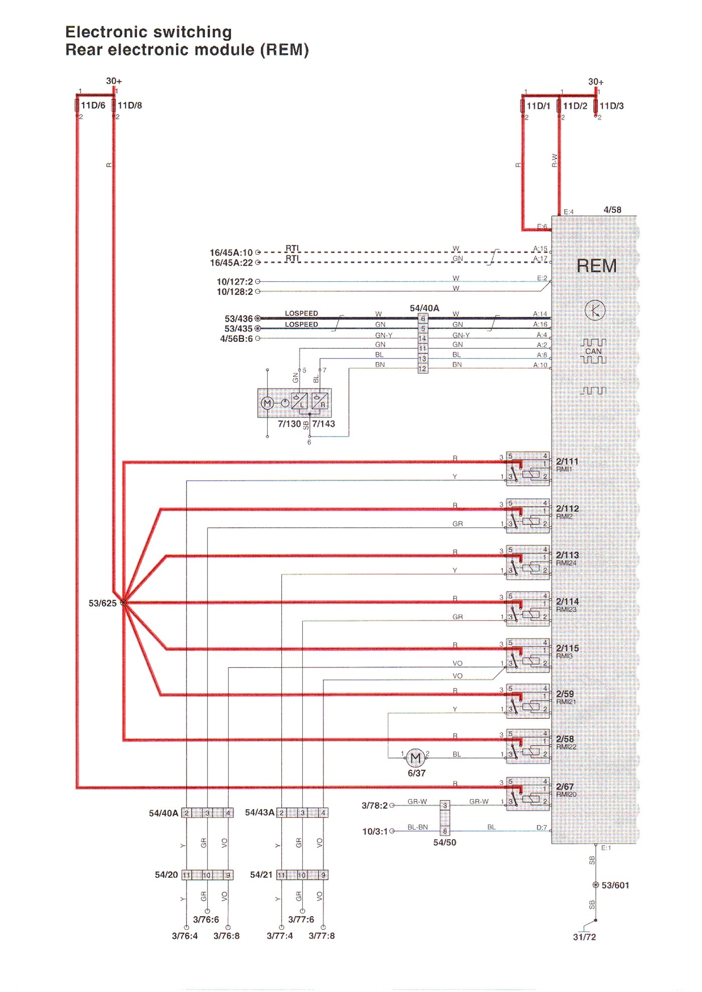
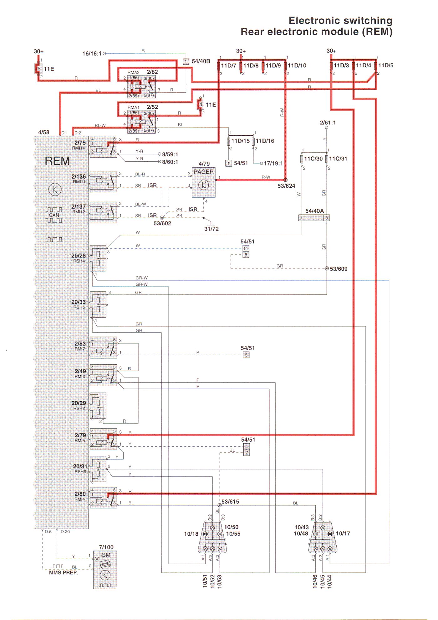
Rear Electronic Module (REM) [Early 2000]
Rear Electronic Module (REM) [Early 2000]