Curiosii for ever!: Car repair manuals for everyone.

Control Modules




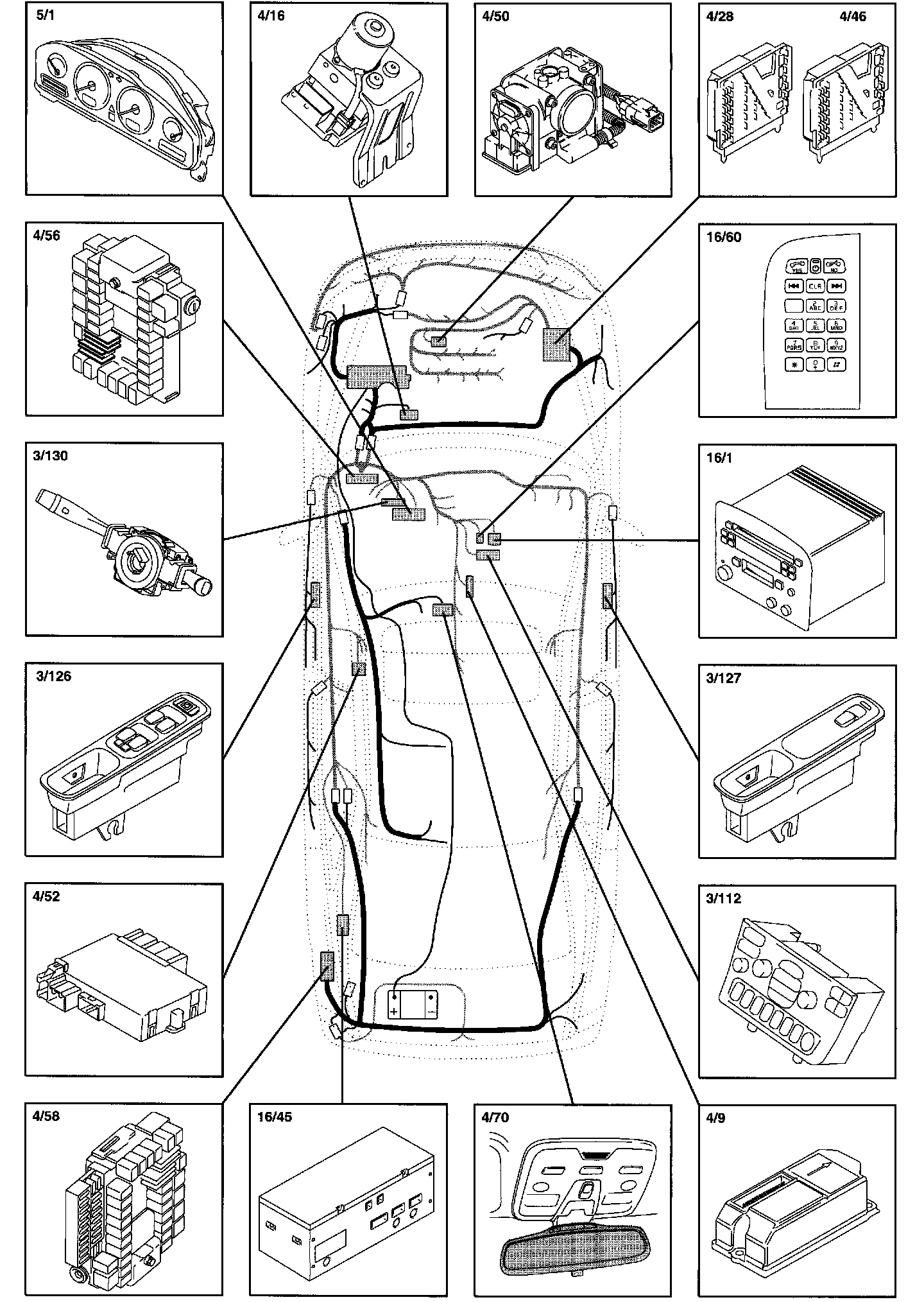
Control Module Overview:






Component Location


Component I.D. List
4/9 SRS control module
4/16 ABS control module
4/28 Transmission control module (TCM)
4/46 Engine control module (ECM)
4/50 Throttle body (TB) control module (ETM)
4/52 Control module power driver's seat (PSM)
4/56 Central electronic module (CEM)
4/58 Rear electronic module (REM)
4/70 Upper electronic module (UEM)
16/1 Radio (AUM)
16/45 Control module RTI
16/60 Control unit and keypad carphone (PHM)
3/112 Electrical switch module climate control (CCM)
3/126 Electrical module left front door (DDM/PDM)
3/127 Electrical module right front door (PDM/DDM)
3/130 Electrical switch module steering wheel levers (SWM)
5/1 Combined instrument panel (DIM)