Curiosii for ever!
: Car repair manuals for everyone.
Home
>>
Volvo
>>
2000
>>
S70 L5-2.4L VIN 61 B5244S
>>
Repair and Diagnosis
>>
Diagrams
>>
Exploded Views
>>
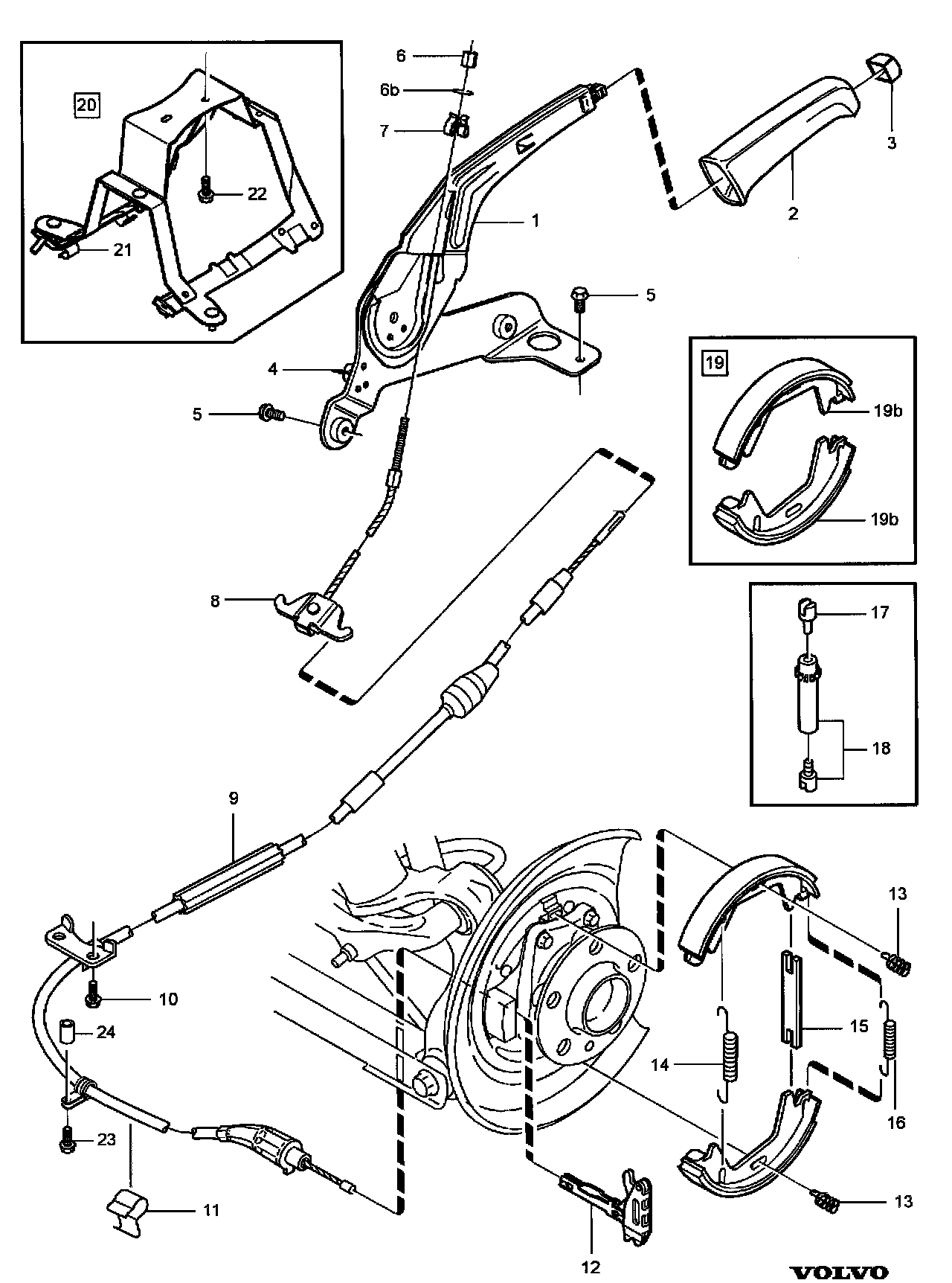
Parking Brake System
Parking Brake System
Part 1 Of 2:
Part 2 Of 2:
Parking brake. L.H.D