Curiosii for ever!: Car repair manuals for everyone.

Early




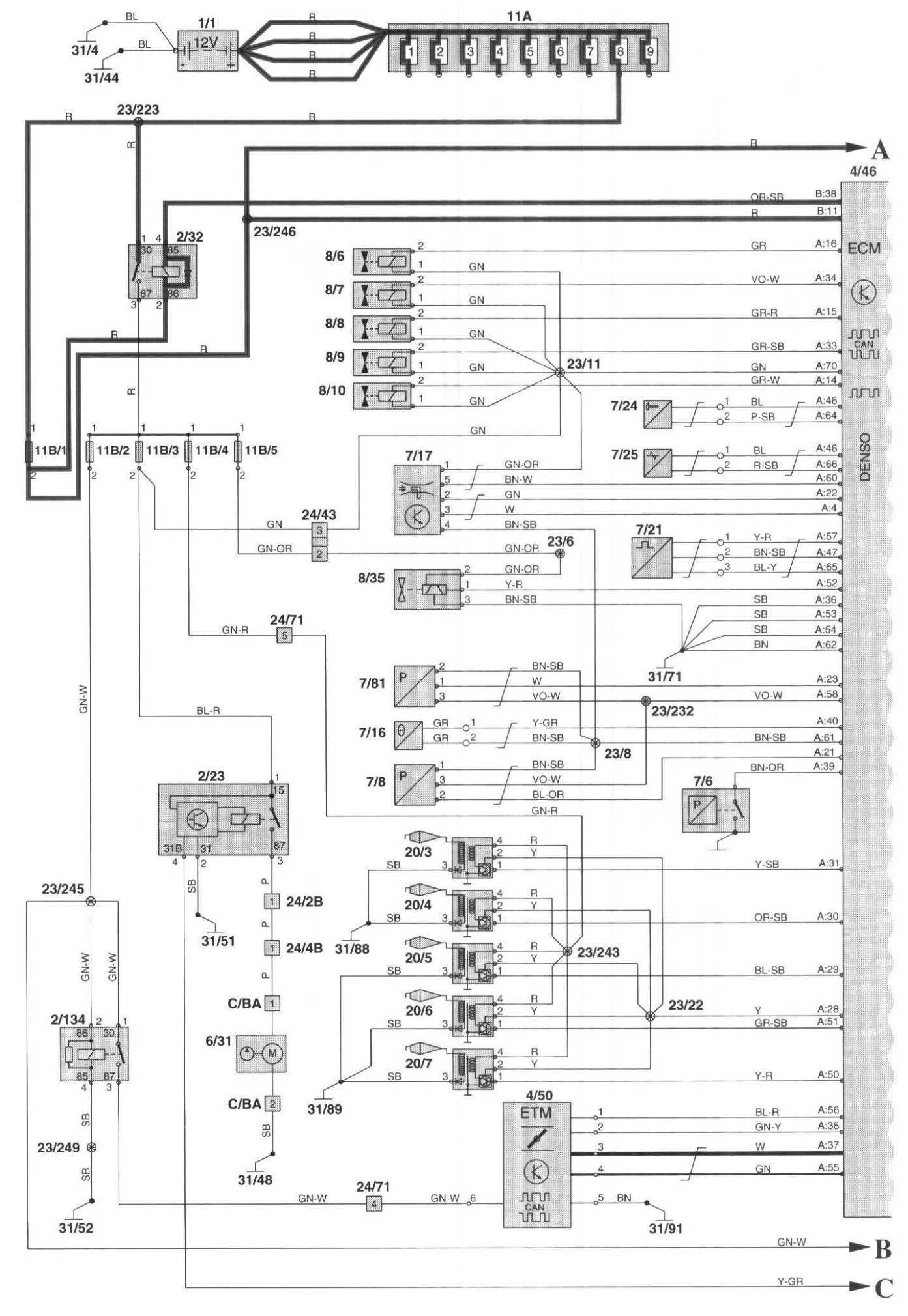
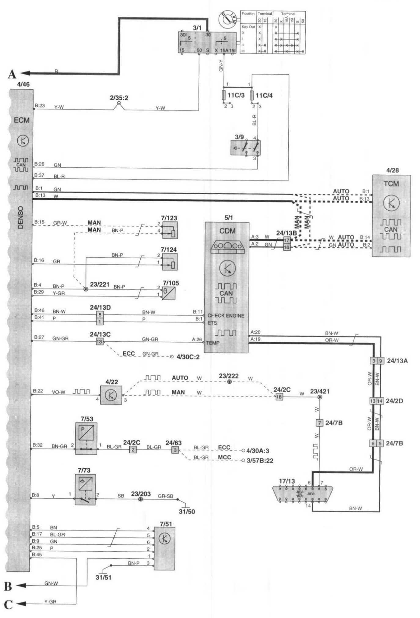
Engine Management System Denso - Wiring Diagram:






Engine Management System Denso - Wiring Diagram:






Engine Management System Denso - Component Location:






Engine Management System Denso - Component Location:





To identify components from the numeric designation, see "Component I.D List (Name and Numeric Designation)". Diagram Information and Instructions