Curiosii for ever!: Car repair manuals for everyone.

Late




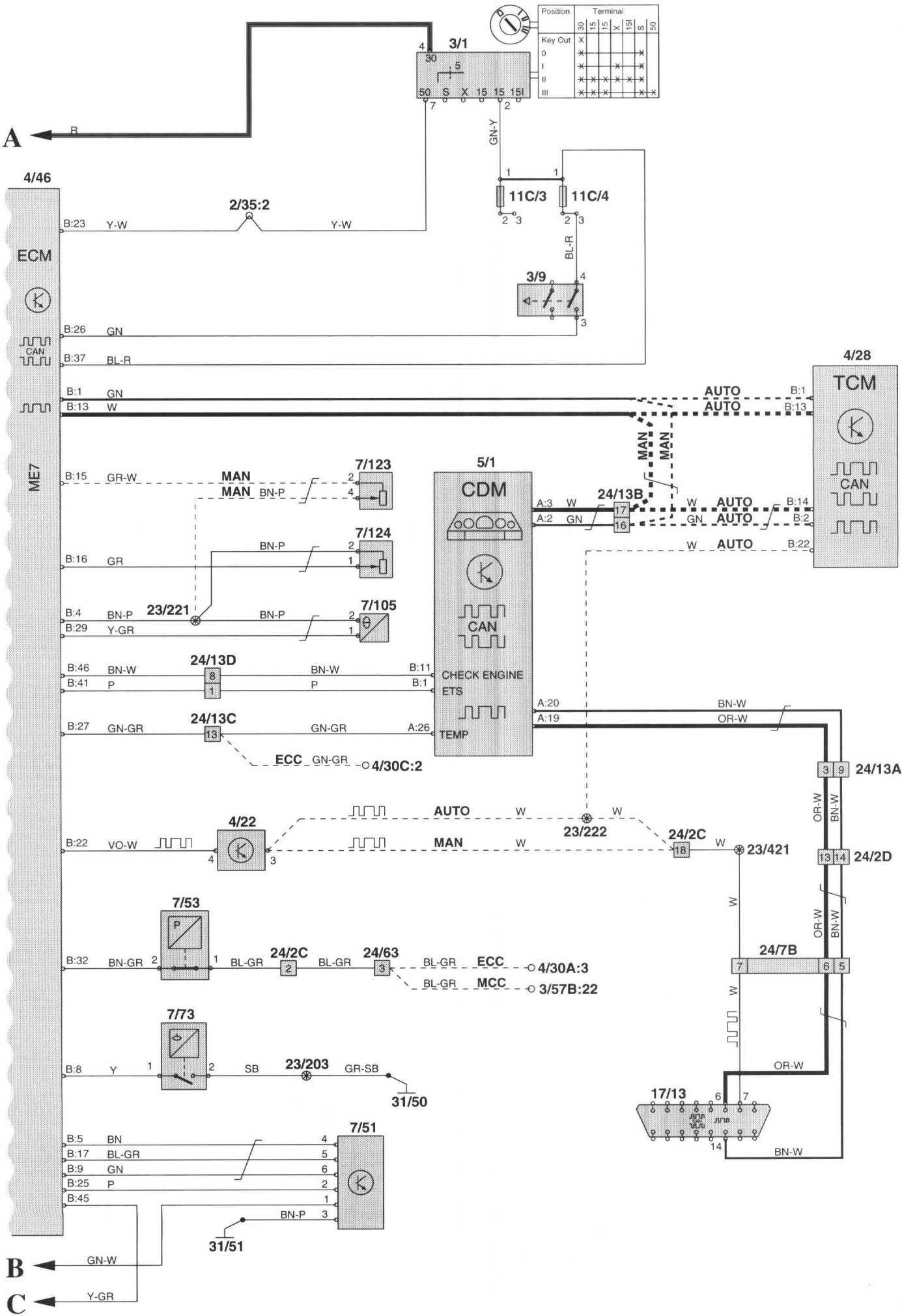
ME7 - Wiring Diagram Fig.1:






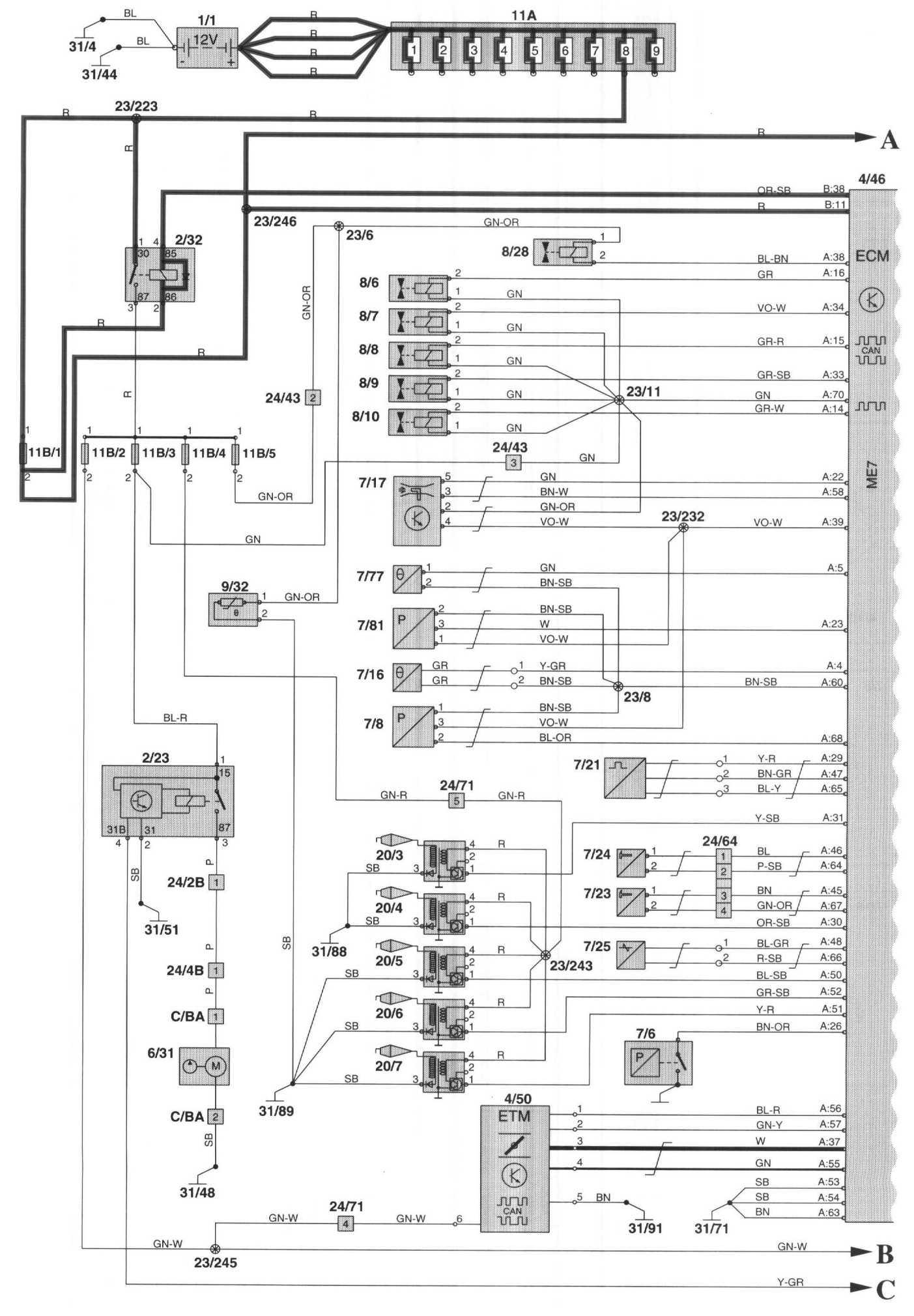
ME7 - Wiring Diagram Fig.2:






ME7 - Component Location Fig. 1:






ME7 - Component Location Fig. 2:





To identify components from the numeric designation, see "Component I.D List (Name and Numeric Designation)". Diagram Information and Instructions