Curiosii for ever!: Car repair manuals for everyone.

Pulsed Secondary Air Injection Pump System

System Overview
The pulsed secondary air injection system (PAIR) reduces the emission of hydrocarbons and carbon dioxide and heats the catalytic converter more rapidly. When the engine is started from cold the pulsed secondary air injection system pump) introduces fresh air (oxygen) into the exhaust manifold in order to promote afterburning (oxidation) of hydrocarbons and carbon monoxide. This makes it possible to increase injection period and retard ignition, increasing exhaust temperature and activating the catalytic converter more quickly.





The System Consists Of:
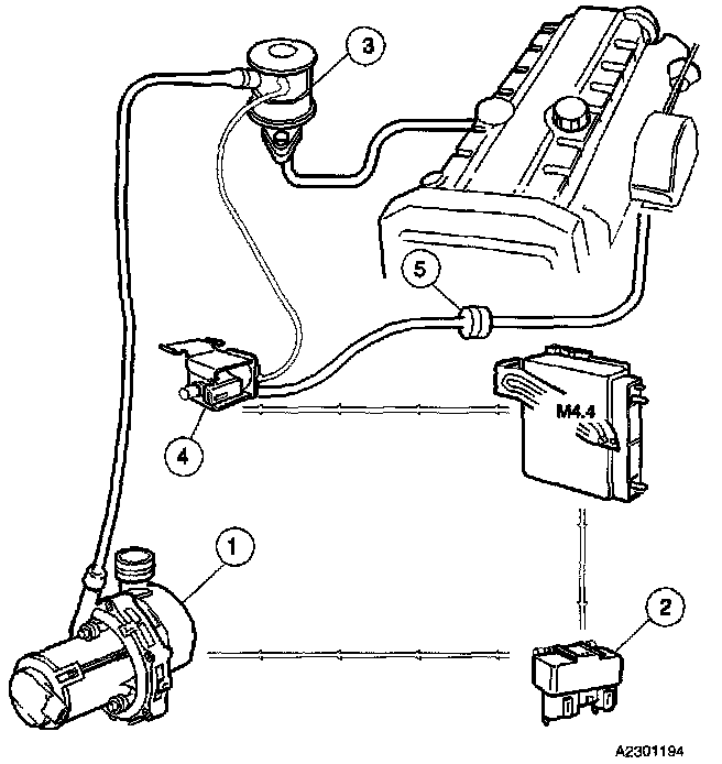
^ Pulsed secondary air injection system pump (1) activated via the pulsed secondary air injection system pump relay (2). The pulsed secondary air injection system pump has a filter and has its intake towards the side member to avoid drawing in dirt and water.
^ Pulsed secondary air injection valve (3) with its built in check valve prevents exhaust gases being forced into the pulsed secondary air injection system pump.
^ Pulsed secondary air injection system solenoid valve (4) which controls the pulsed secondary air injection system valve using the negative pressure in the intake manifold.

Motronic 4.4 controls the pulsed secondary air injection system pump relay and solenoid valve via separate outputs in the engine control module. The pulsed secondary air injection system is activated 12 seconds after the engine is started if engine temperature is between -11°C (-12.2°F) and +35°C (+95°F). After that the system remains active for 70 seconds.

The pulsed secondary air injection system pump starts when the pulsed secondary air injection system is being diagnosed (not before at least 10 minutes after the engine is started).