Curiosii for ever!: Car repair manuals for everyone.

Pulsed Secondary Air Injection System Control

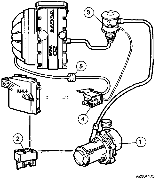
PULSED SECONDARY AIR INJECTION SYSTEM CONTROL





The Pulsed Secondary Air Injection System (PAIR) reduces the emission of hydrocarbons (HC) and carbon dioxide (CO), and heats the catalytic converter more rapidly after cold starting. When the engine is started from cold the pulsed secondary air injection system (PAIR) introduces fresh air (oxygen) into the exhaust manifold in order to promote after burning (oxidation) of hydrocarbons and carbon monoxide. This makes it possible to increase the injection period and retard ignition, increasing exhaust temperature and activating the catalytic converter more quickly.

The system consists of:

^ Pulsed secondary air injection system (PAIR) pump (1) activated via the pulsed secondary air injection system (PAIR) pump relay (2). The pulsed secondary air injection system (PAIR) pump takes fresh air directly from the air cleaner housing to avoid introducing dirt and water into the system.

^ The pulsed secondary air injection valve (3) with its built-in check valve prevents exhaust gases being forced into the pulsed secondary air injection system (PAIR) pump.

^ A solenoid (4) which controls the pulsed secondary air injection system (PAIR) valve using the negative pressure in the intake manifold.

^ A check valve (5) to maintain maximum negative pressure.

Motronic 4.4 MFI controls the pulsed secondary air injection system (PAIR) pump valve and solenoid for the pulsed secondary air injection system (PAIR) using separate outputs from the engine control module (ECM). The pulsed secondary air injection system (PAIR) is activated 20 seconds after the engine is started if engine temperature is between -12°C and +35°C. After that the system remains active for 60-100 seconds depending on engine temperature. If car speed is below 10 km/h after 20 seconds, only the pulsed secondary air injection system (PAIR) valve is activated. The pulsed secondary air injection system (PAIR) pump only starts when car speed exceeds 10 km/h and operates until the pulsed secondary air injection system (PAIR) is deactivated, regardless of whether car speed drops below 10 km/h.

The pulsed secondary air injection system (PAIR) pump starts when the pulsed secondary air injection system (PAIR) is being diagnosed (at least 10 minutes after the engine is started).