Curiosii for ever!: Car repair manuals for everyone.

Turbocharger Control

TURBOCHARGER CONTROL

Turbocharger (TC):





Overview
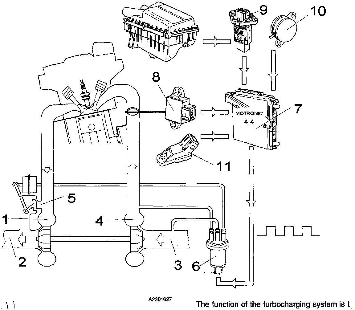
The function of the Turbocharger (TC) control system is to optimize boost pressure and, as a result, engine output under the most variable conditions. As boost pressure is controlled electronically, the turbocharger (TC) delivers full output at a speed as low as 1,800 rpm which means that it provides high torque at all engine speeds. Turbocharger (TC) boost pressure is controlled by the Engine Control Module (ECM).

The function of the turbocharging system is to increase engine output. This is achieved by compressing the intake air in the turbocharger (TC). The engine management system detects that the cylinder is being charged with a greater quantity of air and responds by injecting more fuel. In other words, the cylinder is charged with a greater quantity of air/fuel mixture than would be induced normally. The pressure developed in the system is known as boost pressure.

Exhaust gases enter the turbine through the inlet chamber (1) and are discharged to the exhaust pipe (2). Fresh air is drawn through the intake pipe (3) and, following compression, flows to the engine intake manifold through the outlet chamber (4) and Charge Air Cooler (CAC).





Boost Pressure Control Valve
The boost pressure may become excessive if turbine speed is too high. This is prevented by the Boost Pressure Control (BPC) Valve (5), which bypasses a proportion of the exhaust gases flowing to the turbine.

Turbocharger Control Valve
The boost pressure control (BPC) valve is controlled by boost pressure via the turbocharger (TC) control valve (6). An output on the engine control module (ECM) (7) transmits a pulsed signal to the turbocharger (TC) control valve. By altering the signal duty cycle (the pulsing signal) the pressure to the boost pressure control (BPC) valve can be controlled. When the engine control module (ECM) determines that a higher boost pressure is permissible, the duty cycle of the signal to the turbocharger (TC) control valve is increased and a proportion of the pressure acting on the boost pressure control (BPC) valve pressure servo is allowed through to the turbocharger (TC) inlet. Control pressure is reduced, the boost pressure control (BPC) valve opens later and turbocharger (TC) pressure can increase.

Controlling Turbocharger Boost Pressure
The turbocharger (TC) control valve duty cycle (pulsed signal) is controlled by a desired value computed by the engine control module (ECM).

The engine control module (ECM) uses signals from the following sensors for this purpose:

- Throttle Position (TP) Sensor (8)
- Mass Air Flow (MAF) Sensor (9)
- Engine Speed (RPM) Sensor (10)
- Atmospheric Pressure (11).

There is no boost pressure sensor in this turbocharger (TC) system. The engine control module (ECM) uses the mass air flow (MAF) sensor signal (a measure of the flow through the Air Cleaner (ACL) to compute boost pressure.

Boost Pressure Reduction
When the car is driven in 1st or reverse gears the wheels will spin easily if normal turbocharger (TC) control is in operation. To avoid this boost pressure reduction is engaged at engine speeds under 3,000 rpm and speeds below 10 km/h (6.25 mph) in 1st or reverse gears. This applies only to cars with automatic transmission. The transmission control module (TCM) transmits a signal to the engine control module (ECM) when boost pressure reduction is required. The engine control module (ECM) reduces boost pressure if necessary. Boost pressure reduction occurs in Winter mode and when the stop (brake) light switch is closed. The boost pressure may also be reduced to protect the engine from damage. If the knock sensors (KS) detect that the engine is knocking above a given threshold value, and ignition has been retarded and the air/fuel mixture has been enriched, the engine control module (ECM) will reduce the boost pressure until knock ceases. A reduction in boost pressure also takes place if there is a risk of the engine overheating. If the engine coolant temperature (ECT) sensor indicates that the temperature has exceeded +1 18°C (244.4°F), the engine control module (ECM) will reduce the boost pressure to reduce heat generation.

Boost pressure increase
At high altitudes the car will not respond well. To compensate for this the duty cycle to the turbocharger (TC) control valve is increased when the car is at high altitudes. The engine control module (ECM) derives height above sea level using the atmospheric pressure sensor.

Boost pressure monitoring
The engine control module (ECM) monitors boost pressure continuously using information supplied by the mass air flow (MAF) sensor describing the intake air mass. If boost pressure exceeds the permissible level, the engine control module (ECM) will close the turbocharger (TC) control valve so that boost pressure is limited to its initial value. If the pressure continues to rise despite this adjustment, the engine control module (ECM) will interrupt the fuel supply by keeping the injectors closed. When pressure has dropped to a permitted level fuel injection is enabled again. If the computations indicate that the boost pressure is too low, pressure will be limited to its initial value as the fault may be due to a blocked air intake for example. If a fault occurs in a component that affects the calculation of boost pressure the engine control module (ECM) will only permit initial boost pressure.