Curiosii for ever!: Car repair manuals for everyone.

With Federal Emissions (Emissions Code D3)





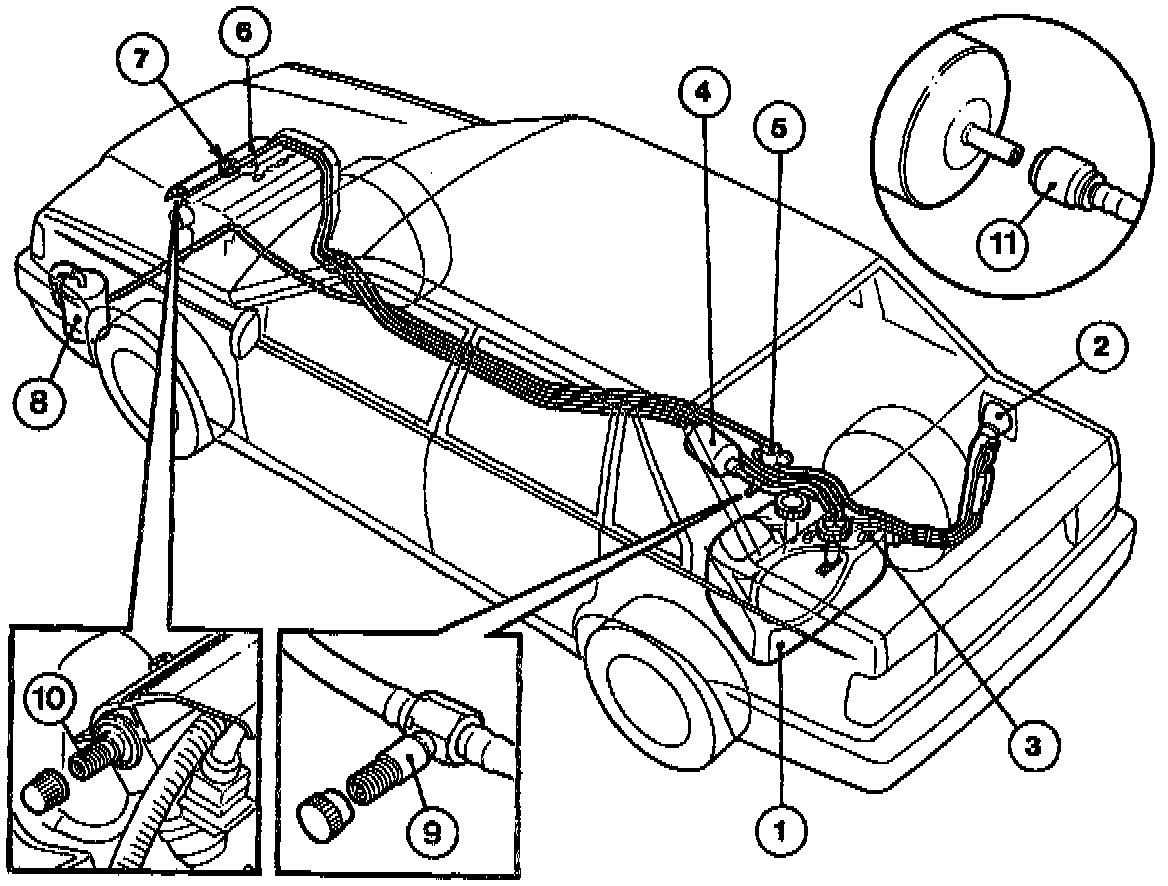
FUEL DISTRIBUTION

The fuel tank (1) has a capacity of 73 liters (19.3 US gal.). The filler pipe (2) is external to both the passenger and luggage compartments, and is equipped with a non-return valve (3) to prevent spillage when refuelling.

The fuel filter (4) is located beside the right-hand rear axle mounting bracket, beside the rollover valve (5).

Located in the engine compartment, the fuel rail (6) is combined with the pressure regulator (7), which maintains a pressure of 300 kPa (43.5 psi) above the intake manifold pressure under normal running conditions.

The EVAP system carbon filter (8) is mounted at the left front wheel housing.

A vent valve (9), installed upstream of the filter and a suction connection (10) on the fuel rail are provided to prevent spillage, for example when replacing the filter.

The fuel filter and pump connections (11) are of the quick-release type. The connections are opened by pulling back the outer sleeve to release an internal catch.

The fuel pump and level transmitter are separate units. The transmitter is of the tubular type, the resistance of which increases by 5 ohm per litre/O.26 gal.