Curiosii for ever!: Car repair manuals for everyone.

With Federal Emissions (Emissions Code D3)

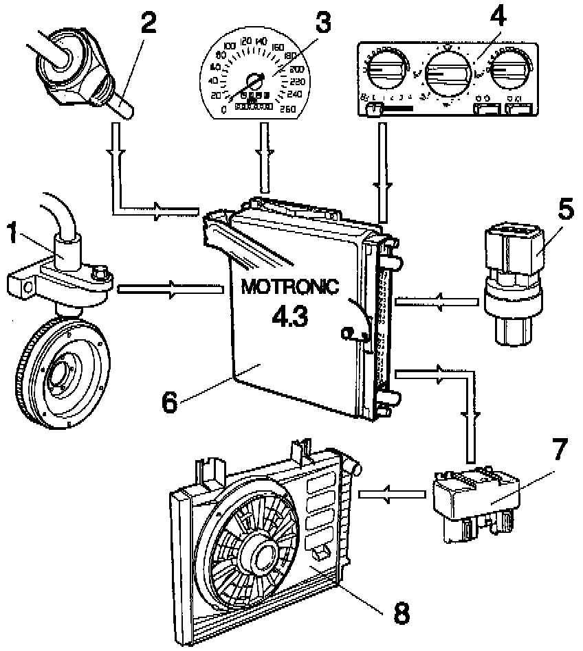
ENGINE COOLING FAN CONTROL





The engine cooling fan is controlled by the ECM using the following signals and components:

^ Engine speed signal from (RPM) sensor (1)
^ Engine Coolant Temperature signal from (ECT) sensor (2)
^ Vehicle Speed Signal (VSS) from speedometer (3)
^ The controls on the panel (4) for the A/C unit (A/C OFF/ON)
^ Pressure in A/C system from A/C pressure sensor (5) The ECM (6) activates the fan relay (7) and engine cooling fan (8) when additional cooling capacity is required.

The fan is started when the engine coolant temperature exceeds the normal working value of 1O2°C (215.6°F) or if the ECM internal temperature exceeds 80°C (176°F).

On cars with A/C, the fan is also operated if:

^ The A/C unit is on, vehicle speed is low, below 65 km/h (40.4 mph) and pressure is above a certain level
^ The A/C system pressure is too high.

When the engine has been STOPPED, the ECM may keep the fan in operation as follows:

^ For 6 minutes if the engine was RUNNING at high load and high temperature immediately before it was switched OFF.
^ For 3 minutes if the fan was RUNNING at full speed when the engine was switched OFF i.e. if there was a risk of overheating.

The fan is a two-speed unit. The low speed is used for normal control purposes, while the high-speed mode is used only when there is a risk of engine overheating or if the A/C system pressure is high.