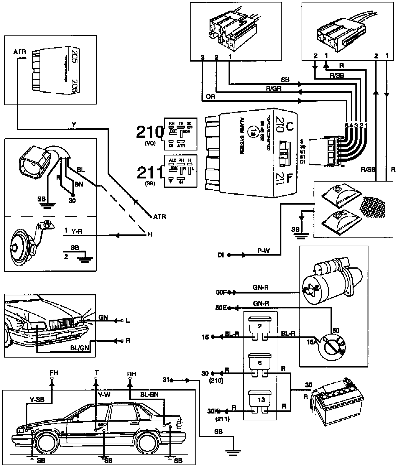
Guard Alarm II Outlined
Inhibitor Integral In Relay Plinth 210-50F:
Relay plinth 210 ("B in wiring diagrams)
Relay plinth 211 ("A in wiring diagrams)
5-pin plinth in top of control module
Guard Alarm II Relay/Module 210-211:
Guard Alarm II outline wiring diagram
NOTE: Take care to check the wiring diagram for the car concerned, as there may be some differences in designations of connectors etc.