Curiosii for ever!: Car repair manuals for everyone.

Cruise Control: Locations




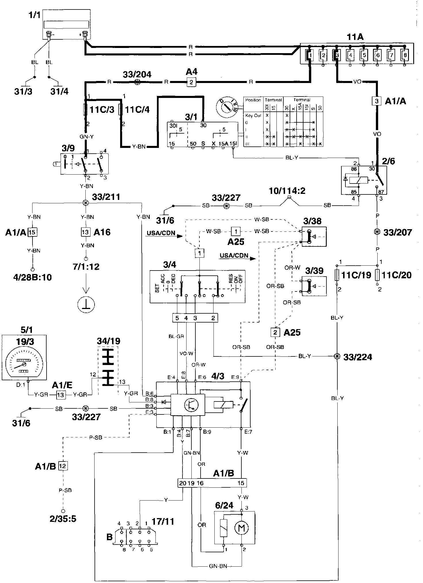
Component Location




Wiring Diagram

Component I.D List
A1 Multi connector left A-pillar
A4 2-pin connector left A-pillar OH engine compartment - CH in-car (white)
A16 24-pin connector CH in-car - CH rear
A25 2-pin connector CH in-car - CH pedal mounting
2/6 Overload relay 151
3/4 Cruise control operation
3/9 Brake light switch
3/38 Switch, brake pedal
3/39 Switch, clutch pedal
4/3 Control module, Cruise control
5/1 Combined instrument
6/24 Cruise control vacuum pump
11C/1-24 Fuses in fuse box
17/11 OBD diagnostic socket
31/6 Ground connector left seat lift
34/18 22-pin connector: ground connection at central relay module in car
34/19 22-pin connector: ground connection/terminal block at parking brake