Curiosii for ever!: Car repair manuals for everyone.

Main Relay (Computer/Fuel System): Testing and Inspection

TESTING PROCEDURE:

NOTE: While trouble shooting, always check the wiring, fuses and connectors for good condition and routing. Use the wiring diagrams found in CHASSIS ELECTRICAL DIAGRAMS to supplement your testing efforts.

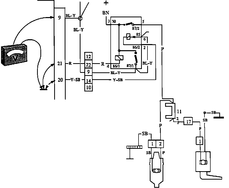
Color Code Legend:





Checking ECU Ground Connections:





1. Turn ignition OFF.
2. Access fuel injection ECU by removing the passenger side kick panel and glove compartment.
3. Check fuel injection ECU ground connections. They should make good contact and fit tight.

Removing ECU Connector:





4. Remove fuse #1 (located in central electric unit behind ash tray) to interrupt the power supply. Then remove the ECU connector by pressing up the latch and folding out the wire cluster.

Removing Protective Sleeve:





5. Remove connector protective sleeve and reinstall fuse #1 for testing.
CAUTION: ^ Never check connections from the front. Connectors can get damaged and worsen the problem.
^ Check connections through the holes in the connector.
^ Connection pin numbers are printed on the connector side.

Checking Pin# 9:





6. To check the [1][2]system relay (located in central electric unit behind ash tray), connect a voltmeter between ground and ECU connector pin 9.
7. Connect a lead between ground and ECU connector pin 21. The relay should now close and the voltmeter should show:

Reading: approx. 12 volts

If reading is no or low voltage, check fuse #1 (located in central electric unit behind ash tray), battery, wiring to battery and connectors.
a. If fault found, repair as needed and retest.
b. If no fault found, proceed with next step.

Checking Pin 9:





8. Check fuel pump relay (part of [1][2]system relay) by connecting a lead between ground and pin 20 of the fuel injection ECU connector.
9. Voltmeter must be connected between pin 9 and ground.
10. Pump relay should close and run fuel pumps.
a. If fuel pumps start operating, relay is O.K.. Proceed with step 12.
b. If fuel pumps don't run, check relay wiring, fuses and fuel pump wiring and connectors. Repair or replace as necessary.
If wiring, fuses and connectors are in good condition, replace [1][2]system relay and retest.
11. Disconnect voltmeter and leads from pins 9, 20 and 21.

Reconnecting The ECU Connector:





12. Remove the #1 fuse and reconnect the ECU connector. Ensure that the rubber seal in the connector is installed before it is connected to the ECU.
13. Reinstall the #1 fuse.