Curiosii for ever!: Car repair manuals for everyone.

Ignition Control

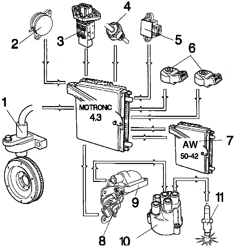
IGNITION CONTROL





Ignition control is based on the signals from the following sensors:

^ Engine Speed (RPM) Sensor (1)
^ Camshaft Position (CMP) Sensor (2)
^ Mass Air Flow (MAF) Sensor (3)
^ Engine Coolant Temperature (ECT) Sensor (4)
^ Throttle Position (TP) Potentiometer (5)
^ Knock Sensors (KS) (6)
^ Transmission Control Module (TCM) (7)

The ECM computes the timing and operates the Power Stage (8) in response to the signals from the above sensors. The power stage interrupts the current to the Ignition Coil (9), inducing a high tension in the coil. The HT pulses are distributed to the spark plugs (11) by the distributor (10).

The timing is fixed during the start-up phase. However, when the engine has been started and the car is driven away, the ECM computes the optimum timing based on the engine speed, load and temperature, among other parameters.

The ECM analyses the KS signals when the engine has reached working temperature. If engine knock occurs, the timing is retarded in the cylinder affected until the phenomenon ceases.

The timing is then re-advanced to the normal setting or until knock recurs.

On occasion, before changing gear, the TOM sends a torque reduction request to the ECM, which responds by retarding the timing momentarily to reduce the torque and relieve the load on the transmission.

Timing retardation can be achieved at three levels, depending on the signals from the TCM The return signal from the Motronic control module to the TCM verifies that the signal reached the Motronic control module.

Together with the power stage, the ECM incorporates a function for controlling the ignition coil current, ensuring that the coil is optimally charged at all times, regardless of engine speed.