Curiosii for ever!: Car repair manuals for everyone.

Bosch

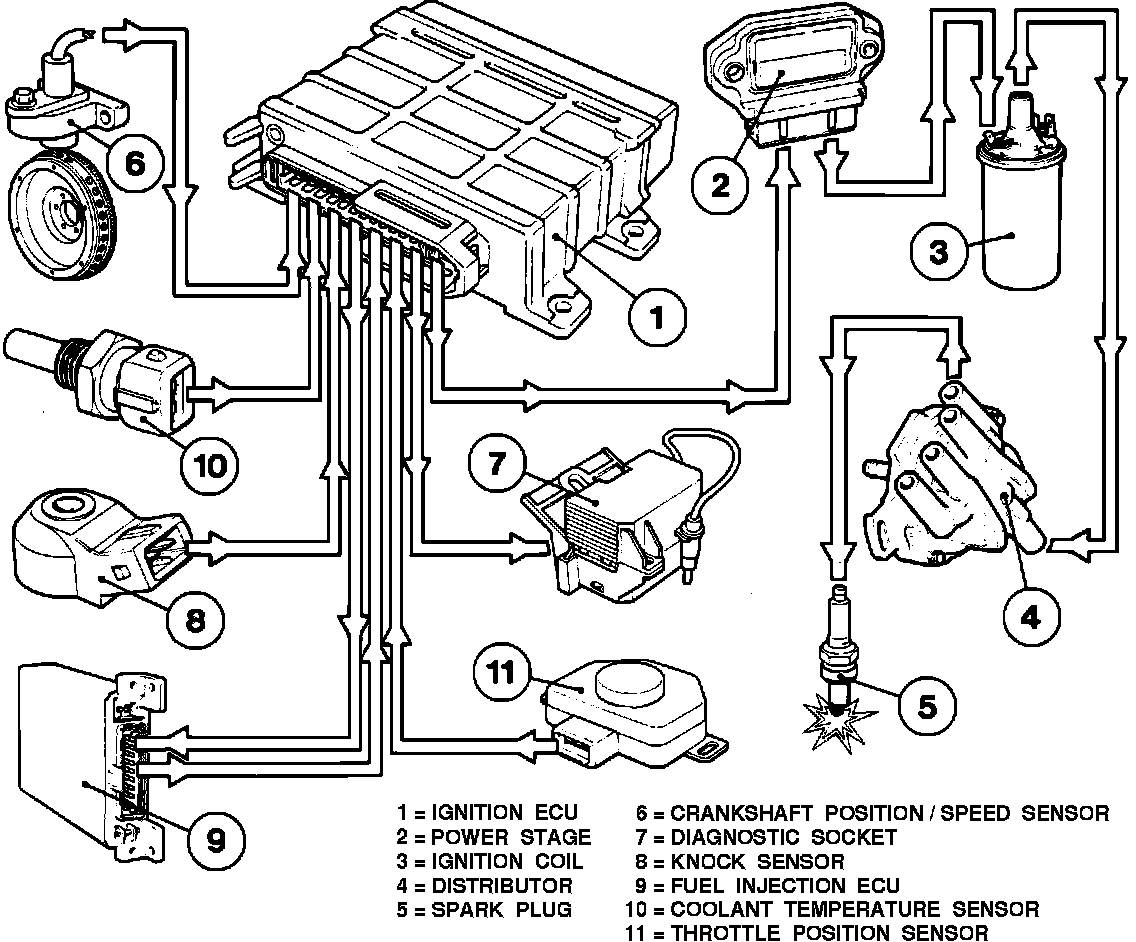
Ignition System Schematic:






PURPOSE
The EZ116K ignition is based on the fully electronically controlled Bosch ignition system with knock control. The ECU, located above the steering column, uses electrical input signals from various devices and sensors to calculate the engine load and speed. With this information the ECU adjusts ignition timing to provide optimum performance, efficiency, and the lowest possible emissions output.

The ECU contains several functions and programs within its micro-processor. These are discussed in detail below.

Three-Dimensional Ignition Map:





TIMING PROGRAM:
The control unit is programmed with a series of specific settings for a number of defined speeds and engine loads. These settings are stored in the ECU as an "ignition map". This means the timing can be controlled to the accuracy of a fraction of a degree. The ignition ECU will adjust the timing according to this "ignition map" at all times under all engine loads (except engine knock).

ANTI-KNOCK PROGRAM:
Knock causes high and dangerous combustion temperatures. The ignition system will first retard the timing in approx. 2.5° increments (to a maximum of 14°) to reduce knock. If knock persists, the fuel injection system will provide a richer air/fuel mixture to eliminate the knocking problem.

When the knock problem has been eliminated, the ignition ECU will advance the timing in 0.375° steps until the normal setting has been restored or knock reoccurs.

STANDING CURRENT PROTECTION FUNCTION:
To avoid overheating the coil when the ignition is ON and the engine off, a separate circuit interrupts the current to the coil. The ECU uses the engine speed and position signal to determine if the engine is running or at rest.

SELF DIAGNOSIS FUNCTION:
If the self diagnostic circuit ("on board diagnostics") in the ECU detects a fault in the ignition system, it will activate the "CHECK ENGINE" light. By extracting the fault codes from the diagnostic socket, you can determine what component or components need further testing or replacement. The system can store up to three fault codes.

The ECU receives the following input signals:
^ Battery supply signal (voltage).
^ Ignition switch signal.
^ Crankshaft position and speed signal.
^ Knock signal.
^ Coolant temperature signal.
^ Air mass meter signal from fuel injection control unit.
^ Throttle position signal.

These signals are processed into the following outputs:
^ Power stage.
^ EGR converter (California market only).
^ Crankshaft speed (RPM) signal to the fuel injection control unit (fuel injection ECU input device).
^ Crankshaft position signal to the fuel injection control unit (fuel injection ECU input device).
^ Knock signal to the fuel injection control unit (fuel injection ECU input device).
^ Diagnostic socket fault information.
^ "CHECK ENGINE" light.