Curiosii for ever!: Car repair manuals for everyone.

Fuel Injection

TESTING PROCEDURE:

NOTE: Check that coolant temperature and knock sensor connectors at engine block are not interchanged.
While trouble shooting, always check the wiring, fuses and connectors for good condition and routing. Use the wiring diagrams found in SCHEMATIC DIAGRAMS to supplement your testing efforts.

Color Code Legend:





Checking ECU Ground Connections:





1. Turn ignition OFF.
2. Access fuel injection ECU by removing the passenger side kick panel and glove compartment.
3. Check fuel injection ECU ground connections. They should make good contact and fit tight.

Removing ECU Connector:





4. Remove fuse #1 (located in central electric unit behind ash tray) to interrupt the power supply. Then remove the ECU connector by pressing up the latch and folding out the wire cluster.

Removing Protective Sleeve:





5. Remove connector protective sleeve and reinstall fuse #1 for testing.
CAUTION: ^ Never check connections from the front. Connectors can get damaged and worsen the problem.
^ Check connections through the holes in the connector.
^ Connection pin numbers are printed on the connector side.

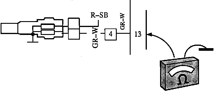
Checking Pin 13:





6. Check temperature sensor by connecting an ohmmeter between ground and ECU connector pin 13.

Coolant Temperature Resistance Chart:





7. Resistance depending on coolant temperature should be (also see chart):

14°F (-10°C) 8,260 - 10,560 ohms
68°F (+20°C) 2,280 - 2,720 ohms
176°F (+80°C) 290 - 364 ohms

8. If a fault occurs, measure at coolant temperature sensor to see if the sensor or the wiring is the problem.
a. If reading is the same at the sensor, replace sensor and retest.
b. If reading at sensor is correct, check wiring and ground connection.
9. Disconnect the test equipment. Remove the #1 fuse and reconnect the ECU and all other connectors, install the kick panel and glove compartment. Ensure that the rubber seal in the ECU connector is installed before it is connected to the unit.
10. Reinstall the #1 fuse.