Curiosii for ever!: Car repair manuals for everyone.

Cruise Control: Locations

Cruise Control:




Component Location

Cruise Control:




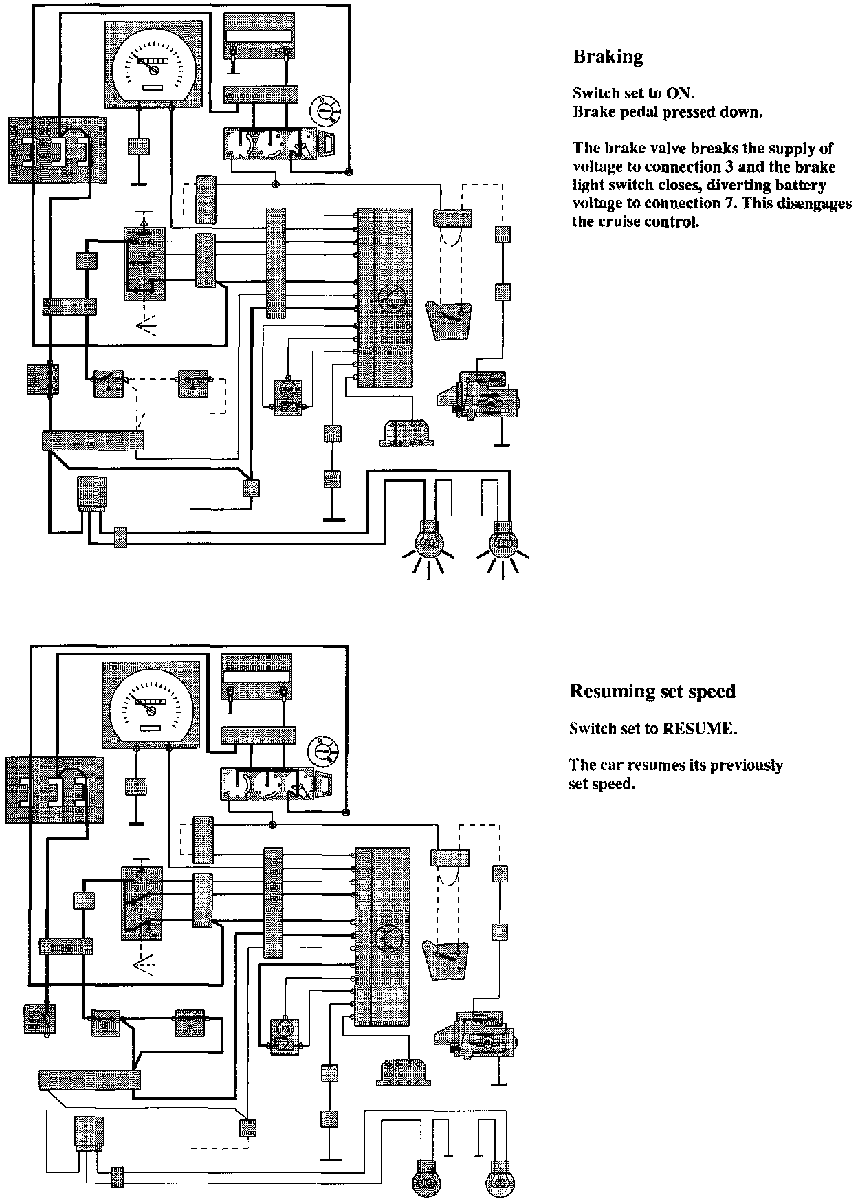
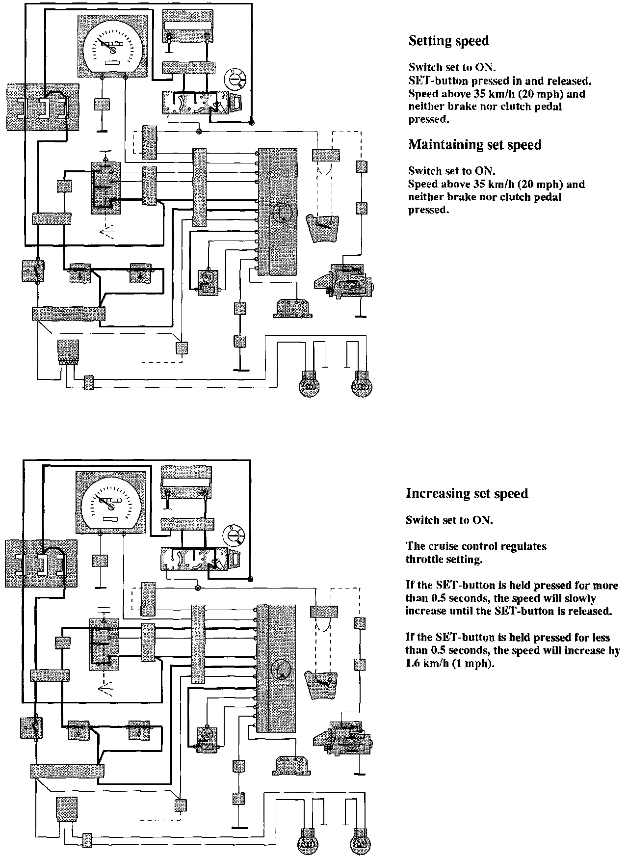
Cruise Control, Function:




Cruise Control, Function:




Wiring Diagrams

Component I.D. List

No. Component Name

1/1 Battery
2/2 Relay, front foglights
2/3 Regulator DIM-DIP
2/4 Intermittent relay, windshield wipers
2/5 Relay, seat belt reminder/ignition key warning
2/6 Bypass relay 151
2/7 Central locking relay
2/8 Overdrive relay
2/10 Power unit ECC
2/11 Relay, engine cooling fan
2/12 Relay, radio interference suppression
2/13 Relay, fuel injection (MFI)
2/14 Relay, glowplug mechanism
2/15 Relay, exhaust gas temperature sensor
2/16 Tailgate intermittent wiper relay
2/23 Relay, fuel injection
2/34 Relay, front foglights
2/36 Headlight flasher
2/37 Headlight relay
2/38 Timer relay, exhaust gas recirculation (EGR)
2/45 Relay, P-shift lock
2/50 Bypass relay, high beam
3/1 Ignition lock
3/2 Light switch
3/4 Cruise control operation
3/5 Switch, turn signal/high-low beam
3/6 Switch, hazard warning flashers
3/7 Foglight switch
3/8-1 Switch, heated rear window
3/8-2 Switch with timer relay, heated rear window/door mirrors
3/9 Brake light switch
3/10 Backup (reversing) light switch
3/12 Switch, windshield wash/wipe
3/13 Switch, tailgate wash/wipe
3/14 Switch, lock button
3/15 Power window switch, driver's door for driver's door
3/16 Power window switch, driver's door for driver's side rear door
3/17 Power window switch, driver's door for passenger's side front
3/18 Power window twitch, driver's door for passenger's side rear
3/19 Power window switch, driver's side rear
3/20 Power window switch, passenger's side front
3/21 Power window switch, passenger's side rear
3/22 Switch for rear power window lifts
3/23 Switch for power door mirror, driver's side
3/24 Switch for power door mirror, passenger's side
3/25 Switch for power sunroof
3/26 Operating module, driver's seat
3/27 Operating module, passenger's seat
3/28 Switch for heated driver's seat
3/29 Switch for heated passenger's seat
3/31 Door switch, driver's door
3/32 Door switch, passenger's side front
3/33 Door switch, driver's side rear
3/34 Door switch, passenger's side rear
3/35 Door switch, tailgate (5-door estate)
3/36 Switch, glove compartment
3/37 Horn contacts
3/38 Switch, brake pedal
3/39 Switch, clutch pedal
3/40 Start inhibit switch, automatic transmission
3/42-1 Switch on transmission
3/42-2 Oil pressure sensor, kick-down valve
3/43 Switch in gear lever
3/44 Seat belt lock, driver's seat
3/47 Parking brake switch
3/50 Throttle position (TP) switch
3/52 Switch for power antenna
3/59 Beam width control
3/66 heostat setting
3/78 Idle air control (IAC) control, EGR
3/70 Lock unit, tailgate
4/1 Overheating protector, driver's seat
4/2 Overheating protector, passenger's seat
4/3 Control module, cruise control
4/4 Rheostat
4/5 Safety circuit, SRS (airbag)
4/6 Control module, ECC
4/9 Sensor module, SRS (airbag)
4/10 Control module EZ-K (DI) system
4/15 Power amplifier, EZ-K (DI) system
4/16 Control module ABS
4/23 ontrol module LH-jetronic 2.4 (MFI) system
4/25 Control module Regina (MFI) system
4/26 Power amplifier/ignition coil REX-I (DI) system
4/29 Control module driver's seat
4/40 A/C controls, MCC
4/42 Control module REX-I (DI) system
4/43 Heater controls
5/1 Combined instrument
5/3 Ambient temperature sensor
6/1 Windshield wiper motor
6/2 Washer motor, front
6/3 Right headlight wiper motor
6/4 Left headlight wiper motor
6/5 Central locking motor, passenger's side front
6/6 Central locking motor, passenger's side rear
6/7 Central locking motor, driver's side rear
6/8 Central locking motor, tailgate
6/9 Window lift motor driver's door
6/10 Window lift motor driver's side rear
6/11 Window lift motor passenger's side rear
6/13 Power door mirror, driver's side
6/14 Power door mirror, passenger's side
6/15 Motor, power sunroof
6/16 Motor, driver's seat backrest
6/17 Motor, up-down, front edge of driver's Seat
6/18 Motor, up-down, rear edge of driver's seat
6/19 Motor, fore-aft, driver's Seat
6/24 Vacuum pump, cruise control
6/25 Starter motor
6/26 Generator
6/27 Servo motor, throttle control
6/28 Cabin fan motor
6/29 Engine cooling fan
6/30 Washer motor, tailgate
6/31 Fuel pump
6/32 Tailgate wiper motor
6/33-1 Fuel level sensor/primer pump
6/33-2 Fuel level sensor/pump
6/34 Power antenna
6/35 Parking beater
6/36 Central locking motor, driver's side front
6/38 Actuator, left
6/39 Actuator, right
7/4 Brake fluid level sensor
7/5 Washer fluid level sensor
7/6 Oil pressure sensor
7/7 Engine coolant temperature (ECT) sensor
7/9 Engine coolant temperature (ECT) sensor, ECC
7/10 Cabin temperature sensor
7/11 Ambient temperature sensor
7/12 Solar sensor
7/14 Thermostat, engine cooling fan
7/15 Heated oxygen sensor (HO2S)
7/16 Engine coolant temperature (ECT) sensor, fuel/ignition (MFI/DI)system
7/17 Mass air flow (MAF) sensor
7/24 Knock sensor (KS)
7/25 Engine speed (RPM) sensor
7/26 Pressure sensor, EGR
7/28 Engine coolant temperature (ECT) sensor, diesel
7/30 Pressure sensor for charge pressure, turbodiesel
7/31 Sensor, ABS left front
7/32 Sensor, ABS right front
7/33 Sensor, vehicle speed (VSS) and ABS
7/34 Thermoelement, three-way catalytic converter (TWC)
7/37 Temperature sensor, EGR
7/38 Low-speed pressure tensor, engine cooling fan
7/40 High-speed pressure sensor, engine cooling fan
7/41 High-pressure sensor, A/C
7/43 Thermostat, driver's seat
7/44 Thermostat, passenger's seat
7/47 PTC-resistor, air pre-heating
7/50 Pressure sensor, intake manifold
7/52 Temperature sensor, intake air
7/53 Low-pressure sensor, A/C
7/69 Ambient temperature sensor
7/75 Bulb malfunction indicator
8/1 Operating solenoid, overdrive
8/2 Solenoids, ECC
8/3 Solenoid coupling, A/C
8/5 Idle air control (IAC) valve
8/6-9 Injection valves
8/13 Fuel valve, diesel
8/15 Hydraulic unit, ABS
8/17 Converter, EGR
8/24 3-way valve, EGR
8/30 Steering wheel module, SRS (airbag)
8/33 Igniter for left seat belt tensioner
8/34 Igniter for right teat belt tensioner
8/36 Solenoid P-shift lock
8/42 Solenoid, pulsed secondary air injection (PAIR)
9/1 Cigar lighter
9/2 Heated rear window
9/3 Heater element, driver's seat backrest
9/4 Heater element, passenger's seat backrest
9/5 Heater element, driver's teat cushion
9/6 Heater element, passenger's seat cushion
10/5 Left front foglight
10/6 Right front foglight
10/11 Left front parking light
10/12 Right front parking light
10/13 Left front turn signal
10/14 Right front turn signal
10/15 Left turn signal repeater (not USA/CDN)
10/16 Right turn signal repeater (not USA/CDN)
10/19 Extra brake light
10/20 Left number plate light
10/21 Right number plate light
10/22 Roof light
10/24 Trunk light
10/25 Roof light, load area (5-door)
10/29 Glove compartment light
10/30 Door-open warning light, driver's door
10/31 Door-open warning light, front passenger's side
10/32 Door-open warning light, rear driver's side
10/33 Door-open warning light, rear passenger's side
10/36 Control panel lighting
10/38 Ashtray lighting, rear
10/39 Switch lighting, seat heater
10/40 Gear selector lighting
10/43 Right brake light
10/44 Right parking light, rear
10/45 Right parking/tail light
10/46 Right rear foglight
10/47 Bulb, right rear turn signal
10/48 Right backup (reversing) light
10/50 Left brake light
10/51 Left parking light, rear
10/52 Left parking/tail light
10/53 Left rear foglight
10/54 Bulb, left rear turn signal
10/55 Left backup (reversing) light
10/64 Right high beam
10/65 Right extra high beam
10/66 Right low beam
10/68 Left high beam
10/69 Left extra high beam
10/70 Left low beam
10/72 Ashtray lighting, front
10/74 Indicator light, exhaust gas temperature
10/75 Indicator light, charge pressure, turbodiesel
10/76 Indicator light, diesel preheating
10/77 Indicator light, SRS (airbag)
10/78 Indicator light, seat belt
10/79 Indicator light, overdrive (auto.)/Gear selection indicator
10/80 Indicator light, overdrive (man.)
10/82 indicator light, ABS
10/83 Indicator light, parking brake
10/84 Indicator light, brake warning
10/85 Indicator light, high beam
10/86 Indicator light, oil pressure
10/87 Indicator light, charge
10/88 Indicator light, bulb failure
10/89 Indicator light, rear foglights
10/90 Indicator light, washer fluid level
10/91 Service indicator
10/92 Indicator light, trailer
10/93 Indicator light, malfunction indicator lamp (MIL)
10/94 Indicator light, right turn signal
10/95 Indicator light, left turn signal
10/96 Instrument lighting
10/103 Switch lighting, heated rear window/door
10/104 Switch lighting
10/114 Vanity mirror lighting, passenger's side
10/115 Vanity mirror lighting, driver's side
11/1-26 Fuses
11/41 Fuse, combined instrument
15/1 Positive terminal
15/2 30-rail in el. distribution unit
15/9 Fuse-protected 15-rail in el, distribution unit
16/1 Radio
16/2 Amplifier
16/3 Loudspeaker, right front door
16/4 Loudspeaker, left front door
16/5 Loudspeaker, right rear door
16/6 Loudspeaker, left rear door
16/7 Loudspeaker, instrument panel, right side
16/8 Loudspeaker, instrument panel, left side
16/9 Antenna
16/10 Horn 1
16/11 Horn 2
16/15 CD-autochanger
16/17 Loudspeaker, rear parcel shelf, left side/left D-post
16/18 Loudspeaker, rear parcel shelf, right tide/right D-post
17/1 Service data link connector for starter motor operation
17/11 0BD data link connector
17/14 Data link connector for diagnosis of power seat
18/1 Bridge connector 1
18/2 Bridge connector 2
19/1 Engine coolant temperature (ECT) gauge
19/2 Rev, counter (RPM gauge)
19/3 Speedometer
19/4 Clock
19/5 Fuel gauge
20/1 Ignition coil
20/2 Distributor
20/3-6 Spark plugs
20/9 Glowplugs
20/15 Series resistance
20/18 Cabin fan resistor
31/1 Ground connector right front wing
31/2 Ground connector left front wing
31/3 Ground connector body (ground connection, battery-body)
31/4 Ground connector engine (ground connection, battery-engine)
31/5 Ground connector for heated rear window (4-door)
31/6 Ground connector left A-post
31/9 Ground connector at parking brake lever
31/10 Ground connector right A-post
31/11 Ground connector left tail light
31/12 Ground connector right tail light
31/13 Ground connector in load area
31/16 Ground connector at windshield wiper motor
31/17 Ground connector at power sunroof motor
31/26 Ground connector, generator
31/28 Ground connector at overdrive solenoid
31/31 Ground connection rail in el. distribution unit
31/32 Ground connector on engine (power ground)
31/33 Ground connector on engine (signal ground)
31/60 Ground connector on engine (diesel)
31/63 Ground connector at steering column bracket
31/64 Ground connector engine cooling fan
C1 Connector, 53-pin
Instrument panel harness - Door sill harness
C2 Connector, 53-pin
Instrument panel harness - Left wheel housing harness
C3 Connector, 53-pin
Instrument panel harness - Right wheel housing harness
C5 Connector, left A-post, 2-pin
C6 Connector, at el. dist. unit, 4-pin
C7 Connector, at steering column, 8-pin
C9 Connector, at centre console, 10-pin
C11 Connector, at el. dist, unit, 4-pin
C12 Connector, at el. dist, unit, 2-pin
C14 Connector, at el. dist, unit, 2-pin
C15 Connector, left A-post, 4-pin
C19 Connector, at instrument panel, 2-pin
C20 Connector, under gear lever carrier, 1-pin or 2-pin
C21 Connector, left B-post, 4-pin
C22 Connector, at tailgate, 6-pin (5-door)
C23 Connector, at tailgate, 2-pin (5-door)
C24 Connector, at extra brake light, 2-pin
C25 Connector, tailgate, 2-pin, (5-door)
C27 Connector, tailgate, 1-pin, (5-door)
C29 Connector, at driver's seat, 4-pin
C31 Connector, at passenger's seat, 2-pin
C32 Connector, at driver's seat, 2-pin
C33 Connector, under driver's seat, 2-pin
C34 Connector, under passenger's seat, 2-pin
C36 Connector, under passenger's Seat, 2-pin
C37 Connector, under driver's seat, 2-pin
C39 Connector, at driver's seat, 4-pin
C40 Connector, at passenger's seat, 4-pin
C41 Connector, under driver's seat, 6-pin
C42 Connector, under driver's seat, 2-pin
C50 Connector, 8-pin
Left wheel housing harness - Engine harness
C51 Connector, 8-pin
Left wheel housing harness - Engine harness
C54 Connector, 8-pin
Right wheel housing harness - Engine harness
C55 Connector, 8-pin
Right wheel housing harness - Engine harness
C62 Connector, at windshield wiper motor, 4-pin
C63 Connector, at left headlight, 3-pin
C64 Connector, at right headlight, 3-pin
C65 Connector, driver's door, 6-pin
C66 Connector, passenger's door, 6-pin
C72 Connector, driver's door, 2-pin
C73 Connector, passenger's door, 2-pin
C74 Connector, rear door driver's side, 2-pin
C75 Connector, rear door passenger's side, 2-pin
C76 Connector, right A-post, 2-pin
C79 Connector, driver's door, 4-pin
C84 Connector, driver's door, 2-pin
C85 Connector, rear door driver's side, 2-pin
C86 Connector, passenger's door, 2-pin
C87 Connector, rear door passenger's side, 2-pin
C88 Connector, at switch, 5-pin
C89 Connector, at sunroof mmotor 2-pin
C91 Connector, at el. dist. unit, 2-pin
C92 Connector, behind steering wheel, 2-pin
C93 Connector, left rear wheel housing, 4-pin
C98 Connector, at power antenna, 4-pin
C100 Connector, left wheel housing, 2-pin
C101 Connector, right wheel housing, 2-pin
C102 Connector, at el. dist. unit, 2-pin
C1O5 Connector on bridge connector 1,2-pin
C111 Connector, at thermoelement, 2-pin
C117 Connector, 2-pin
Left wheel housing harness - Engine harness
C121 Coupling reel, steering wheel, SRS (airbag)
C123 Connector to bridge connector 2, 2-pin
C132 Connector, 8-pin
Left wheel housing harness - Engine harness
C137 Connector, 4-pin
Right wheel housing harness - Engine harness
C139 Connector, at gear selector, 4-pin
C143 Connector, at A-post passenger's side, 24-pin
C144 Connector, at A-post driver's side, 24-pin
C149 Connector, at B-post passenger's side, 11-pin
C15O Connector, at B-post driver's side, 11-pin
C154 Connector, 3-pin or 1-pin
Right wheel housing harness - engine cooling fan harness
C155 Connector, left A-post, 8-pin
C156 Connector, at firewall, 3-pin
C157 Connector, ate. dist. unit, 4-pin
C158 Connector, at driver's seat, 4-pin
C160 Connector, at instrument panel, 6-pin
C161 Connector, at firewall, 1-pin
C162 Connector, left B-post, 2-pin
C163 Connector, at firewall, 2-pin (diesel)
C166 Connector, at el. dist. unit, 8-pin
C300 Connector, at firewall, 4-pin
(for heated oxygen sensor (HO2S))
C3O1 Connector, at instrument panel for vanity mirror, passenger's side
C302 Connector, at instrument panel for vanity mirror, driver's side
D1 Connector, at instrument panel, 4-pin
D2 Connector, alarm, 8-pin at steering column
D3 Connector, alarm, 4-pin at steering column
D4 Connector, alarm, 2-pin in engine compartment, left front
D5 Connector, towing hook, 10-pin (not USA/CDN)
D7 Connector, ambient temperature sensor, 6-pin