Curiosii for ever!: Car repair manuals for everyone.

Transmission Position Sensor/Switch: Service and Repair




Gear position sensor, replacement

1. Preparations






Remove:

- Battery
- Entire Air Cleaner (ACL)
- Air intake manifold
- Battery shelf
- ACL bracket.

Removal





Remove:

- Transmission cable from rod arm
- Rod arm
- Nut, lock washer and rubber seal from position sensor.

Loosen dipstick pipe bracket.
Remove the two screws from the gear position sensor.
Carefully lift the sensor from control shaft.

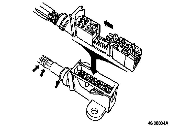
DISASSEMBLING AND REASSEMBLING OF CONNECTOR

Disassembling

- Separate the connector on transmission.
- Disassemble connector. Remember rubber gasket.
- Disconnect cable clamps and detach connector from transmission.
- Remove sockets from connector casing.
- Remove rubber seal from connector.






- Insert screwdriver between casing and socket and press catch in. At the same time slide the sockets out of the casing.






Detach socket for gear position sensor (8-pin) from other sockets.

- Remove gear position sensor.

Reassembling






- Reassemble position sensor socket with the other sockets.
- Reinstall sockets in casing and put rubber seal back in place.
- Reinstall connector on transmission.
- Reinstall cable clamps around cable harness and rubber seal.
- Reinstall upper connector section.
- Remember rubber gasket.

REINSTALLATION AND ADJUSTMENT OF GEAR POSITION SENSOR

Reinstallation






- Reinstall gear position sensor.
- Tighten sensor screws lightly.
- Reinstall rubber washer, lock washer and nut on control shaft connector.
- Tighten nut.
- Lock nut with lock washer.

Adjustment





- Adjust gear position sensor refer to Adjustments steps 2 and 3. Adjustments


Reinstallation, continued:

- Dipstick pipe bracket. Make sure that the O-ring on the pipe is in place. Torque to 25 Nm.
- Rod arm on control shaft. Torque to 16 Nm.
- Transmission cable on rod arm with washer and lock clips. Apply grease part No. 1161241-3, sparingly to rod arm pin.

Reinstallation of engine compartment components






Install:

- Air filter bracket
- Battery shelf
- ACL complete with inlet pipe.
- Battery. Reconnect battery leads.

Checking DTCs

- check that DTC's have been cleared.