Curiosii for ever!: Car repair manuals for everyone.

Replacing Control Module Box

Removal:





- Ignition off.
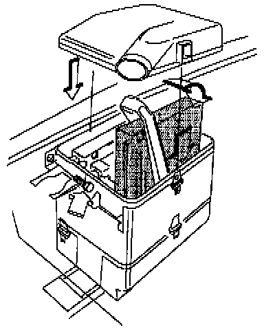
- Remove front air duct to control module box.
- Remove filler pipe from washer fluid reservoir.
- Undo expansion tank and pull upwards.
- Undo DLC (Data Link Connector).





Remove:
- Control module box cover (pry metal clip open with screwdriver).
- Control modules from control module box.
- Front mounting screw.





Remove:
- Center section of control module box, pry metal clips (3 x) open with screwdriver.
- Connecting stub to control module box air intake.
- Lift control module holder and cable duct so it comes clear of clips.





Remove:
- Undo connector at base of control module box.
- Cable tie screws on side of control module box.
- Pull up lead on side of control module box.





Remove:
- Rear mounting screw.
- Lower section of control module box. Pull it backwards until it comes free from the body plate flap at the front of the control module box.
- Cable tie at side of control module box.

Installation:





Install:
- Cable tie on side of control module box.
- Lower section of control module box, inserting it at the front, under the body plate flap.
- Rear mounting screw.





Install:
- Connector in base of control module box.
- Lead on side of control module box.
- Screws to cable tie on side of control module box.





Install:
- Control module holder. Make sure catches lock.
- Cable duct, insert into track in control module box.
- Connecting stub to control module box air intake.
- Center section of control module box.

Check that center and lower sections of control module box fit tightly and that clips lock properly.





Install:
- Front mounting screw.
- Control modules.
- Control module box cover; check that clips lock properly.





Install:
- DLC (Data Link Connector).
- Filler pipe to washer fluid reservoir.
- Check that filler pipe fits right to reservoir
- Front air duct to control module box.
- Expansion tank.