Curiosii for ever!: Car repair manuals for everyone.

Air Flow Meter/Sensor: Description and Operation





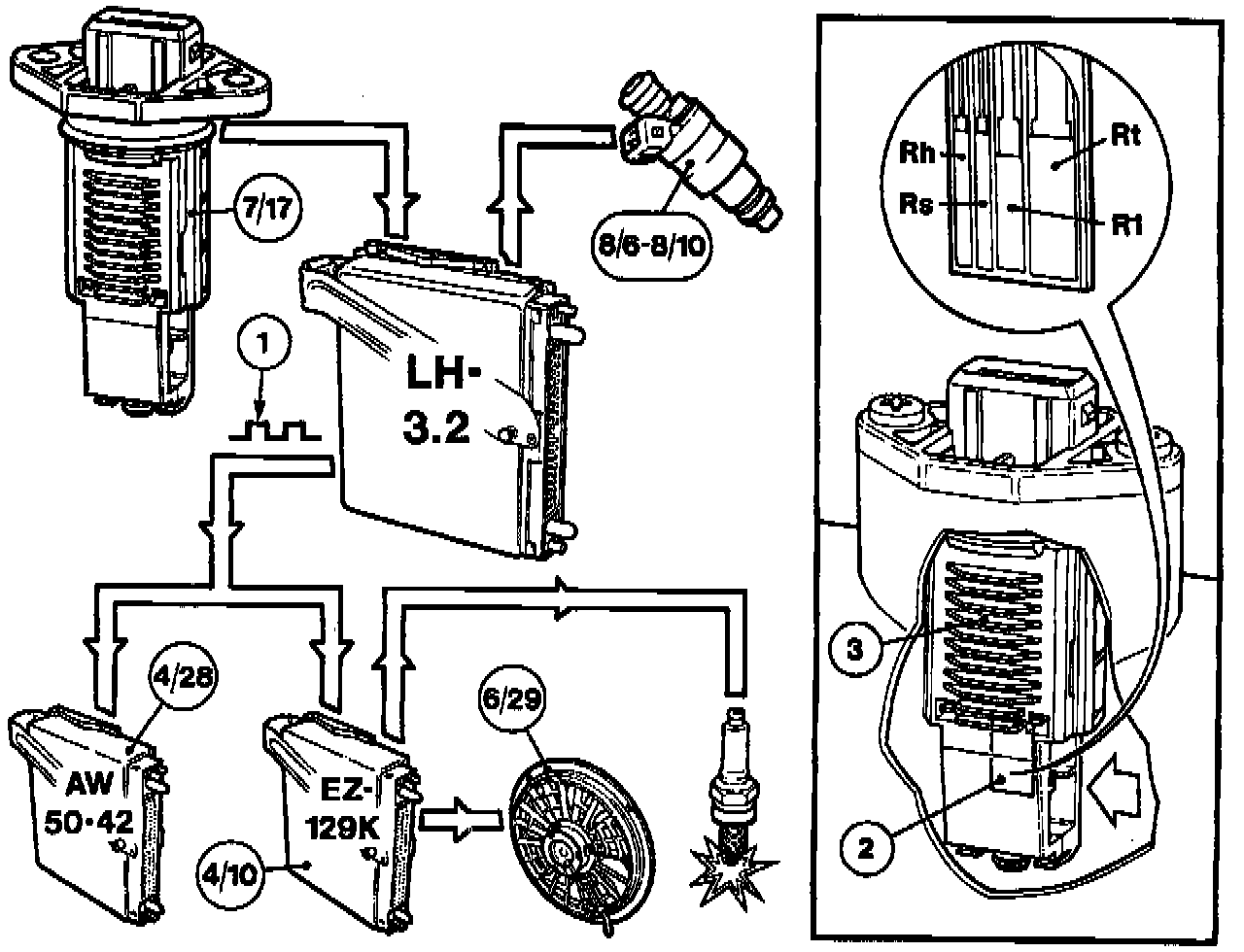
HOT-FILM MASS AIR FLOW SENSOR

The Mass Air Flow Sensor (MAF) sensor (7/17) supplies the MFI module with continuous signals describing the intake air mass.

The load Information Is used by:
^ MFI module (4/45), to compute the opening period of the injectors (8/6-8/10);
^ ICM (4/10), to compute the timing and to determine if the engine cooling fan must be run for a further period;
^ AW 50-42 Transmission Control Module (TCM) (4/28), for gear change computations.

The MFI module converts the analogue signal from the MAF sensor into a digital signal (1) before transmitting the information further to the ICM and TCM.

MAF Sensor - Design

Employing a 'hot film' (2) rather than a heated wire, the MAF sensor is mounted on the Air Cleaner (ACL) cover. The unit consists of a plastic housing containing a connector, electronic circuitry and an aluminium heat sink (3). Consisting of four resistances, the film is acted on by the intake air flow.

The resistances have the following functions:
^ Rt is a temperature-sensitive resistance of the NTC type. Its purpose is to supply information on intake air temperature.
^ R1 is a calibration resistance.
^ Rs is a flow-sensitive resistance of the PTC type. Its purpose is to supply signals indicating the cooling effect of the intake air.
^ Rh is a heating resistance whose purpose is to maintain the temperature of Rs 170°C (340°F) above the intake air temperature.

Since the working temperature is relatively high (170°C/340°F), and the flow and temperature-sensitive resistances are mounted on the side of the hot film, a burn-off function is not required.