Curiosii for ever!: Car repair manuals for everyone.

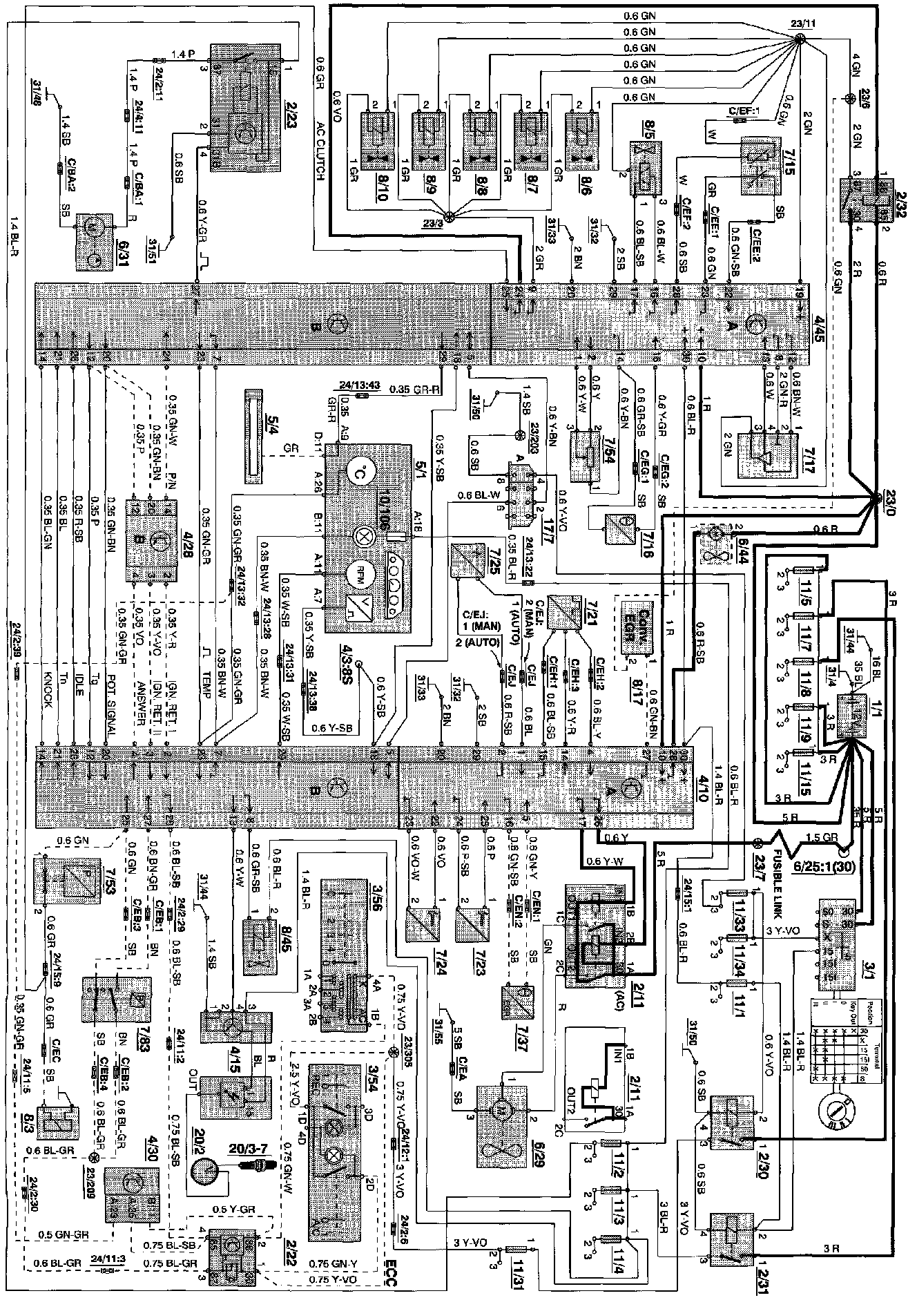
Fuel Injection System




Componet Location




Wiring Diagram

Componet I.D. List

No. Componet Name

1/1 Battery
2/1 Main headlight relay with bulb malfunction indicator
2/3 Regulator, DIM-DIP
2/4 Windshield wiper intermittent relay
2/5 Seatbelt reminder/key warning relay
2/7 Central lock/delayed courtesy lighting relay
2/11 Engine cooling fan relay
2/15 Relay, exhaust temperature sensor
2/22 A/C relay
2/23 Fuel pump relay
2/24 Fan relay, max.
2/28 Warning relay
2/30 Overload relay X+
2/31 Overload relay 15+
2/32 Main relay fuel system
2/42 Combination relay ABS
2/44 Relay, electrically heated rear window/door mirrors
2/45 Relay, P-shift lock
2/47 Relay, anti-theft protected lock position
2/51 Speed warning
2/60 Overload relay X+
3/1 Ignition switch
3/2 Light switch
3/3 Switch turn signal/high and low beams
3/4 Controls, cruise control
3/6 Switch, hazard lights with flasher relay
3/8 Switch, el. heated rear window/mirror
3/9 Brake light switch
3/10 Backup (reversing) light switch
3/12 Switch, windshield wipers and washer
3/25 Switch, power sunroof
3/37 Horn connectors
3/38 Contact, brake pedal
3/39 Contact, clutch pedal
3/47 Hand brake switch
3/54 REC and A/C switch
3/55 A/C panel lights
3/56 Heater fan switch
3/58 Switch, rear fog light
3/59 Beam width controls
3/61 Controls, trip computer
3/62 Alarm switch, hood
3/63 Program selector, automatic transmission
3/71 Transmission range selector indicator
3/72 Kick-down switch on throttle controls
3/74 Lock left front
3/75 Lock right front
3/76 Lock left rear
3/77 Lock right rear
3/78 Lock boot
3/85 Power window switch, left rear door
3/86 Power window switch, right rear door
3/87 Switch, power door mirror, left side
3/88 Switch, power door mirror, right side
3/89 Control module, left seat
3/91 Switch, heated left seat
3/92 Switch, heater right seat
3/93 Seat belt lock, left seat
3/95 Switch, TRACS
3/97 Switch, auto-down relay, power window
4/3 Control module, cruise control
4/4 Rheostat
4/5 Safety circuit SRS
4/9 SRS sensor module
4/10 Control module EZK (D1) ignition system
4/15 DI power stage and ignition coil
4/16 ABS control module
4/18 Control module, oil level sensor
4/19 Remote control module, central lock/anti-theft alarm
4/28 Control module, AW 50-42 automatic transmission
4/29 Control module, left seat
4/30 Control module, ECC
4/31 Power module, heater fan
4/33 Control module, power sunroof
4/34 Voltage regulator, 8 volts
4/35 Voltage regulator, 5 volts
4/36 Combined instrument microprocessor
4/37 Control module, right seat
4/41 Control module, Fenix 5.2 MFI
4/45 Control module, LH 3.2 MFI
4/47 Ignition coil, Fenix 5.2 MFI
4/48 Ignition power stage, Fenix 5.2 MFI
5/1 Combined instrument
5/2 Clock module
5/3 Ambient temperature/clock module
5/4 Trip computer
6/1 Windshield wiper motor
6/2 Washer motor front
6/3 Right headlight wiper motor
6/4 Left headlight wiper motor
6/15 Power sunroof motor
6/24 Cruise control vacuum pump
6/25 Starter motor
6/26 Generator
6/28 Heater fan
6/29 Engine cooling fan
6/31 Fuel pump
6/33 Fuel level sensor
6/34 Power antenna
6/35 Parking heater
6/37 Central lock motor, tank cap
6/38 Beam width control, left actuator
6/39 Beam width control, right actuator
6/44 Fan, control module box
6/45 Servo motor, temperature shutter, driver's side
6/46 Servo motor. temperature shutter, passenger's side
6/47 Servo motor, floor and defroster shutter
6/48 Servo motor, recirculation shutter
6/49 Servo motor, ventilation shutter
6/50 Motor, left seat backrest
6/51 Motor, up/down front edge of left seat
6/52 Motor, up/down rear edge of left seat
6/53 Motor, fore/aft left seat
6/58 Power window motor, left front door
6/59 Power window motor, left rear door
6/60 Power window motor, right front door
6/61 Power window motor, right rear door
6/62 Power door mirror, left side
6/63 Power door mirror, right side
7/1 Bulb failure warning sensor, rear
7/4 Brake fluid level sensor
7/5 Washer fluid level sensor
7/6 Oil pressure sensor
7/11 Ambient temperature sensor, ECC
7/15 Heated oxygen sensor (HO2S) (Lambdasond)
7/16 Engine temperature sensor
7/17 Mass air flow (MAF) sensor
7/21 Camshaft position sensor (CMP)
7/23 Knock sensor (KS), rear
7/24 Knock sensor (KS), front
7/25 Pulse sensor
7/31 Sensor ABS, left front
7/32 Sensor ABS, right front
7/33 Speedometer sensor
7/35 Oil level sensor
7/37 Temperature sensor, EGR
7/43 Thermostat, left seat
7/44 Thermostat. right seat
7/53 Pressostat, A/C
7/54 Throttle position (TP) sensor
7/55 Thermoelement, 3-way catalytic converter (TWC)
7/56 Sensor ABS left rear
7/57 Sensor ABS right rear
7/58 Pedal sensor ABS
7/59 Temperature sensor, left duct
7/60 Temperature sensor, right duct
7/64 Cabin temperature sensor, driver's side
7/65 Cabin temperature sensor, passenger's side
7/68 Solar sensor ECC/indication LED - anti-theft alarm
7/69 Ambient temperature sensor, trip computer
7/73 Coolant level sensor
7/77 Intake air temperature sensor (IAT sensor)
7/81 Pressure sensor, intake manifold
7/83 High-pressure sensor, A/C
8/3 Solenoid coupling A/C
8/5 Idling IAC valve
8/6-10 Injectors
8/15 Hydraulic unit ABS
8/17 EGR converter
8/29 Reserve power unit SRS
8/30 Steering wheel module SRS
8/31 SRS passenger module
8/33 Igniter, driver's side belt tensioner
8/34 Igniter, passenger's side belt tensioner
8/36 Solenoid, P-shift lock
8/45 Solenoid, intake manifold
9/1 Cigarette lighter
9/2 Heated rear window
9/3 Backrest heater pad, left seat
9/4 Backrest heater pad, right seat
9/5 Seat element, left seat
9/6 Seat element, right seat
10/1 Left front light
10/2 Right front light
10/9 Left parking light and turn signal, front
10/10 Right parking light and turn signal, front
10/11 Left parking light, front
10/12 Right parking light, front
10/13 Left turn signal, front
10/14 Right turn signal, front
10/15 Left side indicator light
10/16 Right side indicator light
10/17 Right rear light
10/18 Left rear light
10/19 High-level brake light
10/20 Number plate light
10/22 Inside light, ceiling
10/24 Trunk lighting
10/26 Reading light, left rear
10/27 Reading light, right rear
10/29 Glove box lighting
10/30 Warning lamp, left front door
10/31 Warning lamp, right front door
10/32 Warning lamp, left rear door
10/33 Warning lamp, right rear door
10/37 Cigarette lighter lighting
10/40 Gear selector light
10/43 Right brake light
10/44 Right parking light, rear
10/45 Right parking/rear light
10/47 Lamp, right turn signal, rear
10/48 Right back-up light lamp
10/50 Left brake light
10/51 Left parking light rear
10/52 Left parking/rear light
10/53 Left rear fog light lamp
10/54 Lamp, left turn signal, rear
10/55 Left back-up light lamp
10/64 Right high beam lamp
10/66 Right low beam lamp
10/68 Left high beam lamp
10/70 Left low beam lamp
10/72 Ashtray lighting, front
10/74 Indicator lamp, exhaust gas temperature
10/77 Indicator lamp SRS
10/79 Indicator lamp, winter program and low gear (automatic transmission)
10/82 Indicator lamp ABS
10/83 Indicator lamp, hand brake
10/84 Brake warning lamp
10/85 Warning light, high beam
10/86 Oil pressure warning lamp
10/87 Indicator lamp, charging
10/88 Indicator light, bulb failure warning sensor
10/89 Indicator lamp, rear fog lights
10/90 Washer level warning lamp
10/91 Service warning
10/92 Indicator lamp, trailer
10/94 Indicator lamp, right turn signal
10/95 Indicator lamp, left turn signal
10/96 Instrument lighting
10/97 Entry lighting, driver's side
10/98 Ashtray lighting, rear
10/102 Entry lighting, passenger side
10/105 Fuel level warning lamp
10/106 Check engine (multifunction indicator lamp) warning lamp
10/107 Indicator lamp, TRACS
10/108 Extra brake light, spoiler
10/110 Coolant level warning lamp
10/113 Alarm warning LED
10/114 Vanity mirror lighting, left side
10/115 Vanity mirror lighting, right side
10/117 Indicator lamp, oil level
11/1-40 Fuses
15/2 30 rail in central electrical unit
15/4 151 rail in central electrical unit
15/8X rail in central electrical unit
16/1 Radio
16/2 Amplifier
16/3 Loudspeaker right front door
16/4 Loudspeaker left front door
16/5 Loudspeaker right rear door
16/6 Loudspeaker left rear door
16/7 Loudspeaker, instrument panel, right side
16/8 Loudspeaker, instrument panel, left side
16/9 Antenna
16/10 Horn 1
16/11 Horn 2
16/17 Loudspeaker, rear shelf, left side
16/18 Loudspeaker, rear shelf, right side
16/19 Alarm signal
17/1 Service socket for starter motor
17/7 OBD (Diagnostic) socket A
17/10 OBD (Diagnostic) socket B
18/4 Contact reel, SRS
19/1 Temperature gauge
19/2 Tachometer
19/3 Speedometer
19/5 Fuel gauge
19/6 Exciter, tachometer
19/7 Exciter, speedometer, temperature gauge, fuel gauge
20/2 Distributor
20/3-7 Spark plugs
20/18 Resistor, heater fan
23/0 Branching point, 30+ supply
23/3 Branching point, injectors
23/6 Branching point, fuel system main relay
23/7 Branching point, fusible link
23/8 Branching point, signal ground
23/9 Branching point, signal ground knock sensor (KS)
23/10 Branching point. +5V supply
23/11 Branching point. injectors +
23/13 Branching point. 30+ main relay, fuel system
23/100 Branching point. ground 31/44 engine compartment
23/101 Branching point, ground 31/44 engine compartment
23/102 Branching point, beam width control +
23/103 Branching point, beam width control
23/104 Branching point. horn
23/105 Branching point, X+ supply
23/106 Branching point, beam width control signal
23/107 Branching point, headlight washer
23/200 Branching point, 151+ supply
23/201 Branching point, brake light
23/203 Branching point, ground 31/50, central el. unit
23/204 Branching point, 50+ supply
23/207 Branching point, left turn signal
23/208 Branching point, right turn signal
23/209 Branching point, high pressure sensor, A/C
23/211 Branching point, high-pressure sensor, A/C and pressostat A/C
23/300 Branching point, rheostat
23/301 Branching point, ground, instr./contr. lighting 31/50 centr. el. unit
23/302 Branching point, 30+ supply
23/303 Branching point, heater fan, 4th speed
23/304 Branching point, ground 31/15 A-post passenger's side via 23/416
23/305 Branching point, X+ supply, heater fan / A/C
23/306 Branching point, signal ground servo motors, cabin temperature sensor, ECC
23/307 Branching point, supply +5V servo motors ECC
23/308 Branching point, signal ground, temperature sensor ducts, solar sensor ECC
23/309 Branching point 30+ supply cabin fan, power stage cabin tan
23/400 Branching point, central lock unlocking M+
23/401 Branching point, central lock locking M
23/403 Branching point, ground 31/11, boot left side
23/405 Branching point, ground 31/7 A-post driver's side
23/408 Branching point, central lock unlocking M+
23/409 Branching point, central lock locking M
23/410 Branching point, open-door warning
23/411 Branching point, 30+ supply
23/412 Branching point, 151+ supply
23/413 Branching point, amplifier Batt +
23/414 Branching point, rheostat
23/415 Branching point, ground, radio, amplifier 31/15 A-post passenger's side
23/416 Branching point, ground, 31/15 A-post passenger's side
23/502 Branching point, ground, instr. lighting/ power rear-view mirror/ selector aut. transmission
23/503 Branching point, supply, seat heating/power door mirrors
24/1 Connector, 14-pole Firewall harness - Instrument panel harness
24/2 Connector, 53-pole Firewall harness - Engine compartment harness
24/3 Connector, pos. 26-53 in 53-pole Firewall harness - Bottom rail harness, left
24/4 Connector, 53-pole Firewall harness - Bottom rail harness, right
24/5 Connector, 24-pole Firewall harness - Left front door harness
24/6 Connector, 24-pole Firewall harness - Right front door harness
24/7 Connector, 14-pole Firewall harness - Tunnel harness
24/9 Connector, 4-pole Firewall harness - Ceiling harness
24/10 Connector, 2-pole Firewall harness - heater fan / A/C unit
24/11 Connector, 10-pole Firewall harness - A/C unit
24/12 Connector, 4-pole Firewall harness - heater fan / A/C unit
24/13 Connector, 53-pole Engine compartment harness- Instrument panel harness
24/14 Connector, pos, 1-25 in 53-pole Engine compartment harness - Door sill harness, left
24/15 Connector, 14-pole Engine compartment harness - Engine harness
24/16 Connector, 26-pole Engine compartment harness - Front harness
24/17 Connector, 11-pole Door sill harness, left - Left rear door harness
24/18 Connector, 11-pole Door sill harness, right - Right rear door harness
24/19 Connector, 4-pole Door sill harness, right - Rear wheel sensor harness
24/20 Connector, 4-pole Firewall harness - Rower sunroof harness
24/21 Connector, 6-pole Door sill harness, left - left seat
24/22 Connector, 6-pole Door sill harness, right - right seat
24/26 Connector, 2-pole Firewall harness - belt tensioner igniter harness, driver's side
24/27 Connector, 2-pole Firewall harness - belt tensioner igniter harness, passenger's side
24/29 Connector, solar sensor
24/30 Connector, 2-pole Engine compartment harness - thermoelement harness
24/33 Connector, 2-pole Firewall harness - passenger module harness
24/38 Connector, 2-pole Joint in firewall between sensor module and steering wheel connector reel
24/39 Connector, radio (large front), 14-pole
24/40 Connector, radio (large front), 14-pole
24/41 Connector, 4-pole Brake light contact and P-shift lock
31/4 Ground point, engine (ground connection battery - engine)
31/7 Ground point, A-post driver's side
31/11 Groond point, trunk, left side
31/12 Ground point, trunk, right side
31/15 Ground point, A-post passenger's side
31/24 Ground point, horn
31/32 Ground point on engine (power ground)
31/33 Ground point on engine (signal ground)
31/44 Ground point, engine compartment (ground connection battery - body)
31/47 Ground point, left cross member
31/48 Ground point, right cross member
31/50 Ground point, central electrical unit (power ground)
31/51 Ground point, central electrical unit (signal ground)
31/55 Ground point, electric cooling fan
31/65 Ground point, steering column
C/BA Connector, 2-pole, at fuel pump
C/BB Connector, 2-pole, fuel gauge
C/BC Connector, 4-pole, power aerial
C/CE Connector, 2-pole, heated driver's seat
C/CF Connector, 2-pole, heated driver's seat
C/CG Connector, 2-pole, heated passenger seat
C/CH Connector, 2-pole, heated passenger seat
C/CJ Connector, 6-pole, cruise control
C/CK Connector 14-pole, power windows
C/EA Connector, 1-pole, cooling fan
C/EB Connector, 4-pole, high pressure sensor, A/C
C/EC Connector, 1-pole, solenoid switch A/C
C/ED Connector, 1 5-pole, ABS
C/EE Connector, 2-pole, heated oxygen sensor (HO2S)
C/EF Connector, 2-pole, heated oxygen sensor (HO2S)
C/EG Connector, 2-pole, engine coolant temperature (ECT)
C/EH Connector, 3-pole, camshaft position sensor (CMP)
C/EJ Connector, 2-pole, impulse sensor
C/EK Connector, 2-pole, wiper motor
C/EL Connector, 3-pole, wiper motor
C/EM Connector, 2-pole at tunnel
C/EN Connector, 2-pole, EGR temp, sensor
K/1 Relay, auto-down power window