Curiosii for ever!
: Car repair manuals for everyone.
Home
>>
Volvo
>>
1993
>>
240 L4-2.3L SOHC VIN 88 B230F
>>
Repair and Diagnosis
>>
Relays and Modules
>>
Relays and Modules - Powertrain Management
>>
Relays and Modules - Computers and Control Systems
>>
Main Relay (Computer/Fuel System)
>>
Diagrams
>>
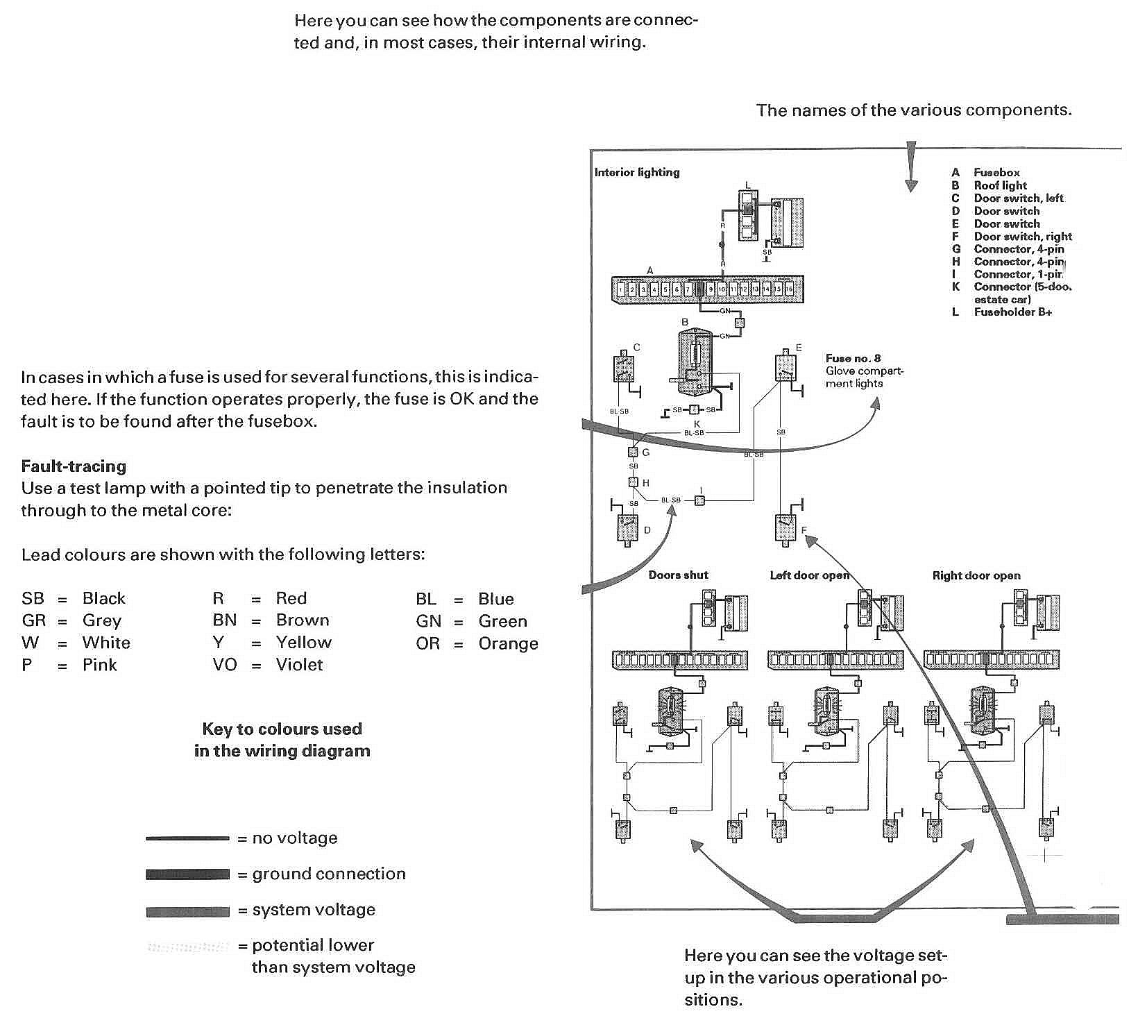
Diagram Information and Instructions
>>
How to Read Diagrams & Component / Connector Views
How to Read Diagrams & Component / Connector Views
Reading Wiring Diagrams:
Reading Component / Connector Views: