Curiosii for ever!: Car repair manuals for everyone.

DI #6 No Power Supply From Ignition Switch



UB. DI#6

DI#6 No power supply from the ignition switch

Fault Message Conditions:

The fault message is logged if voltage does not go above6 volt within 10 seconds of entering Running Test.If MFI and the power stage are connected to the ST a fault message will also be logged if the voltages to DI#6, MFI #35 and power stage #4 differ.

Causes of fault:




Break in the wiring between DI#6 and the ignition switch.

Fault symptoms:

The engine will not start.

If the break is intermittent the engine will stop running or engine speed will drop significantly.

UB1

Volvo ST, Test Box

-Disconnect the ST in accordance with QA2. Connecting The Volvo Scan Tool (ST)




-Connect the test box to 1CM and check the GND points in accordance with P3-P4.

-Continue with Checking the power supply UB2.

UB2

Checking The Power Supply

-Connect the control module to the test box.

-Re-install system fuse.




-Ignition on.

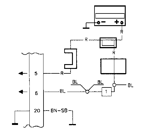
Connect a voltmeter between DI#6 and DI#20. The voltmeter should read battery voltage.




Check that the voltmeter reads battery voltage when the starter motor is operating and the engine running.

If both values are OK

Intermittent break.

-Check the connections between DI#6 and the ignition switch for loose contacts.

If one or both of the values deviate

-Check the wiring between DI#6 and the ignition switch for breaks.